Холодильник Samsung RB37J5000WW - инструкция пользователя по применению, эксплуатации и установке на русском языке. Мы надеемся, она поможет вам решить возникшие у вас вопросы при эксплуатации техники.
Если остались вопросы, задайте их в комментариях после инструкции.
"Загружаем инструкцию", означает, что нужно подождать пока файл загрузится и можно будет его читать онлайн. Некоторые инструкции очень большие и время их появления зависит от вашей скорости интернета.
Загружаем инструкцию

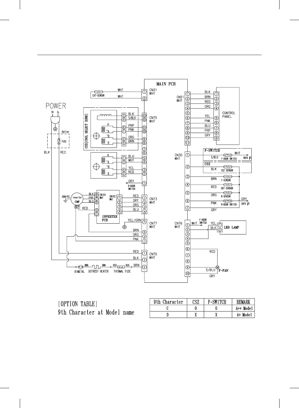
принципиальная схема
DA68-02833R-18.indb 32
2015. 5. 9. �� 9:52
Содержание
- 2 • Перед началом работы с; сведения по технике безопасности
- 3 • Чтобы избежать образования; серьезным
- 4 • При транспортировке и; • Ухудшение качества изоляции
- 15 Советы по экономии энергии
- 16 содержание; установка холодильника
- 18 НАСТРОЙКА ХОЛОДИЛЬНИКА
- 19 эксплуатация холодильника
- 21 ДОПОЛНИТЕЛЬНАЯ ПОЛКА; ЭЛЕМЕНТЫ МОРОЗИЛЬНОЙ КАМЕРЫ
- 23 СНЯТИЕ ВНУТРЕННИХ ЭЛЕМЕНТОВ
- 24 ОЧИСТКА ХОЛОДИЛЬНИКА
- 38 Температурные границы окружающей среды; Russian













