Холодильник Midea MRC518SFNGX - инструкция пользователя по применению, эксплуатации и установке на русском языке. Мы надеемся, она поможет вам решить возникшие у вас вопросы при эксплуатации техники.
Если остались вопросы, задайте их в комментариях после инструкции.
"Загружаем инструкцию", означает, что нужно подождать пока файл загрузится и можно будет его читать онлайн. Некоторые инструкции очень большие и время их появления зависит от вашей скорости интернета.

Сохраните достаточно свободного пространства для удобного открывания дверей и
перемещения ящичков, или столько пространства, сколько заявлено производителем.
3.6 Советы по энергосбережению
Прибор должен быть расположен в самой прохладной части комнаты, вдали от источников
тепла или отопительных приборов, и вдали от попадания прямых солнечных лучей.
Перед помещением в холодильник дайте горячей пище остыть до комнатной температуры.
Перегрузка прибора заставляет компрессор работать дольше. Продукты, которые
замерзают слишком медленно, могут потерять качество или испортиться.
Тщательно упаковывайте еду, а также вытирайте контейнеры насухо, перед, тем как
ставить их в холодильник. Это поможет уменьшить образование наледи.
Ящики для хранения продуктов не должны прокладываться алюминиевой фольгой,
вощеной бумагой или бумажными полотенцами. Такие подкладки мешают циркуляции
холодного воздуха, что понижает эффективность работы прибора.
Упорядочьте и промаркируйте еду, чтобы свести к минимуму количество открывания
дверей холодильника и длительность поисков.
Извлеките максимальное количество необходимых продуктов за раз, и закройте дверь
холодильника как можно скорее.
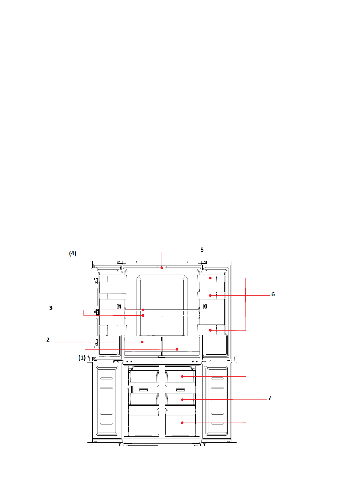
4. УСТРОЙСТВО ХОЛОДИЛЬНИКА
4.1 Описание холодильника
8
Характеристики
Остались вопросы?Не нашли свой ответ в руководстве или возникли другие проблемы? Задайте свой вопрос в форме ниже с подробным описанием вашей ситуации, чтобы другие люди и специалисты смогли дать на него ответ. Если вы знаете как решить проблему другого человека, пожалуйста, подскажите ему :)