Холодильник MAUNFELD MFF195NFIW10 - инструкция пользователя по применению, эксплуатации и установке на русском языке. Мы надеемся, она поможет вам решить возникшие у вас вопросы при эксплуатации техники.
Если остались вопросы, задайте их в комментариях после инструкции.
"Загружаем инструкцию", означает, что нужно подождать пока файл загрузится и можно будет его читать онлайн. Некоторые инструкции очень большие и время их появления зависит от вашей скорости интернета.
Загружаем инструкцию

УСТАНОВКА ПРИБОРА
www.maunfeld.ru
-12-
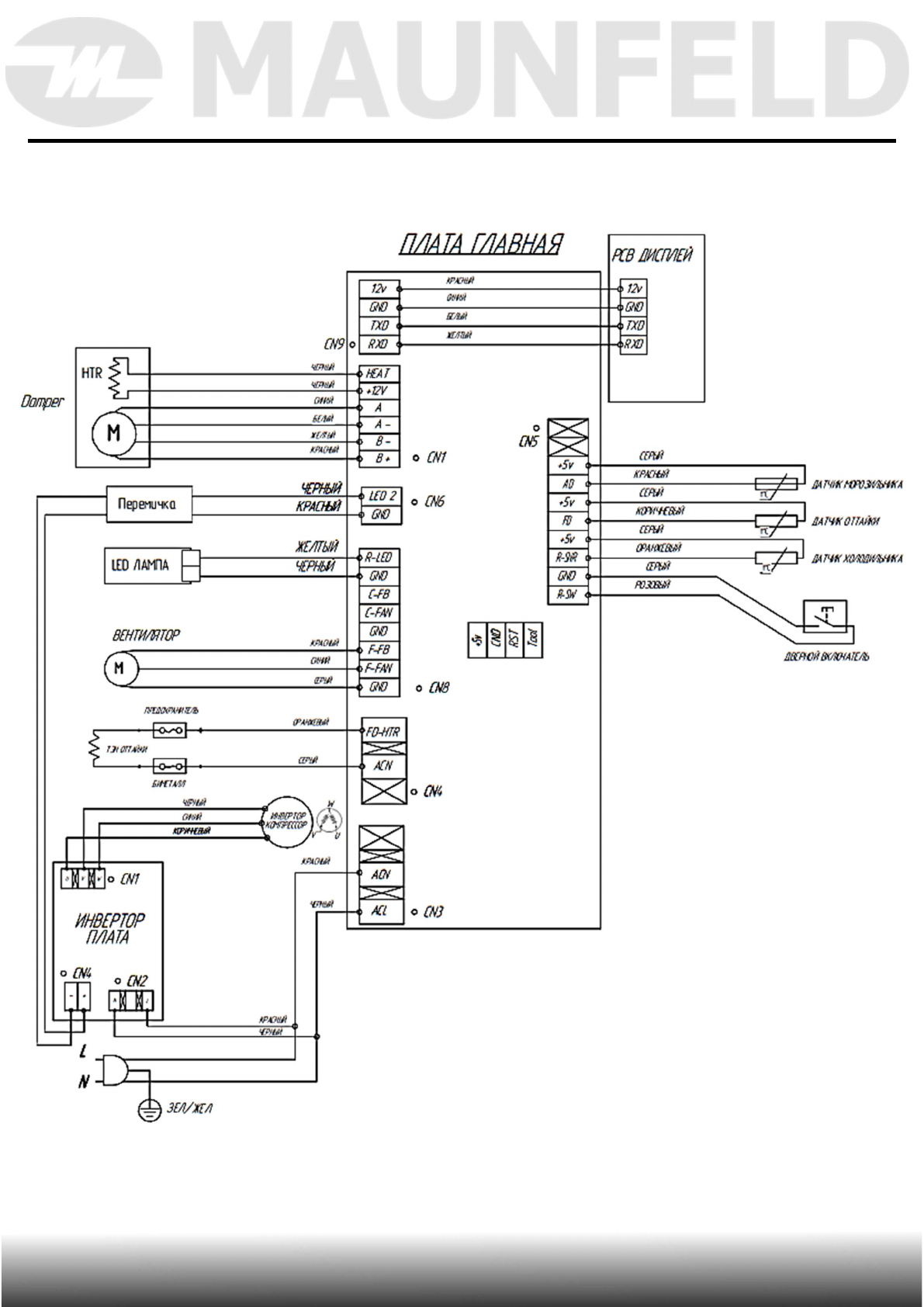
ЭЛЕКТРИЧЕСКАЯ СХЕМА
Содержание
- 2 БЛАГОДАРИМ ВАС
- 3 СОДЕРЖАНИЕ
- 4 со всеми действующими стандартами по электрической части; МЕРЫ БЕЗОПАСНОСТИ
- 7 ХЛАДАГЕНТ И РИСК ВОЗНИКНОВЕНИЯ ПОЖАРА
- 8 СПЕЦИАЛЬНЫЕ МЕРЫ БЕЗОПАСНОСТИ
- 9 ТЕХНИЧЕСКИЕ ДАННЫЕ
- 10 ТЕХНИЧЕСКИЕ ХАРАКТЕРИСТИКИ
- 11 ДАННЫЕ ПО ЭНЕРГОПОТРЕБЛЕНИЮ; ДОПОЛНИТЕЛЬНЫЕ ХАРАКТЕРИСТИКИ
- 12 УСТАНОВКА ПРИБОРА; ПОДКЛЮЧЕНИЕ К ЭЛЕКТРОСЕТИ
- 14 РЕКОМЕНДАЦИИ ПО УСТАНОВКЕ
- 15 ПЕРЕНАВЕШИВАНИЕ ДВЕРЕЙ
- 20 ОПИСАНИЕ ПРИБОРА; КЛИМАТИЧЕСКИЙ КЛАСС
- 21 ПАНЕЛЬ УПРАВЛЕНИЯ
- 22 ИНДИКАТОРЫ НА ДИСПЛЕЕ
- 24 ХОЛОДИЛЬНАЯ КАМЕРА; ЭКСПЛУАТАЦИЯ ПРИБОРА
- 25 СОВЕТЫ ПО ХРАНЕНИЮ ПРОДУКТОВ
- 26 МОРОЗИЛЬНАЯ КАМЕРА
- 27 СОВЕТЫ ПО ЗАМОРАЖИВАНИЮ ПРОДУКТОВ
- 28 ФУНКЦИИ ПРИБОРА
- 30 ОТКЛЮЧЕНИЕ ПРИБОРА ДЛЯ ДЛИТЕЛЬНОГО ХРАНЕНИЯ
- 31 СОВЕТЫ ПО ЭНЕРГОСБЕРЕЖЕНИЮ
- 32 ТЕХНОЛОГИЯ NOFROST
- 33 ЧИСТКА ПРИБОРА; УХОД И ОБСЛУЖИВАНИЕ
- 34 Проблема; УСТРАНЕНИЕ НЕПОЛАДОК
- 36 ЗАМЕНА СВЕТОДИОДНОГО ОСВЕЩЕНИЯ
- 37 Код; КОДЫ ОШИБОК
- 38 ИНФОРМАЦИЯ О ТРАНСПОРТИРОВКЕ; УТИЛИЗАЦИЯ
- 39 СЕРВИСНОЕ ОБСЛУЖИВАНИЕ
- 40 ИНФОРМАЦИЯ ОТ ПРОИЗВОДИТЕЛЯ
Характеристики
Остались вопросы?Не нашли свой ответ в руководстве или возникли другие проблемы? Задайте свой вопрос в форме ниже с подробным описанием вашей ситуации, чтобы другие люди и специалисты смогли дать на него ответ. Если вы знаете как решить проблему другого человека, пожалуйста, подскажите ему :)
Часто задаваемые вопросы
Как посмотреть инструкцию к MAUNFELD MFF195NFIW10?
Необходимо подождать полной загрузки инструкции в сером окне на данной странице
Руководство на русском языке?
Все наши руководства представлены на русском языке или схематично, поэтому вы без труда сможете разобраться с вашей моделью
Как скопировать текст из PDF?
Чтобы скопировать текст со страницы инструкции воспользуйтесь вкладкой "HTML"