Холодильник Liebherr ICS 3304 - инструкция пользователя по применению, эксплуатации и установке на русском языке. Мы надеемся, она поможет вам решить возникшие у вас вопросы при эксплуатации техники.
Если остались вопросы, задайте их в комментариях после инструкции.
"Загружаем инструкцию", означает, что нужно подождать пока файл загрузится и можно будет его читать онлайн. Некоторые инструкции очень большие и время их появления зависит от вашей скорости интернета.

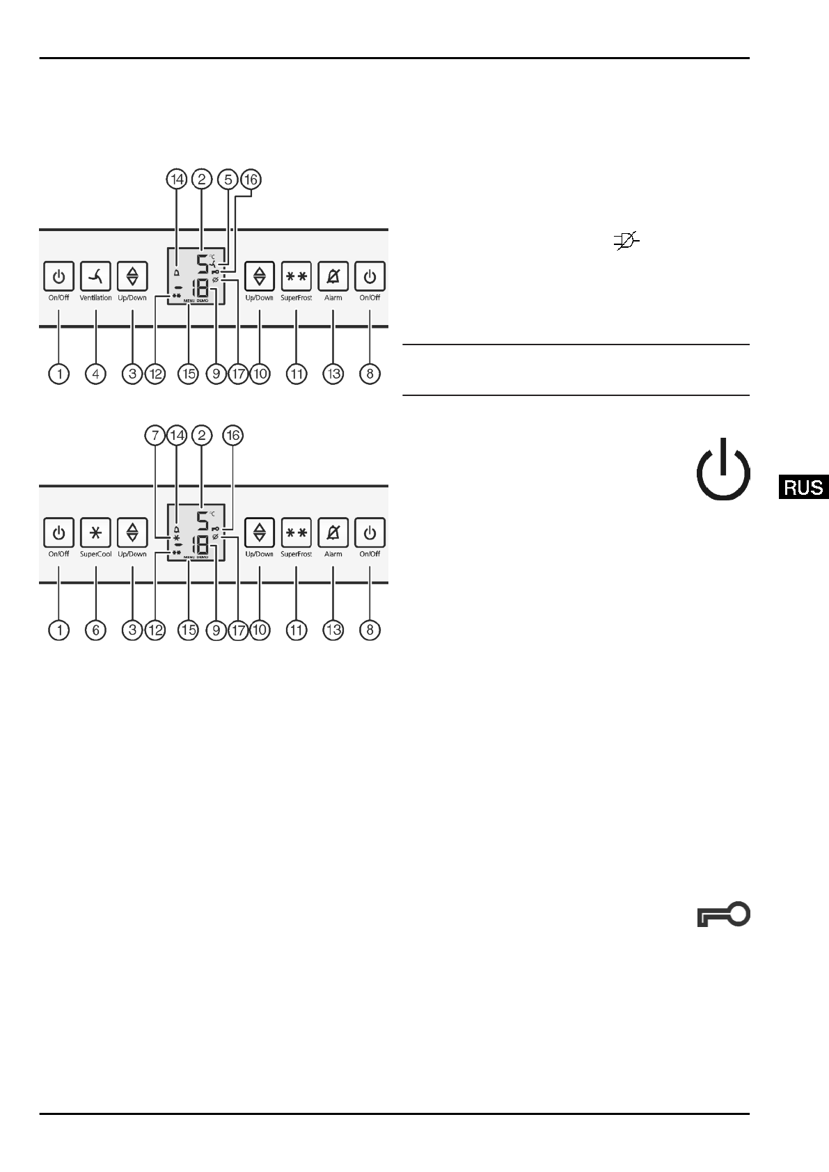
3 Органы управления и инди-
кации
3.1 Элементы управления и контроля
Fig. 2
(1) Кнопка «On/Off» холо-
дильного отделения
(10) Кнопка настройки моро-
зильного отделения
(2) Индикатор темпера-
туры холодильного
отделения
(11) Кнопка «SuperFrost»
(3) Кнопка настройки
холодильного отде-
ления
(12) Символ «SuperFrost»
(4) Кнопка «Венти-
ляция»*
(13) Кнопка «Alarm»
(5) Символ «Венти-
ляция»*
(14) Символ «Alarm»
(6) Кнопка «SuperCool»*
(15) Символ «Меню»
(7) Символ «SuperCool»*
(16) Символ «Защита от
детей»
(8) Кнопка «On/Off» моро-
зильного отделения
(17) Символ "Отключение
сети"
(9) Индикатор темпера-
туры морозильного
отделения
3.2 Индикатор температуры
В нормальном режиме работы появляется следующая
индикация:
-
заданная температура замораживания
-
заданная температура охлаждения
Индикация температуры морозильного отделения мигает.
-
настройка температуры изменяется
-
после включения температура еще недостаточно
низкая
-
температура повысилась на несколько градусов
На индикации появляются мигающие штрихи:
-
температура замораживания выше 0 °C.
Следующая индикация указывает на неисправность:
Возможные причины и меры по устранению: (см. Неис-
правности).
-
F0
-
F9
-
Символ пропадания напряжения
горит.
4 Ввод в работу
4.1 Включение устройства
Указание
u
При включении морозильного отделения автомати-
чески включается и холодильное отделение.
4.1.1 Включение морозильного отделения
Включите устройство приблизительно за 4 часа
перед первой загрузкой продуктов для замора-
живания. Укладывайте продукты для заморажи-
вания только после того, как морозильное отде-
ление охладится.
u
Откройте дверь.
u
Нажмите кнопку On/Off морозильного отделения
Fig. 2 (8).
w
Индикаторы температуры светятся. При открытии
двери холодильного отделения включается внутреннее
освещение. Холодильное и морозильное отделения
включены.
w
Если на дисплее отображается надпись «DEMO», это
означает, что активирован режим демонстрации.
Обратитесь в службу поддержки.
4.1.2 Включение холодильного отделения
Если холодильное отделение было выключено (например,
во время длительного отсутствия, отпуска) его можно
включить отдельно.
u
Откройте дверь.
u
Нажмите кнопку On/Off холодильного отделения
Fig. 2 (1).
w
Индикаторы температуры светятся. При открытии
двери холодильного отделения включается внутреннее
освещение. Холодильное отделение снова включено.
5 Обслуживание
5.1 Защита от детей
Используя функцию "Защита от детей", можно
быть уверенным, что дети во время игры
случайно не выключат устройство.
5.1.1 Настройка защиты от детей
Если необходимо включить функцию
u
Активация режима настройки: Нажмите кнопку
SuperFrost
Fig. 2 (11) и удерживайте ее прим. 5 секунд.
w
На индикаторе будет отображаться символ «Меню»
Fig. 2 (15).
w
На индикаторе мигает
c
.
u
Для подтверждения нажать и отпустить кнопку
«SuperFrost»
Fig. 2 (11).
Органы управления и индикации
* Наличие в зависимости от модели и комплектации
5
Характеристики
Остались вопросы?Не нашли свой ответ в руководстве или возникли другие проблемы? Задайте свой вопрос в форме ниже с подробным описанием вашей ситуации, чтобы другие люди и специалисты смогли дать на него ответ. Если вы знаете как решить проблему другого человека, пожалуйста, подскажите ему :)