Холодильник Liebherr CTN 5215 Comfort - инструкция пользователя по применению, эксплуатации и установке на русском языке. Мы надеемся, она поможет вам решить возникшие у вас вопросы при эксплуатации техники.
Если остались вопросы, задайте их в комментариях после инструкции.
"Загружаем инструкцию", означает, что нужно подождать пока файл загрузится и можно будет его читать онлайн. Некоторые инструкции очень большие и время их появления зависит от вашей скорости интернета.

символ может находиться на компрессоре. Он
относится к маслу в компрессоре и указывает
на следующую опасность: проглатывание и
попадание в дыхательные пути может
привести к смертельному исходу. Данное
указание имеет значение только для утили-
зации. В обычном режиме работы опасность
отсутствует.
Соблюдайте специальные указания,
помещенные в других главах:
ОПАС-
НОСТЬ
обозначает непосредственную
опасную ситуацию, которая, если
не будет устранена, приведет к
смерти или тяжелым травмам.
ПРЕДУ-
ПРЕЖДЕН
ИЕ
обозначает опасную ситуацию,
которая, если не будет устранена,
может привести к смерти или
тяжелой травме.
ОСТО-
РОЖНО
обозначает опасную ситуацию,
которая, если не будет устранена,
может привести к травмам легкой
или средней тяжести.
ВНИМАНИ
Е
обозначает опасную ситуацию,
которая, если не будет устранена,
может привести к повреждению
имущества.
Указание
обозначает полезные указания и
советы.
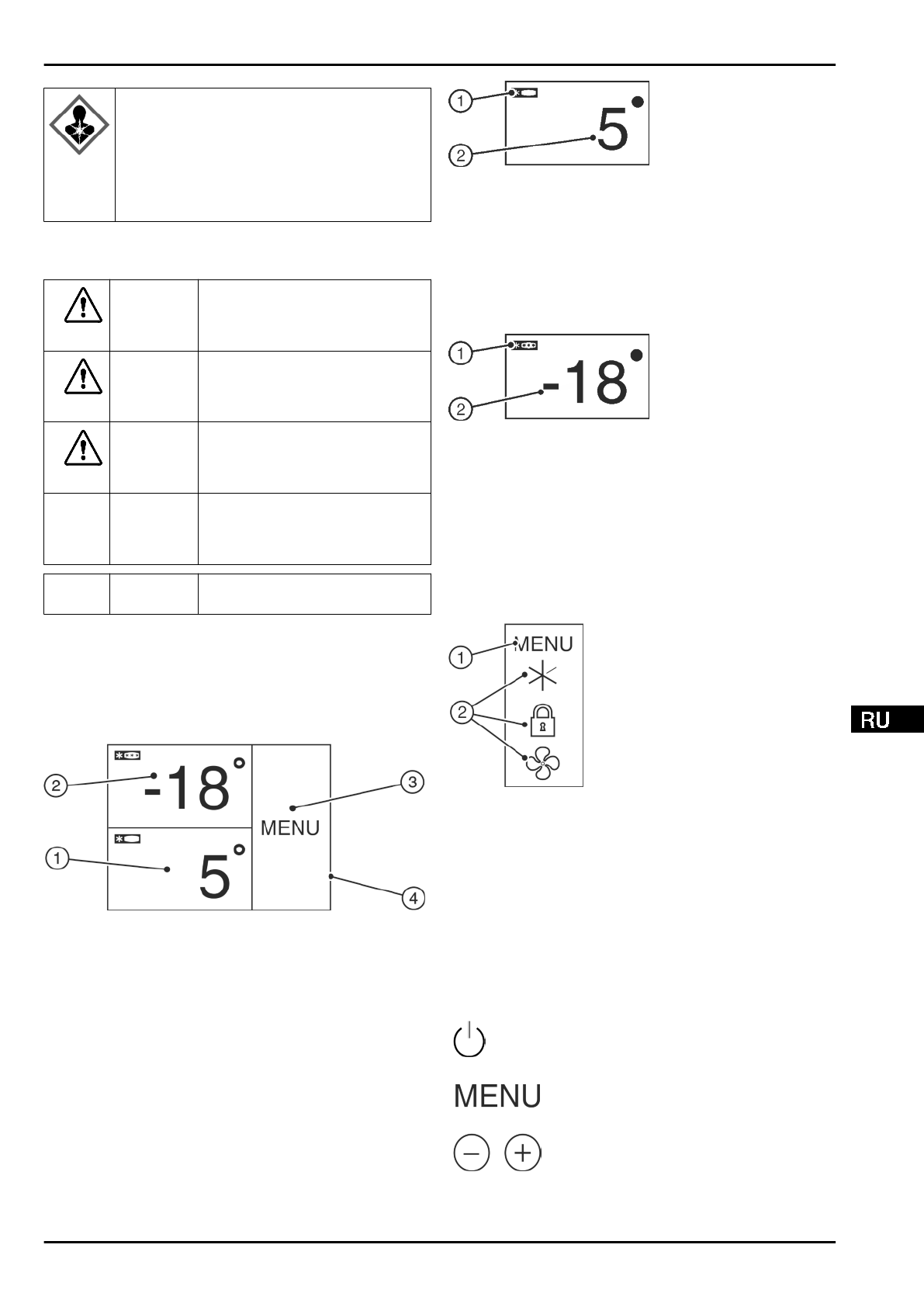
3 Органы управления и инди-
кации
3.1 Основной экран
Fig. 3
(1) Поле холодильного
отделения
(3) Поле меню
(2) Поле морозильного
отделения
(4) Экран
Основной экран представляет собой индикатор выходных
параметров для пользователя. Отсюда предпринимаются
все регулировки.
Путем нажатия на экран можно вызывать функции и изме-
нять параметры.
3.2 Структура управления
Поле холодильного отделения
Fig. 4
(1) Символ для холодиль-
ного отделения
(2) Индикатор температуры
холодильного отделения
В
поле
холодильного
отделения
отображается
настроенная температура холодильного отделения.
Можно предпринимать следующие настройки.
-
Настройки температуры.
-
Включение и выключение холодильного отделения.
Поле морозильного отделения
Fig. 5
(1) Символ для морозиль-
ного отделения
(2) Индикатор температуры
морозильного отделения
В
поле
морозильного
отделения
отображается
настроенная температура морозильного отделения.
Можно предпринимать следующие настройки.
-
Настройки температуры.
-
Включение и выключение устройства
При выключении морозильного отделения отключается
также и холодильное отделение.
Поле меню
Fig. 6
(1) Главное меню
(2) Активированная опция
Поле меню обеспечивает доступ к опциям и настройкам
устройства. В дополнение к этому отображаются активные
опции.
3.3 Навигация
Доступ к отдельным опциям происходит путем нажатия на
меню. После подтверждения опции или настройки
раздается звуковой сигнал. Индикатор переходит в режим
основного экрана.
Обслуживание устройства происходит через следующие
символы.
Режим готовности к работе:
включение устройства и темпера-
турной зоны.
Меню:
вызов опций.
Минус/плюс:
изменение настройки (например,
регулировка температуры).
Органы управления и индикации
* Наличие в зависимости от модели и комплектации
5
Характеристики
Остались вопросы?Не нашли свой ответ в руководстве или возникли другие проблемы? Задайте свой вопрос в форме ниже с подробным описанием вашей ситуации, чтобы другие люди и специалисты смогли дать на него ответ. Если вы знаете как решить проблему другого человека, пожалуйста, подскажите ему :)













