Холодильник Liebherr CBNPbs 4858 Premium - инструкция пользователя по применению, эксплуатации и установке на русском языке. Мы надеемся, она поможет вам решить возникшие у вас вопросы при эксплуатации техники.
Если остались вопросы, задайте их в комментариях после инструкции.
"Загружаем инструкцию", означает, что нужно подождать пока файл загрузится и можно будет его читать онлайн. Некоторые инструкции очень большие и время их появления зависит от вашей скорости интернета.

3 Органы управления и инди-
кации
3.1 Экран статуса
Fig. 4
(1) Экран
(5) Индикатор температуры
морозильного отде-
ления
(2) Индикатор темпера-
туры
(6) Часы
(3) Индикатор темпера-
туры холодильного
отделения
(7) Индикация даты, если
эта функция выбрана
(4) Индикатор темпера-
туры отделения
BioFresh
В обычном режиме отображается экран статуса, если не
выполняются никакие настройки. Отображаются устано-
вленные значения температуры, время и дата, если эта
функция выбрана.
Нажатием на индикатор температуры можно перейти к
главному экрану и настройкам.
Нажав на часы, можно активировать таймер.
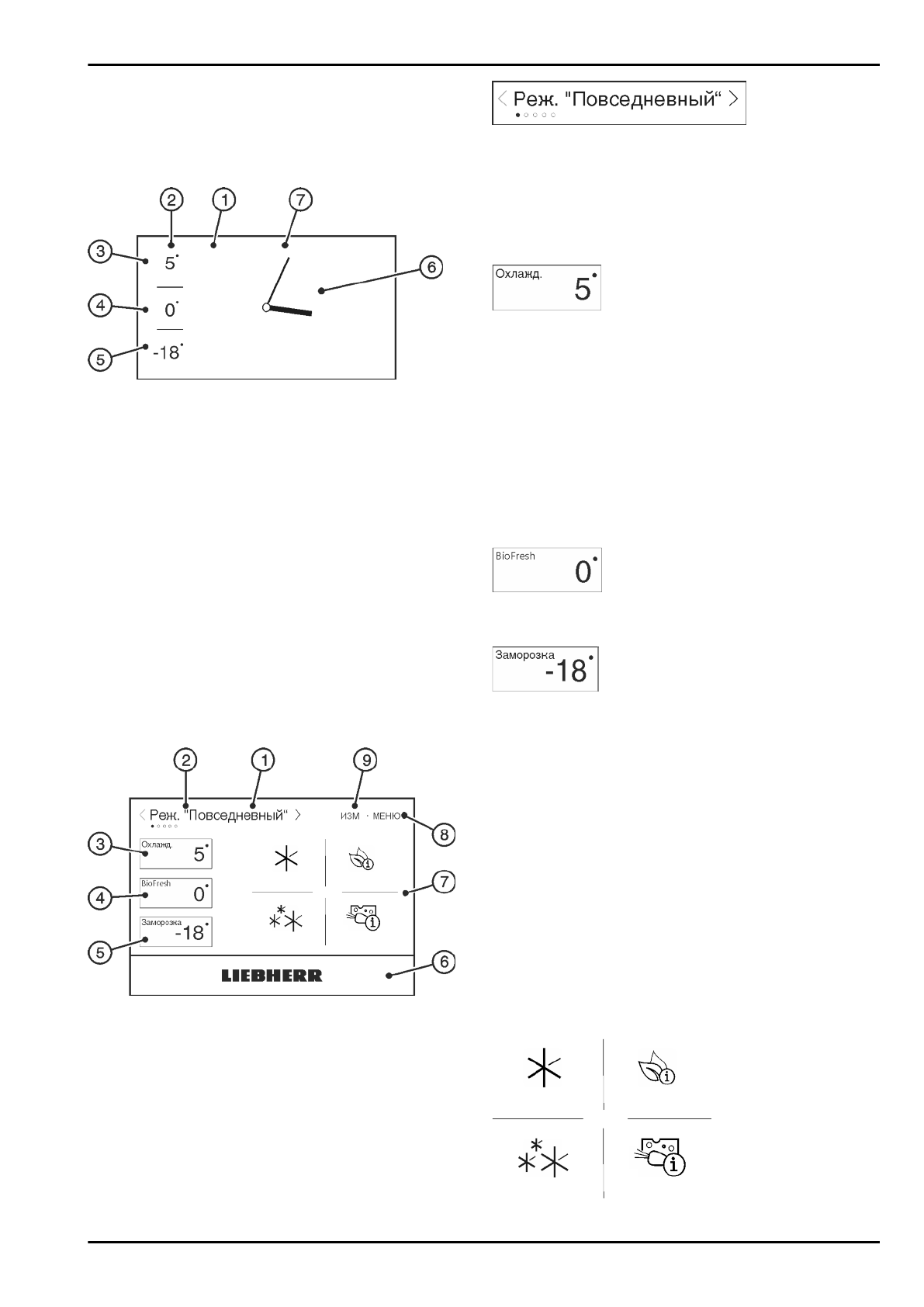
3.2 Главный экран
Fig. 5
(1) Экран
(6) Клавиша Liebherr
(2) Выбор программы
(7) Поле программы
(3) Поле холодильного
отделения
(8) Меню
(4) Поле BioFresh
(9) Редактирование
(5) Поле морозильного
отделения
В главном экране предлагается доступ к настройкам и
выбору программы.
Прикосновением к экрану можно вызывать функции и
изменять параметры.
Выбор программы
Fig. 6 Название
программы
В поле выбора программы отображается текущая
настроенная программа.
Можно выбрать 5 различных программ. В каждой
программе предусмотрены индивидуальные настройки
температуры и функций для различных потребностей.
Поле холодильного отделения
Fig. 7 Индикатор температуры холодиль-
ного отделения
В поле холодильного отделения отображается темпера-
тура холодильного отделения.
При изменении температуры сразу же отображается
новое заданное значение. Стрелки показывают изме-
нение температуры.
Можно выполнять следующие настройки:
-
настройки температуры,
-
включение и выключение холодильного отделения.
При выключении холодильного отделения отключается
также отделение BioFresh.
Поле BioFresh
Fig. 8 Индикатор температуры BioFresh
В поле BioFresh отображается температура BioFresh.
Поле морозильного отделения
Fig. 9 Индикатор температуры морозиль-
ного отделения
В поле морозильного отделения отображается темпера-
тура морозильного отделения.
При изменении температуры сразу же отображается
новое заданное значение. Стрелки показывают изме-
нение температуры.
Можно выполнять следующие настройки:
-
настройки температуры,
-
включение и выключение морозильного отделения.
При выключении морозильного отделения отключаются
также холодильное отделение и отделение BioFresh.
Поле температуры
Поле температуры включает в себя поле холодильного и
морозильного отделений, а также отделения BioFresh.
Клавиша Liebherr
Вся поверхность под экраном является клавишей. Нажа-
тием на клавишу можно перейти к экрану статуса.
Поле программы
Fig. 10 Программные
опции
Органы управления и индикации
6
* Наличие в зависимости от модели и комплектации
Характеристики
Остались вопросы?Не нашли свой ответ в руководстве или возникли другие проблемы? Задайте свой вопрос в форме ниже с подробным описанием вашей ситуации, чтобы другие люди и специалисты смогли дать на него ответ. Если вы знаете как решить проблему другого человека, пожалуйста, подскажите ему :)













