Холодильник Electrolux ERK 63610 X - инструкция пользователя по применению, эксплуатации и установке на русском языке. Мы надеемся, она поможет вам решить возникшие у вас вопросы при эксплуатации техники.
Если остались вопросы, задайте их в комментариях после инструкции.
"Загружаем инструкцию", означает, что нужно подождать пока файл загрузится и можно будет его читать онлайн. Некоторые инструкции очень большие и время их появления зависит от вашей скорости интернета.

Panoul de comand
ă
Function
Select
1
7
8
9
2
3
5
6
4
10
11
12
13
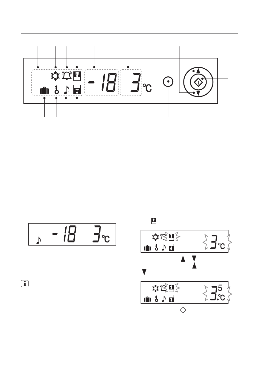
1. Afi
ş
aj LCD
6. Buton de confirmare
11. Alarma u
ş
ii
2. Setarea temperaturii con-
gelatorului
7. Congelare rapid
ă
12. Siguran
ţ
a pentru copii
3. Setarea temperaturii frigi-
derului
8. Cronometru
13. Modul Vacan
ţă
4. Buton de selectare a func-
ţ
iei
9. Controlul temperaturii fri-
giderului
5. Selector setare
10. Controlul temperaturii
congelatorului
Setarea implicit
ă
.
La pornirea aliment
ă
rii cu energie, afi
ş
ajul in-
dic
ă
în mod implicit:
În eventualitatea unei întreruperi a aliment
ă
rii
cu energie, func
ţ
ia Cronometru este anulat
ă
ş
i va trebui s
ă
fie reintrodus
ă
dac
ă
este ne-
voie.
Când nu are loc nicio opera
ţ
ie în termen
de 30 de secunde, afi
ş
ajul va reveni au-
tomat la con
ţ
inutul ini
ţ
ial. Lumina de fun-
dal va deveni întunecat
ă
în cazul neuti-
liz
ă
rii timp de 3 minute. Lumina de fundal
se va stinge în cazul neutiliz
ă
rii timp de 6
minute.
Controlul temperaturii
Frigiderul î
ş
i controleaz
ă
temperatura auto-
mat. Cu toate acestea, dac
ă
este nevoie, re-
gla
ţ
i temperatura astfel.
Compartimentul frigider
1. Ap
ă
sa
ţ
i butonul
Selectare func
ţ
ie
ş
i se-
lecta
ţ
i simbolul Setare temperatur
ă
frigi-
der
.
2. Ap
ă
sa
ţ
i butonul
/
pentru a selecta
temperatura dorit
ă
. (
pentru a cre
ş
te,
pentru a reduce)
3. Ap
ă
sa
ţ
i butonul
pentru a confirma.
42
electrolux












