Холодильник Haier HRF225WBRU - инструкция пользователя по применению, эксплуатации и установке на русском языке. Мы надеемся, она поможет вам решить возникшие у вас вопросы при эксплуатации техники.
Если остались вопросы, задайте их в комментариях после инструкции.
"Загружаем инструкцию", означает, что нужно подождать пока файл загрузится и можно будет его читать онлайн. Некоторые инструкции очень большие и время их появления зависит от вашей скорости интернета.

23
25
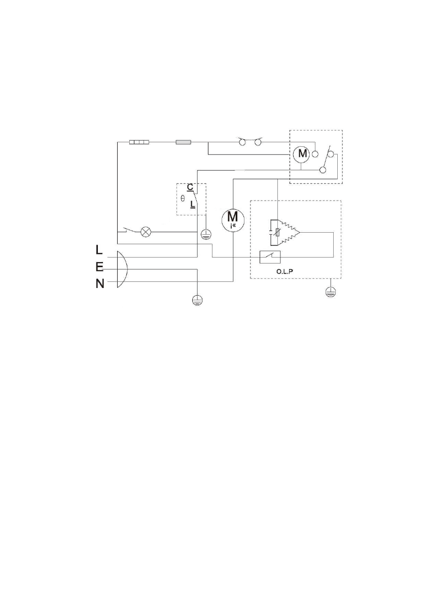
СХЕМА ПОДКЛЮЧЕНИЯ
Нагревательный
элемент для
разморозки
Предохранитель Температурное реле
Таймер разморозки
Термостат
Дверной
переключатель
Лампа
Вентилятор
Ко
нд
енс
ат
ор
Ста
рте
р
те
рм
ор
ези
ст
ор
а
Компрессор
Разъем питания
26
Технические данные
Модель
MDRF225WBI
Климатический класс
SN-Т
Класс электрической защиты
I
Суммарная полезная емкость (л)
225
Полезная емкость морозильной камеры (л)
44
Класс морозильной камеры
Мощность замораживания
3 (кг/24 ч)
Номинальное напряжение
220 В-240 В
Номинальная частота
50 Гц
Номинальное напряжение
0,5 А
Класс энергоэффективности
А+
Количество хладагента
R600a (43 г)
Масса (кг)
55
Габариты прибора (ш*г*в)
540*535*1800
Уровень шума (дБ)
42
Характеристики
Остались вопросы?Не нашли свой ответ в руководстве или возникли другие проблемы? Задайте свой вопрос в форме ниже с подробным описанием вашей ситуации, чтобы другие люди и специалисты смогли дать на него ответ. Если вы знаете как решить проблему другого человека, пожалуйста, подскажите ему :)













