Страница 3 - Цифровой видеорегистратор. Руководство пользователя; Регулирующая информация; Это оборудование было проверено и найдено соответствующим; Условия; Данное устройство не должно создавать вредных помех.; Соответствие стандартам
Цифровой видеорегистратор. Руководство пользователя 2 Регулирующая информация Информация о FCC Пожалуйста, обратите внимание, что изменения или модификации, явно не утверждённые стороной, ответственной за соответствие, могут привести к лишению пользователя права на эксплуатацию данного оборудования....
Страница 4 - Условные обозначения; Обозначения, которые могут быть найдены в данном документе:
Цифровой видеорегистратор. Руководство пользователя 3 Условные обозначения Обозначения, которые могут быть найдены в данном документе: Обозначение Описание Предоставляет дополнительную информацию, чтобы подчеркнуть или дополнить важные моменты основного текста. Указывает на потенциально опасную ситу...
Страница 6 - Основные характеристики продукта
Цифровой видеорегистратор. Руководство пользователя 5 Основные характеристики продукта Общие Поддержка подключения к HDTVI и аналоговым камерам; Поддержка HIKVISION-C протокола для подключения камеры по коаксиальному кабелю; Поддержка подключения к AHD камерам; Поддержка подключения к HDCVI ...
Страница 7 - Omnicast VMS of Genetec; Управление
Цифровой видеорегистратор. Руководство пользователя 6 Поддержка функций: обнаружение движения, обнаружение тамперинга видео, тревога исключения видео, тревога потери видео и тревога VCA; Маскирование; Поддержка различных PTZ протоколов (включая Omnicast VMS of Genetec ); PTZ предустановок, пат...
Страница 10 - Содержание; ВВЕДЕНИЕ
Цифровой видеорегистратор. Руководство пользователя 9 Содержание ГЛАВА 1. ВВЕДЕНИЕ ................................................................................ 13 1.1. Передняя панель ...................................................................................................................
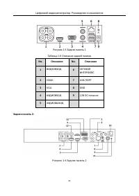
Страница 14 - Введение; Передняя панель; Рисунок 1-1 Верхняя панель 1; Иконка; Индикатор горит красным, когда DVR включён; Передняя панель; Рисунок 1-2 Передняя панель 2
Цифровой видеорегистратор. Руководство пользователя 13 Глава 1. Введение 1.1. Передняя панель Передняя панель 1: Рисунок 1-1 Верхняя панель 1 Таблица 1.1 Описание верхней панели 1 No. Иконка Описание 1 Индикатор горит красным, когда DVR включён 2 Индикатор горит красным, когда информация считывается...
Страница 15 - Управление с помощью дистанционного пульта; DVR
Цифровой видеорегистратор. Руководство пользователя 14 Таблица 1.2 Описание передней панели 2 No. Название Описание 1 POWER Индикатор желтый, когда устройство работает. STATUS Индикатор мигает красным, когда данные считываются или записываются на HDD. Tx/Rx Индикатор мигает желтым, когда сетевое сое...
Страница 16 - Название; Нажмите, чтобы попасть в интерфейс главного меню.
Цифровой видеорегистратор. Руководство пользователя 15 Рисунок 1-3 Пульт управления Кнопки пульта управления похожи на кнопки на передней панели. Обратитесь к таблице 1 -7 для получения более подробной информации. Таблица 1-3 Описание кнопок пульта управления No. Название Описание 1 POWER Включение/...
Страница 17 - DEV
Цифровой видеорегистратор. Руководство пользователя 16 No. Название Описание 3 Кнопка REC Вход в меню настроек ручной записи. Нажмите кнопку с цифрой после нажатия данной кнопки для вызова PTZ настройки. Включение/выключение звука в режиме воспроизведения. 4 Кнопки направления Эти кнопки используютс...
Страница 20 - Описание способов ввода; Задняя панель
Цифровой видеорегистратор. Руководство пользователя 19 1.4. Описание способов ввода Рисунок 1-4 Клавиатура интерфейса Описание кнопок клавиатуры интерфейса : Таблица 1-5 Описание элементов клавиатуры интерфейса Иконка Описание Иконка Описание … Цифры … Английские буквы Нижний/верхний регистр Backspa...
Страница 23 - Приступая к работе; Запуск и выключение DVR; Запуск DVR; Рисунок 2-1 Меню выключения; Shutdown
Цифровой видеорегистратор. Руководство пользователя 22 Глава 2. Приступая к работе 2.1. Запуск и выключение DVR Цель: Надлежащий запуск и выключение имеют решающее значение для увеличения срока службы DVR. Перед началом: Убедитесь, что напряжение дополнительного источника питания соответствует требо...
Страница 24 - Рисунок 2-2 Уведомление о выключении; Перезагрузка DVR; Активация устройства; Create New Password; Рисунок 2-3 Установка пароля администратора; РЕКОМЕНДУЕТСЯ ИСПОЛЬЗОВАТЬ НАДЕЖНЫЙ ПАРОЛЬ; Настоятельно
Цифровой видеорегистратор. Руководство пользователя 23 Рисунок 2-2 Уведомление о выключении Перезагрузка DVR Когда вы находитесь в меню Shutdown («Выключить») (0), вы так же можете перезагрузить DVR. 1. Войдите в меню Shutdown («Выключить») нажав Menu > Shutdown («Меню > Выключить») . 2. Нажми...
Страница 25 - OK; для сохранения пароля и активации устройства.; YES; Рисунок 2-4 Предупреждение; Yes; Нажмите; Export
Цифровой видеорегистратор. Руководство пользователя 24 еженедельная смена пароля позволит сделать использование продукта безопасным. 2. OK для сохранения пароля и активации устройства. Поддержка отображения пароля. Нажмите иконку и вы сможете посмотреть пароль, введённый в текстовое поле. Нажмите ...
Страница 26 - Рисунок 2-6 Экспорт GUID; После экспорта GUID, всплывает окно, представленное ниже. Нажмите; дублирования пароля или; Рисунок 2-7 Дублирование пароля; Использование графического пароля для входа; Конфигурация графического пароля; Рисунок 2-8 Установка графического пароля
Цифровой видеорегистратор. Руководство пользователя 25 Рисунок 2-6 Экспорт GUID 5. После экспорта GUID, всплывает окно, представленное ниже. Нажмите Yes («Да») для дублирования пароля или No («Нет») для отмены . Рисунок 2-7 Дублирование пароля 2.3. Использование графического пароля для входа Цель: Д...
Страница 28 - Рисунок 2-11 Сброс графического пароля; Вход при помощи графического пароля; Раздел; Рисунок 2-12 Нарисуйте графический пароль для разблокировки; Если вы забыли ваш графический пароль, вы можете выбрать; Forget My Pattern; для появления диалогового окна входа через обычный режим.
Цифровой видеорегистратор. Руководство пользователя 27 Рисунок 2-11 Сброс графического пароля 2.3.2. Вход при помощи графического пароля Только администратор имеет разрешение на разблокировку устройства таким образом. Пожалуйста, настройте графический пароль перед разблокировкой. Смотрите Раздел...
Страница 29 - Базовая конфигурация в мастере запуска; Настройка мастера конфигурации сигнального входа; Menu > Camera > Signal Input Status
Цифровой видеорегистратор. Руководство пользователя 28 заблокирована на 1 минуту. Рисунок 2-13 Диалоговое окно обычного входа в устройство Рисунок 2-14 Блокировка учётной записи 2.4. Базовая конфигурация в мастере запуска 2.4.1. Настройка мастера конфигурации сигнального входа Цель: После запуска и ...
Страница 30 - Apply; Рисунок 2-15 Настройка типа сигнального входа; Разделу 2.7 Настройка канала входного сигнала; Использование мастера для базовой конфигурации; Цель; Setup Wizard; Рисунок; Работа с мастером установки
Цифровой видеорегистратор. Руководство пользователя 29 2. Нажмите Apply («Применить») для сохранения настроек. Рисунок 2-15 Настройка типа сигнального входа Для получения более подробной информации о сигнальном входе, вы можете обратиться к Разделу 2.7 Настройка канала входного сигнала . 2.4.2. Испо...
Страница 32 - Рисунок 2-20 Настройки даты и времени; Next
Цифровой видеорегистратор. Руководство пользователя 31 Рисунок 2-20 Настройки даты и времени 4. После настройки времени , нажмите кнопку Next («Далее») для входа в меню General Network Setup Wizard («Мастер общих сетевых настроек») как показано на рисунке ниже . 5. Нажмите кнопку Next («Далее») посл...
Страница 33 - Рисунок 2-22 Меню Hik Cloud P2P; Рисунок 2-23 Установка расширенных сетевых параметров; Рисунке
Цифровой видеорегистратор. Руководство пользователя 32 Рисунок 2-22 Меню Hik Cloud P2P 6. Нажмите кнопку Next («Далее») для входа в меню Advanced Network Parameters («Расширенные сетевые параметры»). Вы можете включить DDNS и установить другие порты в соответствии с вашими задачами. Рисунок 2-23 Уст...
Страница 34 - Рисунок 2-24 Управление HDD; Init
Цифровой видеорегистратор. Руководство пользователя 33 Рисунок 2-24 Управление HDD 8. Для инициализации HDD нажмите кнопку Init («Инициализировать») . Инициализация удалит все данные сохранённые на HDD. 9. Нажмите кнопку Next («Далее») для входа в меню IP Camera Management («Управление IP-камерами»)...
Страница 35 - Рисунок 2-26 Настройки записи; Вход и выход из устройства; Вход пользователя в систему; User Name
Цифровой видеорегистратор. Руководство пользователя 34 Рисунок 2-25 Управление IP-камерами 11. После окончания настройки IP-камеры, нажмите кнопку Next («Далее») для входа в меню Record Settings («Настройки записи») . 12. Нажмите иконку , и вы сможете включить непрерывную запись или запись при обнар...
Страница 36 - Password; Рисунок 2-28 Защита учётной записи администратора; Forget Password
Цифровой видеорегистратор. Руководство пользователя 35 Рисунок 2 -27 Меню входа 2. Введите Password («Пароль»). 3. Нажмите OK для входа . Поддерживается отображение пароля. Нажмите иконку и вы сможете посмотреть пароль, введенный в текстовое поле. Нажмите иконку снова, и содержание пароля станет н...
Страница 37 - Рисунок 2-30 Импорт GUID; Import; Рисунок 2-31 Сброс пароля; Рисунок 2-32 GUID файл импортирован
Цифровой видеорегистратор. Руководство пользователя 36 Рисунок 2-30 Импорт GUID 1) Выберите GUID файл с USB флэш диска и нажмите кнопку Import («Импорт») для появления всплывающего меню Reset Password («Сброс пароля»). Рисунок 2-31 Сброс пароля 2) Введите новый пароль и подтверждение нового пароля. ...
Страница 38 - Рисунок 2-33 Дублирование пароля; Редактирование пользователей; Выход пользователя из системы; Рисунок 2; Logout; Добавление и подключение IP-камер
Цифровой видеорегистратор. Руководство пользователя 37 Рисунок 2-33 Дублирование пароля Если вы хотите восстановить пароль, если вы забыли его, необходимо экспортировать файл GUID в первую очередь. После того, как пароль будет сброшен, GUID файл становится нерабочим. Вы можете экспортировать нов...
Страница 40 - Рисунок 2-37 Установка нового пароля; Настоятельно рекомендуется; Добавление онлайн IP-камеры
Цифровой видеорегистратор. Руководство пользователя 39 Рисунок 2-37 Установка нового пароля РЕКОМЕНДУЕТСЯ ИСПОЛЬЗОВАТЬ НАДЕЖНЫЙ ПАРОЛЬ – Настоятельно рекомендуется использовать надёжный пароль (не менее 8 символов, включая буквы верхнего регистра, буквы нижнего регистра, цифры и специальные символы)...
Страница 41 - Рисунок 2-39 Выбор нескольких каналов
Цифровой видеорегистратор. Руководство пользователя 40 Рисунок 2-38 Меню управления IP-камерами 2. Онлайн камеры из одного сегмента сети будут обнаружены и будут отображены в списке камер. 3. Выберите IP-камеру из списка и нажмите кнопку для добавления камеры (с таким же паролем, как и пароль админи...
Страница 42 - Рисунок 2-40 Меню пользовательского добавления IP-камеры
Цифровой видеорегистратор. Руководство пользователя 41 ВАРИАНТ 2: 1. В меню IP Camera Management («Управление IP-камерой»), нажмите кнопку Custom Adding («Пользовательское добавление») для появления всплывающего меню Add IP Camera (Custom) («Добавить IP-камеру (Пользовательский режим)»). Рисунок 2...
Страница 43 - Рисунок 2-41 Успешно добавленные IP-камеры; спецификации устройства; Таблица 2-1 Описание иконок
Цифровой видеорегистратор. Руководство пользователя 42 Рисунок 2-41 Успешно добавленные IP-камеры Пожалуйста, обратитесь к спецификации устройства для уточнения количества подключаемых IP- камер к разным моделям . Таблица 2-1 Описание иконок Иконка Описание Иконка Описание Изменение основных парамет...
Страница 44 - Редактирование подключённой IP-камеры; Рисунок 2-43 Сетевая конфигурация камеры
Цифровой видеорегистратор. Руководство пользователя 43 2.6.3. Редактирование подключённой IP-камеры Цель : После добавления IP- камер , основная информация о камерах перечислена в меню , и вы можете настроить основные настройки IP- камер . Шаги: 1. Нажмите иконку для редактирования параметров . Вы м...
Страница 45 - Рисунок 2-44 Изменение пароля камеры; Настройка канала входного сигнала; Signal Input Status; Рисунок 2-45 Конфигурация типа входного сигнала
Цифровой видеорегистратор. Руководство пользователя 44 4. Вы можете изменить сетевую информацию и пароль камеры. Рисунок 2-44 Изменение пароля камеры 5. Нажмите OK для сохранения настроек и выхода из меню. 2.7. Настройка канала входного сигнала Шаги: 1. Войдите в меню Signal Input Status («Статус вх...
Страница 46 - Просмотр в реальном времени; Интерфейс просмотра в реальном времени; ESC; Иконки в режиме просмотра в реальном времени; Таблица 3-1 Описание иконок просмотра в реальном времени; Операции в режиме просмотра в реальном времени; Single Screen
Цифровой видеорегистратор. Руководство пользователя 45 Глава 3. Просмотр в реальном времени 3.1. Интерфейс просмотра в реальном времени Режим просмотра в реальном времени показывает вам видео , полученное с каждой камеры в реальном времени . DVR будет автоматически заходить в режим просмотра в реаль...
Страница 47 - Использование мышки в режиме просмотра в реальном времени; Таблица 3-2 Операции мышки в режиме просмотра в реальном времени; Menu
Цифровой видеорегистратор. Руководство пользователя 46 Start Recording («Начало записи») : поддерживается нормальная запись и запись при обнаружении движения . Output Mode («Режим вывода») : доступны режимы вывода: Standard («Стандартный») , Bright («Яркий») , Gentle («Мягкий») или Vivid («Красо...
Страница 48 - Enter
Цифровой видеорегистратор. Руководство пользователя 47 перед использованием Start Auto-Switch («Начало автопереключения»). Start Recording («Начало записи») На выбор доступно: начало записи всех каналов, начало продолжительной записи и начало записи при обнаружении движения . Add IP Camera («Добавит...
Страница 49 - Рисунок 3-1 Всплывающее меню при нажатии правой клавиши мышки; Переключение основного/вспомогательного выхода; Рисунок 3-2 Переключение основного и вспомогательного выхода; Cancel; Панель быстрых настроек при просмотре в реальном времени; Рисунок 3-3 Панель быстрых настроек; Таблице
Цифровой видеорегистратор. Руководство пользователя 48 Рисунок 3-1 Всплывающее меню при нажатии правой клавиши мышки 3.2.2. Переключение основного/вспомогательного выхода Шаги: 1. С помощью колёсика мыши дважды нажмите на экране выхода HDMI1/VGA, или HDMI2, или HDMI/VGA, или HDMI, или VGA, появится ...
Страница 50 - Таблица 3-3 Описание иконок панели быстрых настроек; PTZ; Рисунок 3-4 Цифровой зум; Image Settings; Разделу
Цифровой видеорегистратор. Руководство пользователя 49 Таблица 3-3 Описание иконок панели быстрых настроек Иконка Описание Иконка Описание Иконка Описание / Вкл. / Выкл. записи вручную Мгновенное воспроизведение / Без звука / Вкл. аудио Управление PTZ Цифровой зум Настройки изображения Выход из режи...
Страница 51 - Рисунок 3-5 Настройки изображения; Рисунок 3-6 Включение обнаружения лиц; Кодирование нулевого канала; Live View
Цифровой видеорегистратор. Руководство пользователя 50 Рисунок 3-5 Настройки изображения Обнаружение лиц может быть включено при нажатии на иконку. Всплывает диалоговое окно, представленное на Рисунке 3-6 . Нажмите Yes («Да») и будет включён полноэкранный режим просмотра в реальном времени для канал...
Страница 52 - Настройка параметров просмотра в реальном времени
Цифровой видеорегистратор. Руководство пользователя 51 Menu > Configuration > Live View («Меню > Конфигурация > Просмотр в реальном времени ») 2. Выберите вкладку Channel-Zero Encoding («Кодирование нулевого канала») . Рисунок 3-8 Просмотр в реальном времени - Кодирование нулевого канала...
Страница 53 - («Время задержки полноэкранного мониторинга»); Рисунок 3-11 Просмотр в реальном времени - Порядок камер
Цифровой видеорегистратор. Руководство пользователя 52 Доступные настройки в данном меню : Video Output Interface («Интерфейс видео выхода») : Выберите выход для настройки параметров . Если CVBS выход поддерживается , вы можете выбрать: Main CVBS («Основной CVBS») и HDMI/VGA качестве интерфейса ви...
Страница 54 - Диагностика качества видео вручную; Manual; Рисунок 3-12 Диагностика качества видео; Diagnose; Рисунок 3-13 Результат диагностики
Цифровой видеорегистратор. Руководство пользователя 53 3) Вы так же можете нажать для начала отображения в реальном времени всех каналов по порядку или нажать для остановки просмотра в реальном времени для всех каналов . Нажмите или для перехода к предыдущей или следующей странице . 4) Нажмите кнопк...
Страница 55 - Abnormal Brightness
Цифровой видеорегистратор. Руководство пользователя 54 Подключите камеру к устройству для диагностики качества видео. Может быть диагностировано три типа исключений : Blurred Image («Расплывчатое изображение»), Abnormal Brightness («Ненормальная яркость») и Color Cast («Цветовой оттенок»).
Страница 56 - Управление PTZ; Настройка параметров PTZ; PTZ Settings; Рисунок 4-1 Настройки PTZ; Camera
Цифровой видеорегистратор. Руководство пользователя 55 Глава 4. Управление PTZ 4.1. Настройка параметров PTZ Цель : Выполните процедуру, чтобы установить параметры для PTZ . Настройка параметров PTZ должна быть сделана прежде, чем вы начнёте управлять PTZ камерой . Шаги: 1. Войдите в меню PTZ Settin...
Страница 57 - Copy; Рисунок 4-3 Копирование в другие каналы; Omnicast VMS; Настройка PTZ предустановок, патрулей и шаблонов; Настройка предустановок
Цифровой видеорегистратор. Руководство пользователя 56 4. Выберите параметры PTZ камеры из выпадающего списка . Все параметры должны быть точно такими же как параметры PTZ камеры. Для коаксиального подключения камеры , вы можете выбрать PTZ протокол HIKVISION- C ( Coaxitron ). Убедитесь, что про...
Страница 58 - Рисунок 4-4 Настройки PTZ; Set; Вызов предустановки
Цифровой видеорегистратор. Руководство пользователя 57 Выполните следующие шаги для установки заранее заданного положения, с которого вы бы хотели, чтобы PTZ камера позиционировалась при возникновении события . Шаги: 1. Войдите в меню PTZ Settings («Настройки PTZ»). Menu>Camera>PTZ («Меню >...
Страница 59 - Настройка патрулей
Цифровой видеорегистратор. Руководство пользователя 58 Или нажмите кнопку PTZ на передней панели, или нажмите иконку управления PTZ в панели быстрой настройки , или выберите опцию PTZ в меню, всплывающем при нажатии правой кнопкой мыши, чтобы показать панель управления PTZ . 2. Выберите Camera («Кам...
Страница 60 - Вызов патруля
Цифровой видеорегистратор. Руководство пользователя 59 Рисунок 4-6 Настройки PTZ 2. Выберите номер патруля из выпадающего списка патрулей . 3. Нажмите кнопку Set («Установить») и добавьте ключевые точки к патрулю . Рисунок 4-7 Конфигурация ключевых точек 4. Настройте параметры ключевых точек , такие...
Страница 61 - Настройка шаблонов
Цифровой видеорегистратор. Руководство пользователя 60 Вызов патруля заставляет PTZ камеру перемещаться по определённому пути патрулирования . Шаги: 1. Нажмите кнопку PTZ в нижнем правом углу настройки интерфейса PTZ ; Или нажмите кнопку PTZ на передней панели, или нажмите иконку управления PTZ в па...
Страница 62 - Рисунок 4-9 Настройки PTZ; Start; Вызов шаблона
Цифровой видеорегистратор. Руководство пользователя 61 Рисунок 4-9 Настройки PTZ 2. Выберите номер шаблона из выпадающего списка . 3. Нажмите кнопку Start («Старт») и нажимайте соответствующие кнопки на панели управления для передвижения PTZ камеры, и нажмите кнопку Stop («Стоп») для остановки. Движ...
Страница 63 - Call Pattern; Нажмите кнопку; Stop Pattern; Настройка границ линейного сканирования; Эта функция поддерживается определёнными моделями.; Рисунок 4-11 Настройки PTZ
Цифровой видеорегистратор. Руководство пользователя 62 Рисунок 4-10 PTZ панель - Общее 3. Нажмите кнопку Call Pattern («Вызвать шаблон») для вызова шаблона. 4. Нажмите кнопку Stop Pattern («Остановить шаблон») для остановки вызова шаблона. 4.2.7. Настройка границ линейного сканирования Цель: Линейно...
Страница 64 - Вызов линейного сканирования; Рисунок 4-12 PTZ панель – Функции в одно касание; the; Linear Scan
Цифровой видеорегистратор. Руководство пользователя 63 2. Используйте кнопки направления, чтобы прокрутить камеру в местоположение, в котором вы бы хотели установить границу, и нажмите кнопку Left Limit («Левая граница») или Right Limit («Правая граница») для привязки положения к соответствующей гра...
Страница 65 - Настройка периода бездействия в одно касание; PTZ Settings; Рисунок 4-13 PTZ панель – Функции в одно касание
Цифровой видеорегистратор. Руководство пользователя 64 4.2.9. Настройка периода бездействия в одно касание Цель: Для некоторых определённых моделей скоростных купольных камер, может быть настроено выполнение определённых действий (сканирование, предустановка, патруль и др.) автоматически, после пери...
Страница 66 - Панель управления PTZ; Рисунок 4-14 Панель управления PTZ
Цифровой видеорегистратор. Руководство пользователя 65 4.3. Панель управления PTZ Чтобы войти в панель управления PTZ, есть два способа. ВАРИАНТ 1: В меню PTZ Settings («Настройки PTZ»), нажмите кнопку PTZ в нижнем правом углу после кнопки Back («Назад»). ВАРИАНТ 2: В режиме просмотра в реальном вре...
Страница 68 - Настройки записи и захвата; Настройка параметров кодирования; Advanced; Quota; Record Parameters
Цифровой видеорегистратор. Руководство пользователя 67 Глава 5. Настройки записи и захвата Захват изображений поддерживается определенными моделями DVR. 5.1. Настройка параметров кодирования Перед началом: 1. Убедитесь, что HDD уже установлен. Если нет, пожалуйста, установите HDD и инициализируйте е...
Страница 69 - Рисунок 5-3 Параметры записи; Camera Resolution
Цифровой видеорегистратор. Руководство пользователя 68 Рисунок 5-3 Параметры записи 2. Установите параметры записи. 1) Выберите вкладку Record («Запись») для настройки. 2) Выберите камеру из выпадающего списка камер. 3) Посмотрите Camera Resolution («Разрешение камеры») . 4) Настройте следующие пара...
Страница 70 - More Settings; Рисунок 5-4 Больше настроек в меню параметров записи; Раздел 5.8 Настройка
Цифровой видеорегистратор. Руководство пользователя 69 Max. Bitrate Range Recommended («Рекомендуемый диапазон макс. битрейта»): Рекомендуемый диапазон макс. битрейта предоставляется для справки. Max. Average Bitrate (Kbps) («Макс. средний битрейт (Кбит/сек)»): Установите макс. средний битрейт котор...
Страница 71 - Group; Рисунок 5-5 Копирование настроек камеры
Цифровой видеорегистратор. Руководство пользователя 70 Функция Redundant Record («Избыточная запись») доступна только когда режим HDD – Group («Группа»). Избыточные HDD необходимы для функции избыточной записи. Для получения подробной информации смотрите Раздел 13.3.2 Настройка свойств HDD . Д...
Страница 72 - Рисунок 5-7 Настройки захвата; Выберите камеру из выпадающего списка камер.; Настройка расписания записи и захвата; Войдите в меню; Рисунок 5-8 Расписание записи
Цифровой видеорегистратор. Руководство пользователя 71 Рисунок 5-7 Настройки захвата 2) Выберите камеру из выпадающего списка камер. 3) Настройте параметры. 4) Нажмите Apply («Применить») для сохранения настроек. 5) (Опционально) Если параметры могут быть использованы и для других камер, нажмите Cop...
Страница 73 - Рисунок 5-9 Редактирование расписания – Весь день
Цифровой видеорегистратор. Руководство пользователя 72 Различные типы записи отмечены различными цветами. Continuous («Непрерывная») : запись по расписанию. Event («Событие») : запись срабатывает по всем тревожным событиям. Motion («Движение») : запись срабатывает при обнаружении движения. Alarm («Т...
Страница 74 - Рисунок 5-11 Копирование расписания на другие дни; Опция; Holiday; Раздел 5.7 Настройка праздничной; для сохранения настроек и возвращения к предыдущему меню.; Рисование расписания
Цифровой видеорегистратор. Руководство пользователя 73 Рисунок 5-10 Редактирование расписания – Установка периода времени До 8 периодов времени может быть настроено для каждого дня. Периоды времени не могут пересекаться друг с другом. Для включения записи по событию, движению, тревоге, движению ...
Страница 75 - Рисунок 5-13 Рисование расписания захвата; Нажмите и потяните мышкой по расписанию.
Цифровой видеорегистратор. Руководство пользователя 74 Рисунок 5-12 Рисование расписания записи Рисунок 5-13 Рисование расписания захвата 2) Нажмите и потяните мышкой по расписанию. 3) Нажмите на другую область помимо таблицы расписания для завершения и выхода из рисования. Вы можете повторить шаг 4...
Страница 76 - Настройка записи или захвата при обнаружении движения; Motion Detection; Рисунок 5-14 Обнаружение движения; Enable Motion Detection; Рисунок 5-15 Обнаружение движения- Область обнаружения
Цифровой видеорегистратор. Руководство пользователя 75 5.3. Настройка записи или захвата при обнаружении движения Цель: Следуйте инструкциям для установки параметров обнаружения движения. В режиме просмотра в реальном времени, как только произойдет событие обнаружения движения, DVR может проанализир...
Страница 77 - Рисунок 5-16 Настройки обнаружения движения; Раздела 5.2 Настройка расписания записи и захвата; Настройка срабатывания записи и захвата по тревоге; Рисунок 5-17 Настройки тревог
Цифровой видеорегистратор. Руководство пользователя 76 4) Нажмите , и появится всплывающее сообщение с информацией о каналах. Рисунок 5-16 Настройки обнаружения движения 5) Выберите каналы, для которых вы бы хотели настроить срабатывание записи при обнаружении движения. 6) Нажмите Apply («Применить»...
Страница 78 - Рисунок 5-18 Настройки тревог – Тревожный вход; Enable; Рисунок 5-19 Обработка тревожных сигналов; Рисунок 5-20 Копирование тревожного входа
Цифровой видеорегистратор. Руководство пользователя 77 Рисунок 5-18 Настройки тревог – Тревожный вход 1) Выберите номер тревожного входа и настройте параметры тревоги. 2) Выберите N.O (normally open) («нормально открытый») или N.C (normally closed) («нормально закрытый») для типа тревоги. 3) Поставь...
Страница 79 - Alarm; Настройка срабатывания записи и захвата по событию; VCA settings; Рисунок 5-21 Настройки VCA; Разделе 10.3 Обнаружение пересечения линии; Trigger Channel; VCA
Цифровой видеорегистратор. Руководство пользователя 78 3. Настройте расписание. Пожалуйста, обратитесь к шагу 4 Раздела 5.2 Настройка расписания записи и захвата , вы можете выбрать Alarm («Тревога») как тип записи. 5.5. Настройка срабатывания записи и захвата по событию Цель: Запись, срабатывающая ...
Страница 80 - Рисунок 5-22 Установка срабатывающих каналов для VCA тревоги; Функция привязки PTZ доступна только для VCA настроек IP-камер.; Record Schedule Settings; Разделе 5.2 Настройка расписания записи и захвата.; Настройка записи вручную и непрерывного захвата; Manual Record; Рисунок 5-23 Запись вручную
Цифровой видеорегистратор. Руководство пользователя 79 Рисунок 5-22 Установка срабатывающих каналов для VCA тревоги Функция привязки PTZ доступна только для VCA настроек IP-камер. 5. Войдите в меню Record Schedule Settings («настройки расписания записи») ( Menu> Record> Schedule>Record Sche...
Страница 81 - Настройка записи и захвата в выходные; Record setting; Рисунок 5-24 Настройки праздников; Edit Holiday schedule
Цифровой видеорегистратор. Руководство пользователя 80 2. Включение записи вручную. Нажмите на иконку состояния перед номером камеры для изменения её на . Или нажмите на иконку состояния в поле Analog («Аналоговая») для включения записи вручную для всех каналов. 3. Выключение записи вручную. Нажмите...
Страница 82 - Рисунок 5-25 Редактирование настроек праздников; Разделу 5.2 Настройка расписания записи и захвата; Рисунок 5-26 Редактирование расписание - Праздники
Цифровой видеорегистратор. Руководство пользователя 81 Рисунок 5-25 Редактирование настроек праздников 2) Поставьте галочку Enable («Включить»). 3) Выберите Mode («Режим») из выпадающего списка. Есть три различных режима для формата даты для настройки расписания выходных: By Month («По месяцу»), By ...
Страница 83 - Настройка резервной записи и захвата
Цифровой видеорегистратор. Руководство пользователя 82 В таблице времени канала, отображаются оба расписания и выходного, и обычного дня. Повторите предыдущий шаг 4 для установки расписания выходных для других каналов. Если расписание праздников может также использоваться для других каналов, наж...
Страница 84 - Рисунок 5-29 Меню «Больше настроек»; Настройка HDD групп; Управление HDD группами
Цифровой видеорегистратор. Руководство пользователя 83 2) Нажмите Apply («Применить») для сохранения настроек. 3) Нажмите OK для возвращения в верхний уровень меню. 3. Войдите в меню Record setting («Настройки записи»). Menu> Record> Parameters («Меню> Запись> Параметры») 1) Выберите вкл...
Страница 85 - Рисунок 5-30 Расширенные настройки HDD; Защита файлов
Цифровой видеорегистратор. Руководство пользователя 84 Нажмите для входа в меню редактирования. 4. Настройка HDD групп. 1) Выберите номер группы HDD. 2) Нажмите Apply («Применить») для сохранения настроек. 3) Нажмите OK для возвращения в верхний уровень меню. 5. Повторите описанные выше шаги для нас...
Страница 86 - Рисунок 5-32 Экспорт – Результаты поиска
Цифровой видеорегистратор. Руководство пользователя 85 Рисунок 5-31 Экспорт 2. Выберите каналы, которые вы хотите исследовать, поставив галочку напротив них . 3. Настройте record mode («режим записи»), record type («тип записи»), file type («тип файла»), start time («время начала») и end time («врем...
Страница 87 - Рисунок 5-33 HDD Общее
Цифровой видеорегистратор. Руководство пользователя 86 Перед началом: Для редактирования свойств HDD, вам необходимо установить в качестве режима хранения – Group («Группа»). Смотрите Раздел 13.3 Управление HDD группами. Шаги: 1. Войдите в меню HDD setting («Настройки HDD»). Menu> HDD («Меню >...
Страница 90 - Конфигурация режима 1080P Lite; Рисунок 5-43 Расширенные настройки
Цифровой видеорегистратор. Руководство пользователя 89 5.12. Конфигурация режима 1080P Lite Цель: Когда режим 1080P Lite включён, разрешение кодирования в 1080P Lite (в режиме реального времени) поддерживается. Если нет, то до 1080P (не в режиме реального времени) поддерживается. Для Q серии DVR: ...
Страница 91 - Рисунок 5-46 Предупреждающее окно
Цифровой видеорегистратор. Руководство пользователя 90 Menu > Record («Меню > Запись») 2. Нажмите Advanced («Расширенные») для входа в меню Advanced Settings («Расширенные настройки»). 3. Снимите галочку 1080P Lite Mode («Режим 1080P Lite») и нажмите Apply («Применить»), появится следующее пре...
Страница 93 - Воспроизведение; Воспроизведение записанных файлов; Мгновенное воспроизведение; Мгновенное воспроизведение по каналу; Рисунок 6-1 Меню мгновенного воспроизведения; Воспроизведение по обычному поиску; Воспроизведение по каналу; Playback
Цифровой видеорегистратор. Руководство пользователя 92 Глава 6. Воспроизведение 6.1. Воспроизведение записанных файлов 6.1.1. Мгновенное воспроизведение Цель: Воспроизведение записанных видео файлов определённого канала в режиме просмотра в реальном времени. Поддерживается переключение каналов . Мгн...
Страница 94 - времени; Воспроизведение по времени; Рисунок 6-3 Календарь воспроизведения
Цифровой видеорегистратор. Руководство пользователя 93 Рисунок 6-2 Меню, всплывающее при нажатии правой клавишей мыши, в режиме просмотра в реальном времени Воспроизведение по времени Цель: Воспроизведение видео файлов, записанных в указанный период времени. Поддерживаются многоканальное одновременн...
Страница 95 - Меню воспроизведения; Рисунок 6-4 Меню воспроизведения
Цифровой видеорегистратор. Руководство пользователя 94 Если есть файлы записи для этой камеры в этот день в календаре, тогда значок на этот день отображается как . В противном случае он отображается как . Меню воспроизведения Вы можете выбрать основной поток или дополнительный поток из выпадающего с...
Страница 96 - Воспроизведение с помощью поиска по событию
Цифровой видеорегистратор. Руководство пользователя 95 Кнопка Операция Кнопка Операция Кнопка Операция / Воспроизведе ние в обратном направлении /Пауза Стоп Цифровой зум 30 сек. вперед 30 сек. назад / Пауза/Воспроизве дение Перемотка вперёд Пред. День Перемотка назад Полный экран Выход След. День Со...
Страница 97 - Рисунок 6-6 Поиск видео по обнаружению движения; Search; Рисунок 6-7 Выбор каналов для синхронного воспроизведения
Цифровой видеорегистратор. Руководство пользователя 96 Рисунок 6-6 Поиск видео по обнаружению движения 4. Нажмите Search («Поиск») и файлы записи, совпавшие с условиями поиска, будут отображены в списке. 5. Выберите файл и нажмите кнопку для воспроизведения . Вы можете нажать кнопку Back («Назад») д...
Страница 98 - Рисунок 6-8 Меню воспроизведения по событию; Воспроизведение по метке; Перед воспроизведением с помощью метки:
Цифровой видеорегистратор. Руководство пользователя 97 6. В меню Event Playback («Воспроизведение по событию») , вы можете выбрать main stream («основной поток») или sub-stream («доп. поток») из выпадающего списка для воспроизведения . Панель инструментов в нижней части меню Playback («Воспроизведен...
Страница 99 - Рисунок 6-9 Меню воспроизведения по времени
Цифровой видеорегистратор. Руководство пользователя 98 Menu>Playback («Меню > Воспроизведение») 2. Поиск и воспроизведение файлов записей . Обратитесь к Разделу 6.1.2 Воспроизведение по обычному поиску для получения подробной информации о поиске и воспроизведении файлов . Рисунок 6-9 Меню восп...
Страница 100 - Рисунок 6-11 Меню управления метками; Tag; Рисунок 6-12 Поиск видео по метке; Back
Цифровой видеорегистратор. Руководство пользователя 99 Рисунок 6-11 Меню управления метками Шаги: 1. Выберите Tag («Метка») из выпадающего списка в меню Playback («Воспроизведение») . 2. Выберите каналы , отредактируйте время начала и время окончания , и затем нажмите Search («Поиск») для входа в ме...
Страница 101 - Воспроизведение с помощью смарт поиска; Рисунок 6-13 Настройка обнаружения вторжения на IP-камере
Цифровой видеорегистратор. Руководство пользователя 100 Вы можете нажимать кнопки или button для выбора предыдущей или следующей метки. Пожалуйста, обратитесь к Таблице 6-1 для ознакомления с описанием кнопок на панели инструментов. 6.1.5. Воспроизведение с помощью смарт поиска Цель: Функция смарт...
Страница 102 - Рисунок 6-14 Меню смарт воспроизведения
Цифровой видеорегистратор. Руководство пользователя 101 Рисунок 6-14 Меню смарт воспроизведения 4. Выберите дату в календаре и нажмите кнопку для воспроизведения . Обратитесь к Таблице 6-2 для получения описания кнопок на панели инструментов смарт воспроизведения . Таблица 6-2 Детальное описание кно...
Страница 103 - Line Crossing Detection; Рисунок 6-15 Смарт настройки; Play Related Video at («Воспроизводить связанные видео со»):
Цифровой видеорегистратор. Руководство пользователя 102 целевых символов 5. Установите правила и области для смарт поиска VCA событий или событий движения . Line Crossing Detection («Обнаружение пересечения линии») Выберите кнопку , и нажмите на изображение, чтобы указать начальную и конечную точк...
Страница 104 - Рисунок 6-16 Установка фильтра результатов; Воспроизведение с помощью файлов журнала; Log Information; Рисунок 6-17 Меню поиска записей журнала; Log Search
Цифровой видеорегистратор. Руководство пользователя 103 8. ( Опционально ) ВЫ можете нажать для фильтрации найденных видеофайлов путём установки целевых символов, включая пол, возраст человека, и носит ли он/она очки. Рисунок 6-16 Установка фильтра результатов Функция фильтра результатов поддерживае...
Страница 105 - Рисунок 6-18 Результат поиска записей журнала; Рисунок 6-19 Меню воспроизведения по записям журнала; Воспроизведение с помощью подпериодов
Цифровой видеорегистратор. Руководство пользователя 104 Рисунок 6-18 Результат поиска записей журнала 3. Выберите запись журнала и нажмите кнопку для входа в меню Playback («Воспроизведение») . Если нет файлов записей в необходимый момент времени, окно с сообщением "Файлы не найдены" появитс...
Страница 106 - Sub-periods Playback; Рисунок 6-20 Меню воспроизведения по субпериодам; Воспроизведение внешнего файла
Цифровой видеорегистратор. Руководство пользователя 105 2. Выберите Sub-periods («Подпериоды») из выпадающего списка в верхнем левом углу страницы для входа в меню Sub-periods Playback («Воспроизведение подпериодов») . 3. Выберите дату и запустите процесс воспроизведения видео файла. 4. Выберите Spl...
Страница 107 - Рисунок 6-21 Меню воспроизведения внешних файлов; Воспроизведение изображений
Цифровой видеорегистратор. Руководство пользователя 106 Вы можете нажать кнопку для обновления списка файлов. 3. Выберите файл и нажмите кнопку для его воспроизведения. Рисунок 6-21 Меню воспроизведения внешних файлов 6.1.9. Воспроизведение изображений Цель: Захваченные изображения, хранящиеся на жё...
Страница 108 - Дополнительные функции воспроизведения; Покадровое воспроизведение
Цифровой видеорегистратор. Руководство пользователя 107 Рисунок 6-22 Результат поиска изображений 6. Панель инструментов в нижней части интерфейса воспроизведения может быть использована для управления процессом воспроизведения . Рисунок 6-23 Панель инструментов воспроизведения Таблица 6-3 Подробное...
Страница 109 - Цифровой зум; Рисунок 6-24 Нарисованная область цифрового зума; Многоканальное обратное воспроизведение
Цифровой видеорегистратор. Руководство пользователя 108 2. Одно нажатие на экране воспроизведения позволяет запустить воспроизведение или обратное воспроизведение одного кадра . Вы можете использовать кнопку в панели инструментов для остановки воспроизведения . 6.2.2. Цифровой зум Шаги: 1. Нажмите к...
Страница 110 - Рисунок 6-25 Меню 4-х канального синхронного воспроизведения
Цифровой видеорегистратор. Руководство пользователя 109 Рисунок 6-25 Меню 4-х канального синхронного воспроизведения 3. Нажмите кнопку для обратного воспроизведения выбранных каналов .
Страница 111 - Резервное копирование; Резервное копирование записанных файлов; Резервное копирование с помощью обычного поиска; Резервное копирование при помощи; Рисунок 7-1 Нормальный поиск видео для резервного копирования
Цифровой видеорегистратор. Руководство пользователя 110 Глава 7. Резервное копирование 7.1. Резервное копирование записанных файлов Перед началом: Пожалуйста, вставьте устройство резервного копирования в устройство . 7.1.1. Резервное копирование с помощью обычного поиска Цель : Записанные файлы или ...
Страница 112 - диск
Цифровой видеорегистратор. Руководство пользователя 111 Размер выбранных файлов отображается в левом нижнем углу окна. Рисунок 7-2 Результат нормального поиска видео для резервного копирования 5. Выберите видео файлы из Chart («Диаграмма») или List («Список») для экспорта , и нажмите кнопку Export (...
Страница 113 - Рисунок 7-5 Экспорт завершён; Резервное копирование с помощью поиска по событиям; USB
Цифровой видеорегистратор. Руководство пользователя 112 8. Нажмите кнопку Export («Экспорт») в меню Export («Экспорт») для начала резервного копирования . Во всплывающем окне , выберите экспортировать видеофайлы или проигрыватель на устройство резервного копирования . Нажмите OK для подтверждения . ...
Страница 114 - Рисунок 7-6 Поиск событий для резервного копирования; Рисунок 7-7 Результаты поиска событий; Раздела; Резервное копирование видео клипов
Цифровой видеорегистратор. Руководство пользователя 113 Рисунок 7-6 Поиск событий для резервного копирования 4. Задайте условия поиска и нажмите кнопку Search («Поиск») для входа в меню результатов поиска . Совпавшие видео файлы отображаются в режимах Chart («Диаграмма») или List («Список») . 5. Выб...
Страница 115 - Рисунок 7-8 Меню экспорта видео клипов; Управление устройствами резервного копирования; Рисунок 7-9 Управление устройствами хранения
Цифровой видеорегистратор. Руководство пользователя 114 1. Войдите в меню Playback («Воспроизведение») . 2. В течение воспроизведения , используйте кнопки или в панели инструментов воспроизведения, чтобы начать или остановить обрезку файлов записи . 3. Нажмите в меню управления файлами. Рисунок 7-8 ...
Страница 117 - Настройки тревог; Настройка обнаружения движения; Motion Detection; Рисунок 8-1 Меню установки обнаружения движения; Full Screen; Рисунок 8-2 Установка области обнаружения и чувствительности
Цифровой видеорегистратор. Руководство пользователя 116 Глава 8. Настройки тревог 8.1. Настройка обнаружения движения Шаги: 1. Войдите в меню Motion Detection («Обнаружение движения») в управлении камерой и выберите камеру, для которой вы бы хотели установить обнаружение движения . Menu> Camera&g...
Страница 119 - Настройки датчика тревоги; Рисунок 8-5 Подменю статуса тревоги меню конфигурации системы
Цифровой видеорегистратор. Руководство пользователя 118 8.2. Настройки датчика тревоги Цель: Установите метод обработки тревог внешнего датчика . Шаги: 1. Войдите в подменю Alarm Settings («Настройки тревог») меню System Configuration («Конфигурация системы») и выберите тревожный вход . Menu> Con...
Страница 120 - Linkage Action
Цифровой видеорегистратор. Руководство пользователя 119 Выберите один день недели, до восьми периодов времени может быть установлено в течение каждого дня . Периоды времени не должны повторяться или перекрываться. Рисунок 8-7 Установка расписания постановки на охрану тревожного входа 5. Выберите вкл...
Страница 121 - Обнаружение потери видео; Video Loss
Цифровой видеорегистратор. Руководство пользователя 120 Рисунок 8-8 Привязка PTZ к тревожному входу 7. Если вы хотите установить обработку действий для другого тревожного входа , повторите шаги выше или просто скопируйте настройки в него . Рисунок 8-9 Копирование настроек тревожного входа 8.3. Обнар...
Страница 122 - Рисунок 8-10 Меню настройки потери видео; Enable Video Loss Alarm
Цифровой видеорегистратор. Руководство пользователя 121 Рисунок 8-10 Меню настройки потери видео 2. Установите метод обработки потери видео . Поставьте галочку Enable Video Loss Alarm («Включить тревогу потери видео») . Нажмите кнопку для установки метода обработки потери видео . 3. Установите распи...
Страница 123 - Обнаружение тамперинга видео; Рисунок 8-12 Меню настройки тамперинга видео
Цифровой видеорегистратор. Руководство пользователя 122 4. Выберите вкладку Linkage Action («Связанные действия») для установки ответных действий при потере видео ( Пожалуйста, обратитесь к Разделу 8.7 Установка ответных действий по тревоге ). 5. Нажмите кнопку OK для завершения настройки потери вид...
Страница 124 - Установка диагностики качества видео в течение всего дня; Video Quality Diagnostics Settings
Цифровой видеорегистратор. Руководство пользователя 123 Периоды времени не должны повторяться или перекрываться. Рисунок 8-13 Установка расписания постановки на охрану тамперинга видео 3) Выберите вкладку Linkage Action («Связанные действия») для установки ответных действий при тревоге тамперинга ви...
Страница 125 - Рисунок 8-14 Меню диагностики качества видео; Enable Video Quality Diagnostics
Цифровой видеорегистратор. Руководство пользователя 124 Рисунок 8-14 Меню диагностики качества видео 2. Поставьте галочку Enable Video Quality Diagnostics («Включить диагностику качества видео»). Для включения диагностики качества видео, функция должна поддерживаться выбранной камерой. 3. Включите и...
Страница 126 - Обработка исключений; входного/записываемого
Цифровой видеорегистратор. Руководство пользователя 125 Рисунок 8-15 Установка расписания постановки на охрану для диагностики качества видео 3) Выберите вкладку Linkage Action («Связанные действия») для установки ответных действий при тревоге диагностики качества видео ( Обратитесь к Разделу 8.7 Ус...
Страница 127 - Exceptions; Рисунок 8-16 Меню настройки исключений; Enable Event Hint; Рисунок 8-17 Настройки подсказок событий
Цифровой видеорегистратор. Руководство пользователя 126 Шаги: 1. Войдите в меню Exceptions («Исключения») для обработки различных исключений . Menu> Configuration> Exceptions («Меню> Конфигурация> Исключения ») Рисунок 8-16 Меню настройки исключений 2. Поставьте галочку Enable Event Hint...
Страница 128 - Рисунок 8-18 Подробная информация о событии; Установка ответных действий по тревоге; CVBS
Цифровой видеорегистратор. Руководство пользователя 127 Рисунок 8-18 Подробная информация о событии 3. Установите связанные тревожные действия . Для получения подробной информации смотрите Раздел 8.7 Установка ответных действий по тревоге . 4. Нажмите Apply («Применить») для сохранения настроек . 8....
Страница 129 - Send Email; Trigger Alarm Output; Рисунок 8-19 Меню настройки тревожного выхода; Manually Clear
Цифровой видеорегистратор. Руководство пользователя 128 Посылает сигнал тревоги или исключение на удалённый тревожный хост при возникновении события . Тревожный хост обозначает ПК с установленным удалённым клиентом . Сигнал тревоги будет передаваться автоматически в режиме обнаружения, когда удалённ...
Страница 131 - Конфигурация POS; Настройка параметров POS; POS settings; POS; Рисунок 9-1 Настройки POS; POS; Privacy Settings
Цифровой видеорегистратор. Руководство пользователя 130 Глава 9. Конфигурация POS Этот раздел применим только к определенным моделям DVR. 9.1. Настройка параметров POS Шаги: 1. Войдите в меню POS settings («Настройки POS») . Menu > Configuration > POS > POS Settings («Меню > Конфигурация...
Страница 132 - Рисунок 9-2 Фильтрация POS информации конфиденциальности; Рисунок 9-3 Настройки универсального протокола
Цифровой видеорегистратор. Руководство пользователя 131 Рисунок 9-2 Фильтрация POS информации конфиденциальности 2) Отредактируйте Privacy Information («Конфиденциальная информация») в текстовом поле для того, чтобы скрыть информацию при наложении . Может быть настроено до 3- х полей с конфиденциаль...
Страница 133 - Рисунок 9-5 Настройки NUCLEUS; Usage; TCP; Рисунок 9-6 Настройки TCP подключения; UDP
Цифровой видеорегистратор. Руководство пользователя 132 Рисунок 9-5 Настройки NUCLEUS 2) Измените информацию Employee («Работник») , Shift («Сдвиг») и Terminal («Терминал»). Не более 32 символов может быть введено . 3) Нажмите OK для сохранения настроек . Если вы выбираете протокол NUCLEUS, по умо...
Страница 134 - Рисунок 9-7 Настройки UDP подключения
Цифровой видеорегистратор. Руководство пользователя 133 Рисунок 9-7 Настройки UDP подключения USB->RS-232 Connection («USB ->RS- 232 подключение») Настройте параметры порта конвертера USB- в -RS-232, включая serial number of port («порядковый номер порта») , baud rate («скорость передачи дан...
Страница 135 - address; Рисунок 9-11 Настройки мультикаст; source address; Рисунок 9-12 Настройки Sniff
Цифровой видеорегистратор. Руководство пользователя 134 При подключении DVR и POS машины при помощи мультикаст протокола , установите мультикаст address («адрес») и port («порт»). Рисунок 9-11 Настройки мультикаст Sniff Connection («Sniff подключение») Подключите DVR и POS машину при помощи Sniff....
Страница 136 - Рисунок 9-13 Настройки символов наложения; Рисунок 9-14 Копирование настроек POS; Настройка наложения канала; Overlay Channel
Цифровой видеорегистратор. Руководство пользователя 135 Рисунок 9-13 Настройки символов наложения Вы можете настроить размер и положение текстового поляна экране просмотра в реальном времени в меню настроек POS путём перетаскивания рамки. 8. Нажмите Apply («Применить») для активации настроек. 9. (Оп...
Страница 137 - Рисунок 9-15 Настройки наложения канала; Настройка POS тревоги; POS Settings
Цифровой видеорегистратор. Руководство пользователя 136 Рисунок 9-15 Настройки наложения канала 3. Вы так же можете нажать для накладывания всех POS элементов на первые восемь каналов по порядку . И иконка для очистки всех настроек наложения POS. 4. Нажмите Apply («Применить») для сохранения настрое...
Страница 139 - Рисунок 9-18 Установка привязки PTZ
Цифровой видеорегистратор. Руководство пользователя 138 Установите параметры привязки PTZ и нажмите кнопку OK для завершения настройки тревожного входа . Пожалуйста, проверьте, поддерживают ли PTZ или скоростная купольная камера привязку PTZ. Рисунок 9-18 Установка привязки PTZ 8. Нажмите OK для сох...
Страница 140 - VCA тревога; Обнаружение лиц; Face Detection
Цифровой видеорегистратор. Руководство пользователя 139 Глава 10. VCA тревога Цель: DVR может получать VCA тревогу ( обнаружение пересечения линии , обнаружение вторжения , обнаружение внезапного изменения сцены и обнаружение аудио исключений ) отправленную аналоговой камерой , VCA обнаружение должн...
Страница 141 - Раздела 8.1 Настройки обнаружения движения; Рисунок 10-2 Установка чувствительности обнаружения лиц; Обнаружение транспортных средств
Цифровой видеорегистратор. Руководство пользователя 140 4. Поставьте галочку Enable («Включить») для включения данной функции. 5. Нажмите для входа в меню настройки обнаружения лиц. Настройте срабатывающий канал, расписание постановки на охрану и связанные действия для тревоги обнаружения лиц. Пожал...
Страница 142 - Рисунок 10-3 Установка обнаружения ТС; Rule Settings; Рисунок 10-4 Настройки правил
Цифровой видеорегистратор. Руководство пользователя 141 Рисунок 10-3 Установка обнаружения ТС 5. Нажмите для настройки срабатывающего канала, расписания постановки на охрану и связанных действий для Blacklist («Чёрный список»), Whitelist («Белый список») и Others («Другие»). 6. Нажмите кнопку Rule S...
Страница 143 - Обнаружение пересечения линии
Цифровой видеорегистратор. Руководство пользователя 142 10.3. Обнаружение пересечения линии Цель: Данная функция может использоваться для обнаружения людей, транспортных средств и объектов, которые пересекли установленную виртуальную линию. Обнаружение пересечения линии может быть установлено в двух...
Страница 144 - Рисунок 10-5 Установка правил обнаружения пересечения линии
Цифровой видеорегистратор. Руководство пользователя 143 3) Нажмите OK для сохранения настроек правил и вернитесь к меню настройки обнаружения пересечения линии . Рисунок 10-5 Установка правил обнаружения пересечения линии 7. Нажмите и поставьте две точки в окне предпросмотра для того, чтобы нарисова...
Страница 145 - Обнаружение вторжения
Цифровой видеорегистратор. Руководство пользователя 144 10.4. Обнаружение вторжения Цель: Функция обнаружения вторжения предназначена для обнаружения людей, ТС или объектов, которые вошли в заранее определённый виртуальный участок, при срабатывании тревоги могут быть предприняты необходимые действия...
Страница 146 - Рисунок 10-7 Установка правил обнаружения вторжения; Рисунок 10-8 Рисунок области обнаружения вторжения
Цифровой видеорегистратор. Руководство пользователя 145 Рисунок 10-7 Установка правил обнаружения вторжения 4) Нажмите OK для сохранения настроек правил и вернитесь к меню настройки обнаружения вторжения . 7. Нажмите и нарисуйте четырёхугольник в окне предпросмотра, указав четыре вершины области обн...
Страница 147 - Обнаружение входа в регион
Цифровой видеорегистратор. Руководство пользователя 146 10.5. Обнаружение входа в регион Цель: Функция входа в регион обнаруживает людей, ТС и другие объекты, которые вошли в заранее определённый виртуальный участок, при срабатывании тревоги могут быть предприняты необходимые действия . Шаги: 1. Вой...
Страница 148 - Рисунок 10-9 Установка области обнаружения входа в регион; Обнаружение выхода из региона; Разделу 10.5 Обнаружение входа в регион; Обнаружение праздношатания
Цифровой видеорегистратор. Руководство пользователя 147 Рисунок 10-9 Установка области обнаружения входа в регион До 4-х правил может быть настроено. 8. Нажмите Apply («Применить») для сохранения настроек . 10.6. Обнаружение выхода из региона Цель: Функция выхода из региона обнаруживает людей, ТС и ...
Страница 149 - Threshold; Обнаружение скопления людей; Разделу 10.4 Обнаружение вторжения; Percentage; Обнаружение быстрого передвижения; Разделу 10.4 Обнаружение вторжения; Sensitivity
Цифровой видеорегистратор. Руководство пользователя 148 Пожалуйста, обратитесь к Разделу 10.4 Обнаружение вторжения для повторения шагов по настройке обнаружения праздношатания. Threshold («Порог») [1 сек - 10сек ] в Rule Settings («Настройки правил») определяет время зависания объекта в регионе...
Страница 150 - Обнаружение парковки; Обнаружение оставленных предметов багажа; Обнаружение удаления объекта
Цифровой видеорегистратор. Руководство пользователя 149 10.10. Обнаружение парковки Цель: Функция обнаружения парковки предназначена для обнаружения парковки в незаконном месте, таких как автомагистраль, односторонняя улица и др., при срабатывании тревоги могут быть предприняты необходимые действия ...
Страница 151 - Обнаружение аудио исключений
Цифровой видеорегистратор. Руководство пользователя 150 Пожалуйста, обратитесь к Разделу 10.4 Обнаружение вторжения для повторения шагов по настройке обнаружения удаления объекта. Threshold («Порог») [5сек - 20сек] в Rule Settings («Настройки правил») определяет время, в течение которого объект ...
Страница 152 - Рисунок 10-10 Установка правил обнаружения аудио исключений
Цифровой видеорегистратор. Руководство пользователя 151 Рисунок 10-10 Установка правил обнаружения аудио исключений 1) Поставьте галочку Audio Loss Exception («Исключение потери аудио») для включения соответствующей функции . 2) Поставьте галочку Sudden Increase of Sound Intensity Detection («Обнару...
Страница 153 - Обнаружение расфокусировки; Обнаружение внезапного изменения сцены; Разделу 10.1 Обнаружение лиц; Рисунок 10-11 Выключение других типов VCA обнаружения
Цифровой видеорегистратор. Руководство пользователя 152 10.14. Обнаружение расфокусировки Цель: Размытие изображения, вызванное расфокусировкой объектива, может быть обнаружено, при срабатывании тревоги могут быть предприняты необходимые действия . Пожалуйста, обратитесь к Разделу 10.1 Обнаружение...
Страница 154 - PIR тревога; Сохранять VCA изображения; trigger channel; Разделу 10.1 Обнаружение лиц
Цифровой видеорегистратор. Руководство пользователя 153 10.16. PIR тревога Цель: PIR ( Пассивная инфракрасная ) тревога срабатывает, когда нарушитель движется в поле зрения детектора . Тепловая энергия, выделяемая при этом человеком, или любым другим теплокровным существом, таким как собака, кошка и...
Страница 155 - VCA поиск; Поиск лиц; Face Search; Рисунок 11-1 Поиск лиц; start time
Цифровой видеорегистратор. Руководство пользователя 154 Глава 11. VCA поиск С помощью настроенного обнаружения VCA, устройство поддерживает функцию VCA поиска, необходимую для поиска по поведению, поиска лиц, поиска номерных знаков, подсчёта посетителей и обработки результатов теплокарты. 11.1. Поис...
Страница 156 - Рисунок 11-2 Меню поиска лиц; Export All; Резервное копирование
Цифровой видеорегистратор. Руководство пользователя 155 6. Нажмите Search («Поиск») для начала поиска. Результаты поиска изображений отображаются в списке или в диаграмме . Рисунок 11-2 Меню поиска лиц 7. Воспроизведите связанные с изображениями лиц видео файлы . Вы можете дважды нажать на изображен...
Страница 157 - Рисунок 11-3 Экспорт файлов; Поиск по поведению; Behavior Search
Цифровой видеорегистратор. Руководство пользователя 156 Рисунок 11-3 Экспорт файлов 11.2. Поиск по поведению Цель: Анализ поведения обнаруживает ряд подозрительного действий, основанный на VCA обнаружении, также могут быть предприняты определённые действия при срабатывании сигнализации. Шаги: 1. Вой...
Страница 158 - Рисунок 11-4 Меню поиска по поведению; VCA detection type; Рисунок 11-5 Результаты поиск по поведению
Цифровой видеорегистратор. Руководство пользователя 157 Рисунок 11-4 Меню поиска по поведению 4. Выберите VCA detection type («Тип VCA обнаружения») из выпадающего списка, включая обнаружение пересечения линии, обнаружение вторжения, обнаружение оставленных предметов, обнаружение удаления объектов, ...
Страница 159 - Поиск номерных знаков; Рисунок 11-6 Поиск номерных знаков
Цифровой видеорегистратор. Руководство пользователя 158 Вы так же можете нажать для остановки проигрывания , или нажать / для проигрывания пред./след. файла . 7. Если вы хотите экспортировать захваченные изображения на локальное устройство хранения данных, подключите устройство хранения и нажмите Ex...
Страница 160 - Раздела 11.1 Поиск лиц; Подсчёт людей; Рисунок 11-7 Интерфейс подсчёта людей
Цифровой видеорегистратор. Руководство пользователя 159 6. Нажмите Search («Поиск») для начала поиска . Результаты поиска изображений номерных знаков ТС отображаются в списке или в диаграмме . Пожалуйста, обратитесь к Шагам 7 - 8 Раздела 11.1 Поиск лиц для работы с результатами поиска. 11.4. Подсчёт...
Страница 161 - Тепловая карта; Рисунок 11-8 Меню тепловой карты
Цифровой видеорегистратор. Руководство пользователя 160 6. Вы можете нажать кнопку Export («Экспорт») для экспорта отчёта о статистике в формате excel. 11.5. Тепловая карта Цель: Тепловая карта – это графическое представление данных при помощи цветов. Функция тепловой карты обычно используется для а...
Страница 162 - о статистике в формате
Цифровой видеорегистратор. Руководство пользователя 161 Как показано на Рисунке 11-8 , блок красного цвета (255, 0, 0) указывает на наиболее популярную область, и блок синего цвета (0, 0, 255) указывает на менее популярную область. 6. Вы можете нажать кнопку Export («Экспорт») для экспорта отчёта о ...
Страница 163 - Сетевые настройки; Настройка общих параметров; Network Settings; Рисунок 12-1 Меню сетевых настроек; Настройка дополнительных параметров; Настройка параметров PPPoE; Рисунок 12-2 Меню PPPoE настроек
Цифровой видеорегистратор. Руководство пользователя 162 Глава 12. Сетевые настройки 12.1. Настройка общих параметров Цель: Сетевые настройки должны быть сконфигурированы прежде, чем DVR будет работать по сети. Шаги: 1. Войдите в меню Network Settings («Сетевые настройки»). Menu > Configuration &g...
Страница 164 - Настройка Hik Cloud P2P
Цифровой видеорегистратор. Руководство пользователя 163 3. Поставьте галочку Enable PPPoE («Включить PPPoE») для активации функции . 4. Введите User Name («Имя пользователя») и Password («Пароль») для PPPoE доступа . Имя пользователя и пароль должны быть назначены вашим провайдером. 5. Нажмите кнопк...
Страница 165 - Рисунок 12-3 Меню настройки Hik Cloud P2P; Настройка NTP-сервера; NTP
Цифровой видеорегистратор. Руководство пользователя 164 Рисунок 12-3 Меню настройки Hik Cloud P2P 7. Нажмите кнопку Apply («Применить») для сохранения настроек и выхода из меню . После конфигурации , вы можете получить доступ и управлять DVR при помощи мобильного телефона, на котором установлено при...
Страница 166 - Настройка NAT; UPnP; Рисунок 12-14 Меню настройки UPnPTM
Цифровой видеорегистратор. Руководство пользователя 165 Временной интервал между двумя синхронизациями может быть установлен от 1 до 10080 минут, значение по умолчанию - 60 минут. Если DVR подключён к сети общего пользования, вы должны использовать NTP сервер который имеет функцию синхронизации врем...
Страница 168 - Рисунок 12-17 Завершение настройки UPnPTM - Вручную; Конфигурация дополнительных параметров; Рисунок 12-18 Меню «больше настроек»; Мультикаст
Цифровой видеорегистратор. Руководство пользователя 167 Рисунок 12-17 Завершение настройки UPnP™ - Вручную 12.2.5. Конфигурация дополнительных параметров Шаги: 1. Войдите в меню Network Settings («Сетевые настройки») . Menu > Configuration > Network («Меню > Конфигурация > Сеть») 2. Выбе...
Страница 169 - Настройка HTTPS порта
Цифровой видеорегистратор. Руководство пользователя 168 RTSP Port («RTSP порт») : RTSP (Потоковый протокол реального времени ) это протокол управления сетью, предназначенный для использования в развлекательных и коммуникационных системах для управления серверами потоковой передачи. Введите RTSP по...
Страница 171 - Create; Рисунок 12-21 Свойства установленного сертификата; Save; Настройка Email
Цифровой видеорегистратор. Руководство пользователя 170 1) Нажмите кнопку Create («Создать») для создания запроса сертификата. 2) Загрузите запрос сертификата и представите его доверенному центру сертификации для подписи. 3) После получения подписанного действительного сертификата, необходимо импорт...
Страница 172 - Рисунок 12-22 Меню настройки Email; «Включить аутентификацию сервера»); SMTP; Sender’s Address; Email; Receiver’s Address
Цифровой видеорегистратор. Руководство пользователя 171 Рисунок 12-22 Меню настройки Email 3. Настройте следующие параметры Email: Enable Server Authentication (optional) ( «Включить аутентификацию сервера») ( опционально ): Поставьте галочку для включения аутентификации сервера . User Name («Имя по...
Страница 173 - Рисунок 12-23 Всплывающее предупреждающее сообщение; Проверка сетевого трафика; Network Traffic; Рисунок 12-24 Меню сетевого трафика
Цифровой видеорегистратор. Руководство пользователя 172 Для IP-камер, тревожные изображения напрямую отправляются как прикреплённые изображения по Email. До одного изображения можно отправить для одной IP-камеры. Прикреплённые фотографии связанных камер не могут быть отправлены. Для аналоговых к...
Страница 174 - Настройка сетевого обнаружения; Тестирование сетевых задержек и потери пакетов; Рисунок 12-25 Меню сетевого обнаружения; Экспорт сетевых пакетов
Цифровой видеорегистратор. Руководство пользователя 173 2. Вы можете посмотреть sending rate («скорость отправки») и receiving rate («скорость получения») информации в данном меню . Данные трафика обновляются каждую секунду . 12.3. Настройка сетевого обнаружения Цель: Вы можете получить статус сетев...
Страница 175 - Refresh; Рисунок 12-26 Экспорт сетевых пакетов; Проверка сетевого состояния; Status
Цифровой видеорегистратор. Руководство пользователя 174 3. Выберите устройство резервного копирования из выпадающего списка Device Name («Имя устройства») . Нажмите кнопку Refresh («Обновить») если подключённое локальное устройство резервного копирования не может быть отображено. Когда не удаётся об...
Страница 176 - Рисунок 12-28 Проверка сетевого состояния; Если сеть работает нормально, появится следующее окно.; Рисунок 12-29 Результат проверки сетевого состояния; Network; Рисунок 12-30 Конфигурация сетевых параметров; Проверка сетевой статистики; Network Statistics
Цифровой видеорегистратор. Руководство пользователя 175 Рисунок 12-28 Проверка сетевого состояния Если сеть работает нормально, появится следующее окно. Рисунок 12-29 Результат проверки сетевого состояния Если всплывающее сообщение появится с другой информацией в нем, вы можете нажать кнопку Network...
Страница 177 - Рисунок 12-31 Меню сетевого статуса
Цифровой видеорегистратор. Руководство пользователя 176 2. Нажмите вкладку Network Stat. («Сетевая статистика») для входа в соответствующее меню . Рисунок 12-31 Меню сетевого статуса 3. Посмотрите пропускную способность удаленного просмотра в реальном времени , пропускную способность удалённого восп...
Страница 178 - Управление HDD; Инициализация HDD; HDD Information; Рисунок 14-1 Меню информации HDD; Total Capacity; HDD; Рисунок 14-2 Подтверждение инициализации
Цифровой видеорегистратор. Руководство пользователя 177 Глава 13. Управление HDD 13.1. Инициализация HDD Цель: Новый установленный жёсткий диск (HDD) должен быть инициализирован, перед тем как он может использоваться вашим DVR. Шаги: 1. Войдите в меню HDD Information («Информация HDD») . Menu > H...
Страница 179 - Рисунок 14-3 Начало инициализации; Рисунок 14-4 Изменение статуса HDD на нормальный; Enable HDD Sleeping; Управление сетевыми HDD
Цифровой видеорегистратор. Руководство пользователя 178 4. Нажмите кнопку OK для начала инициализации . Рисунок 14-3 Начало инициализации 5. После того, как HDD инициализирован , статус HDD измениться с Uninitialized («Не инициализирован») на Normal («Нормальный») . Рисунок 14-4 Изменение статуса HD...
Страница 180 - Рисунок 14-6 Меню информации HDD; Рисунок 14-7 Меню добавления сетевого HDD; NAS
Цифровой видеорегистратор. Руководство пользователя 179 Рисунок 14-6 Меню информации HDD 2. Нажмите кнопку Add («Добавить») для входа в меню Add NetHDD («Добавление сетевого HDD») , как показано на Рисунке 0. Рисунок 14-7 Меню добавления сетевого HDD 3. Добавьте выделенный NetHDD. 4. Выберите type (...
Страница 181 - Рисунок 14-8 Добавление NAS диска; Add IP SAN; Рисунок 14-9 Добавление IP SAN диска; HDD Information
Цифровой видеорегистратор. Руководство пользователя 180 Рисунок 14-8 Добавление NAS диска Add IP SAN («Добавление IP SAN») : 1) Введите IP - адрес NetHDD в текстовом поле . 2) Нажмите Search («Поиск») для поиска доступных IP SAN дисков . 3) Выберите IP SAN диск из списка, показанного на рисунке ни...
Страница 182 - Рисунок 14-10 Инициализация добавленного NetHDD; Рисунок 14-11 Меню режима хранения
Цифровой видеорегистратор. Руководство пользователя 181 Рисунок 14-10 Инициализация добавленного NetHDD 13.3. Управление HDD группами 13.3.1. Настройка HDD групп Цель: Несколько жестких дисков могут управляться в группах . Видео из указанных каналов могут быть записаны в той или иной группе HDD чере...
Страница 183 - Рисунок 14-13 Меню настроек локального HDD; Group number; Рисунок 14-14 Подтверждение настроек групп HDD; Настройка свойств HDD; Настройка; Redundancy
Цифровой видеорегистратор. Руководство пользователя 182 Рисунок 14-13 Меню настроек локального HDD 7. Выберите Group number («Номер группы») для текущего HDD. По умолчанию номер группы для каждого HDD - 1. 8. Нажмите кнопку OK для подтверждения настроек . Рисунок 14-14 Подтверждение настроек групп H...
Страница 184 - Рисунок 14-15 Установка свойств HDD; to; Настройка режима квоты
Цифровой видеорегистратор. Руководство пользователя 183 Menu > HDD > General («Меню > HDD > Общее») 2. Выберите HDD из списка и нажмите иконку для входа в меню Local HDD Settings («Настройки локального HDD»), как показано на Рисунке 14 -15. Рисунок 14-15 Установка свойств HDD 3. Установи...
Страница 185 - Рисунок 14-17 Меню настройки режима хранения; Рисунок 14-18 Копирование настроек в другую камеру; Analog
Цифровой видеорегистратор. Руководство пользователя 184 Рисунок 14-17 Меню настройки режима хранения 4. Выберите камеру, для которой необходимо настроить квоту . 5. Введите ёмкость запоминающего устройства в текстовом поле Max. Record Capacity (GB) («Макс. ёмкость записи (ГБ) ») . 6. Вы можете скопи...
Страница 186 - Конфигурация облачного хранилища; Cloud Storage; One Drive, Google Drive; Рисунок 14-19 Меню настройки облачного хранилища; Раздел 5.2 Настройка расписания записи и захвата
Цифровой видеорегистратор. Руководство пользователя 185 13.5. Конфигурация облачного хранилища Цель: Облачное хранилище облегчает вам загрузку и скачивание записанных файлов, они доступны в любое время и в любом месте. Это может весьма повысить эффективность. Облачное хранилище применимо к HQHI-F/N ...
Страница 187 - Рисунок 14-20 Расписание записи; Upload Type; Рисунок 14-21 Меню загрузки в облачное хранилище
Цифровой видеорегистратор. Руководство пользователя 186 Рисунок 14-20 Расписание записи 8. Загрузите файлы, записанные по тревоге в облачное хранилище. 1) Вернитесь к входу в меню облачного хранилища, и выберите камеру, которую вы установили в меню расписания записи. 2) Выберите тип загрузки в текст...
Страница 188 - Рисунок 14-22 Меню копирования; Настройка клонирования дисков; HDD Advanced Setting
Цифровой видеорегистратор. Руководство пользователя 187 Нажмите кнопку OK для возвращения в меню облачного хранилища и нажмите Apply («Применить») для завершения настройки . Рисунок 14-22 Меню копирования 13.6. Настройка клонирования дисков Данный раздел применим только к DVR с eSATA. Цель: Если в р...
Страница 190 - Рисунок 14-26 Проверка хода клонирования; Проверка состояния HDD; Проверка HDD состояния в меню HDD Information («Информация HDD»); System Information
Цифровой видеорегистратор. Руководство пользователя 189 Вы можете проверить ход клонирования в статусе HDD. Рисунок 14-26 Проверка хода клонирования 13.7. Проверка состояния HDD Цель: Вы можете проверить состояние установленного HDD в DVR с тем, чтобы предпринять немедленную проверку и техническое о...
Страница 191 - Continue to use this disk when self-evaluation is failed; Обнаружение плохих секторов; HDD Detect
Цифровой видеорегистратор. Руководство пользователя 190 13.8. Проверка S.M.A.R.T информации Цель: S.M.A.R.T. ( Технология само-мониторинга, анализа и отчёта ) это система мониторинга для HDD, предназначенная для обнаружения и сообщения о различных показателях надёжности, в надежде предвидеть неиспра...
Страница 192 - Detect; Рисунок 14-30 Обнаружение плохих секторов; Pause; Конфигурация тревоги ошибки HDD; Uninitialized
Цифровой видеорегистратор. Руководство пользователя 191 3. Выберите HDD и нажмите кнопку Detect («Обнаружение») для начала поиска. Рисунок 14-30 Обнаружение плохих секторов 4. Вы можете нажать кнопку Pause («Пауза») для приостановки обнаружения и нажать кнопку Resume («Возобновить») для продолжения ...
Страница 193 - Рисунок 14-31 Настройка тревоги ошибки HDD
Цифровой видеорегистратор. Руководство пользователя 192 Рисунок 14-31 Настройка тревоги ошибки HDD 4. Когда выбрано Trigger Alarm Output («Срабатывание тревожного выхода») , вы можете так же выбрать тревожный выход, который будет срабатывать из списка ниже . 5. Нажмите Apply («Применить») для сохран...
Страница 194 - Настройки камеры; Настройка параметров OSD; Рисунок 15-1 Меню конфигурации OSD; OSD
Цифровой видеорегистратор. Руководство пользователя 193 Глава 14. Настройки камеры 14.1. Настройка параметров OSD Цель: Вы можете настроить параметры OSD (Отображение на экране) для камеры, включая дату/время, название камеры и др. Шаги: 1. Войдите в меню OSD Configuration («Конфигурация OSD») . Men...
Страница 195 - Рисунок 15-2 Копирование настроек в другие камеры; Настройка маски приватности
Цифровой видеорегистратор. Руководство пользователя 194 Рисунок 15-2 Копирование настроек в другие камеры 2) Выберите камеры, на которых вы бы хотели настроить такие же параметры OSD. Вы можете поставить галочку Analog («Аналог») для выбора всех камер . 3) Нажмите кнопку OK для завершения копировани...
Страница 196 - Рисунок 15-3 Меню настройки маски приватности; Clear All; Рисунок 15-4 Установка области маскирования; Настройка параметров видео; Настройка параметров изображения; Image Settings
Цифровой видеорегистратор. Руководство пользователя 195 Рисунок 15-3 Меню настройки маски приватности 4. Используйте мышь, чтобы нарисовать зону в окне. Зоны будут помечены различными цветами. Может быть настроено до 4 зон маскирования, размер каждой настраивается отдельно. 5. Настроенные области ма...
Страница 198 - Настройка параметров камеры; Рисунок 15-7 Настройки параметров камеры
Цифровой видеорегистратор. Руководство пользователя 197 для аналоговых камер и Brightness («Яркость»), Contrast («Контраст»), Saturation («Насыщенность») для IP- камер . Вы также можете нажать Restore («Восстановить»), чтобы установить параметры по умолчанию . 7. Вы можете нажать Copy («Копировать»)...
Страница 200 - Управление и обслуживание DVR; Просмотр системной информации; Рисунок 15-1 Меню системной информации; Device Information; Поиск файлов журнала
Цифровой видеорегистратор. Руководство пользователя 199 Глава 15. Управление и обслуживание DVR 15.1. Просмотр системной информации Шаги: 1. Войдите в меню System Information («Системная информация») . Menu > Maintenance > System Info («Меню > Обслуживание > Системная информация») 2. Вы ...
Страница 201 - Рисунок 15-2 Меню поиска записей журнала; Start Time; Рисунок 15-3 Результаты поиска по журналу
Цифровой видеорегистратор. Руководство пользователя 200 Рисунок 15-2 Меню поиска записей журнала 2. Задайте условия поиска в журнале для более точного поиска, включая Start Time («Время начала») , End Time («Время окончания») , Major Type («Тип») и Minor Type («Подтип») . 3. Нажмите кнопку Search («...
Страница 202 - Рисунок 15-4 Меню информации записи журнала; Рисунок 15-5 Экспорт записей журнала
Цифровой видеорегистратор. Руководство пользователя 201 Рисунок 15-4 Меню информации записи журнала 6. Если вы хотите экспортировать записи журнала , нажмите кнопку Export («Экспорт») для входа в меню экспорта , как показано на Рисунке 16-5. Рисунок 15-5 Экспорт записей журнала 7. Выберите устройств...
Страница 203 - Импорт/Экспорт файлов конфигурации; Import/Export Configuration File
Цифровой видеорегистратор. Руководство пользователя 202 Пожалуйста, подключите устройство резервного копирования к DVR перед экспортом записей журнала. Записи журнала, экспортируемые на устройство резервного копирования, именуются по времени экспорта, напр., 20110514124841logBack.txt . 15.3. Имп...
Страница 204 - Рисунок 15-6 Импорт/Экспорт файлов конфигурации; Обновление системы; Обновление при помощи устройства резервного копирования
Цифровой видеорегистратор. Руководство пользователя 203 Рисунок 15-6 Импорт/Экспорт файлов конфигурации 2. Нажмите кнопку Export («Экспорт») для экспорта файлов конфигурации на выбранное устройство для локального резервного копирования . 3. Для импорта файла конфигурации, выберите файл из выбранного...
Страница 205 - Рисунок 15-7 Меню локального обновления; Обновление при помощи FTP; Upgrade; Рисунок 15-8 Меню обновления при помощи FTP; Upgrade; Восстановление настроек по умолчанию; Default
Цифровой видеорегистратор. Руководство пользователя 204 Рисунок 15-7 Меню локального обновления 4. Выберите файл обновления на устройстве резервного копирования . 5. Нажмите кнопку Upgrade («Обновить») для начала процесса обновления . 6. После того как обновление будет завершено, перезагрузите DVR, ...
Страница 206 - Рисунок 15-9 Восстановление настроек по умолчанию; Restore Defaults
Цифровой видеорегистратор. Руководство пользователя 205 Рисунок 15-9 Восстановление настроек по умолчанию 2. Выберите тип восстановления из следующих трёх вариантов. Restore Defaults («Восстановление настроек по умолчанию») : Восстановление всех параметров , за исключением сетевых настроек ( включая...
Страница 207 - Другие настройки; Рисунок 16-1 Меню общих настроек; Английский
Цифровой видеорегистратор. Руководство пользователя 206 Глава 16. Другие настройки 16.1. Настройка общих параметров Цель: Можно настроить выходное разрешение, системное время, скорость перемещения указателя мыши, и т.д . Шаги: 1. Войдите в меню General Settings («Общие настройки») . Menu > Config...
Страница 208 - Настройки параметров DST; Рисунок 16-2 Меню настройки DST
Цифровой видеорегистратор. Руководство пользователя 207 Enable Password («Включить пароль») : Включить / выключить использование пароля для входа . Если вы поставите галочку Enable Password («Включить пароль») , каждый раз, когда вы входите на DVR, будет всплывать окно ввода графического пароля. Е...
Страница 210 - Рисунок 16-7 Включение расширенного режима; Enhanced VCA Mode («Расширенный режим VCA»); Рисунок 16-8 Отключение расширенного режима; Управление учётными записями пользователей; Administrator
Цифровой видеорегистратор. Руководство пользователя 209 («Меню>Запись>Параметры») может быть установлена максимально только как 15 кадр/сек. Main CVBS Scaling («Масштабирование основного CVBS»): Вы можете поставить галочку для включения масштабирования основного CVBS. Enhanced VCA Mode («Р...
Страница 211 - Добавление пользователей; Рисунок 16-9 Меню управления пользователями; User’s MAC
Цифровой видеорегистратор. Руководство пользователя 210 16.4.1. Добавление пользователей Шаги: 1. Войдите в меню User Management («Управление пользователями») . Menu >Configuration>User («Меню > Конфигурация > Пользователи») Рисунок 16-9 Меню управления пользователями 2. Нажмите кнопку A...
Страница 212 - Рисунок 16-12 Меню настройки разрешений пользователей
Цифровой видеорегистратор. Руководство пользователя 211 Level («Уровень») : Установите уровень пользователя: Оператор или Гость . Различные уровни пользователей имеют разные разрешения на операции . Operator («Оператор»): Оператор имеет разрешения на двухстороннее аудио в удалённой конфигурации и ...
Страница 214 - Удаление пользователей; User Management; Рисунке0
Цифровой видеорегистратор. Руководство пользователя 213 Remote Shutdown/Reboot («Удалённое выключение/Перезагрузка»): Удалённое выключение или перезагрузка устройства . Camera Configuration («Конфигурация камеры») Remote Live View («Удаленный просмотр в реальном времени») : Удалённый просмотр ви...
Страница 215 - Рисунок 16-13 Список пользователей; Редактирование пользователя; Рисунок 16-14 Меню редактирования пользователей
Цифровой видеорегистратор. Руководство пользователя 214 Рисунок 16-13 Список пользователей 3. Нажмите для удаления выбранного пользователя . 16.4.3. Редактирование пользователя Цель: У добавленных учётных записей пользователей вы можете редактировать параметры. Шаги: 1. Войдите в меню User Managemen...
Страница 216 - Рисунок 16-15 Установка графического пароля Администратора
Цифровой видеорегистратор. Руководство пользователя 215 вы хотите изменить пароль, введите новый пароль в поля Password («Пароль») и Confirm («Подтверждение пароля»). Рекомендуется использовать надёжный пароль . Admin («Администратор») Вы можете изменить только password («пароль») и MAC address («...
Страница 217 - User Management
Цифровой видеорегистратор. Руководство пользователя 216 6. ( Опционально ) Нажмите иконку напротив поля Draw Unlock Pattern («Нарисовать графический пароль») для изменения пароля . 7. ( Опционально ) Нажмите иконку напротив поля Export GUID («Экспорт GUID») для появления всплывающего меню Reset Pass...
Страница 218 - Приложение; Глоссарий; Ethernet; Hybrid DVR
Цифровой видеорегистратор. Руководство пользователя 217 Глава 17. Приложение 17.1. Глоссарий • Dual-Stream («Двойной поток») : Двойной поток — это технология, используемая для локальной записи изображения с высоким разрешением, при передаче в стандартном разрешении по сети . Два потока генерируются ...
Страница 219 - Поиск и устранение неисправностей; Новое устройство после запуска издаёт
Цифровой видеорегистратор. Руководство пользователя 218 • PAL: Акроним «Построчное изменение фразы » . PAL – это также ещё один видео стандарт, используемый в системах вещания телевизоров в больших частях мира. PAL сигнал содержит 625 строк развёртки с частотой 50Гц . • PTZ: Акроним «Панорамирование...