Hintek Т-02220, 2 кВт 04.01.01.000101 - Инструкция по эксплуатации

Hintek Т-02220, 2 кВт 04.01.01.000101

Обогреватель Hintek Т-02220, 2 кВт 04.01.01.000101 - инструкция пользователя по применению, эксплуатации и установке на русском языке. Мы надеемся, она поможет вам решить возникшие у вас вопросы при эксплуатации техники.

Если остались дополнительные вопросы — свяжитесь с нами через контактную форму.

1 Страница 1
2 Страница 2
3 Страница 3
4 Страница 4
5 Страница 5
6 Страница 6
7 Страница 7
8 Страница 8
9 Страница 9
10 Страница 10
11 Страница 11
12 Страница 12
13 Страница 13
14 Страница 14
15 Страница 15
16 Страница 16
17 Страница 17
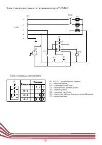
18 Страница 18
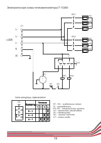
19 Страница 19
20 Страница 20
21 Страница 21
22 Страница 22
23 Страница 23
24 Страница 24
Страница: / 24
Загрузка инструкции

Руководство по эксплуатации

Гарантийный талон

Тепловентилятор электрический

Модели:

T-02220

T-09380

T-15380

Code-128

"Загрузка инструкции" означает, что нужно подождать пока файл загрузится и можно будет его читать онлайн. Некоторые инструкции очень большие и время их появления зависит от вашей скорости интернета.

Характеристики

Другие модели - Обогреватели Hintek

Все обогреватели Hintek