Green GRI-18HH2 / GRO-18HH3 - Инструкция по эксплуатации

Green GRI-18HH2 / GRO-18HH3

Кондиционер Green GRI-18HH2 / GRO-18HH3 - инструкция пользователя по применению, эксплуатации и установке на русском языке. Мы надеемся, она поможет вам решить возникшие у вас вопросы при эксплуатации техники.

Если остались дополнительные вопросы — свяжитесь с нами через контактную форму.

1 Страница 1
2 Страница 2
3 Страница 3
4 Страница 4
5 Страница 5
6 Страница 6
7 Страница 7
8 Страница 8
9 Страница 9
10 Страница 10
11 Страница 11
12 Страница 12
13 Страница 13
14 Страница 14
15 Страница 15
16 Страница 16
17 Страница 17
18 Страница 18
19 Страница 19
20 Страница 20
21 Страница 21
22 Страница 22
23 Страница 23
24 Страница 24
25 Страница 25
26 Страница 26
27 Страница 27
28 Страница 28
29 Страница 29
30 Страница 30
31 Страница 31
32 Страница 32
33 Страница 33
34 Страница 34
35 Страница 35
36 Страница 36
37 Страница 37
38 Страница 38
Страница: / 38

Содержание:

  • Страница 2 – Эксплуатация и обслуживания – правила эксплуатации
  • Страница 3 – Правила эксплуатации
  • Страница 4 – компрессора и защитит прибор.; Принцип работы и специальные функции при нагреве; другими отопительными приборами.
  • Страница 5 – После окончания автоматического размораживания.; Мягкий и слабый воздушный поток; а жалюзи - поворачиваться в определенное положение:; для модели IG; Рабочий диапазон температур; для модели
  • Страница 6 – Названия и функции каждой детали; дистанционного; Внутренний блок; Наружный блок; Пульт; Вход воздуха
  • Страница 7 – Названия и функции на пульте дистанционного управления; MODE Кнопка выбора режима; Работа пульта дистанционного управления; LIGHT
  • Страница 9 – SWING
  • Страница 10 – Управление на близком расстоянии
  • Страница 11 – О функции AUTO RUN (Автоматическая работа)
  • Страница 12 – есть подсветка индикатора.; Работа в чрезвычайных ситуациях; Открыв панель, ручной выключатель можно найти на коробке дисплея.; выключатель
  • Страница 13 – Чистка и уход за прибором; Снимите воздушный фильтр
  • Страница 14 – Проверьте надежность соединения провода заземления.; Обслуживание после окончания работы; Очистите наружный блок от пыли и мусора.
  • Страница 15 – Технические
  • Страница 16 – HH
  • Страница 17 – DB - по сухому термометру
  • Страница 18 – Устранение неисправностей; Проблема; Внимание
  • Страница 20 – ˇ ˆ
  • Страница 23 – Схема установки с размерами; Схема установке с размерами; Расстояние до стены
  • Страница 24 – Внутренняя; Скрученный
  • Страница 29 – Установка снегозащитного ограждения; Правильно; установки наружных блоков.
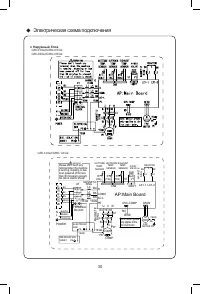
  • Страница 30 – Электрическая схема подключения; ● Наружный блок; 8K с тепловым насосом:
  • Страница 33 – СПИСОК СЕРВИСНЫХ ЦЕНТРОВ
  • Страница 35 – не должны выбрасываться вместе с обычными бытовыми отходами.; Для промышленных потребителей в Европейском Союзе; или к дилеру и узнайте правильный метод утилизации.; Примечание относительно символа батарейки (два нижних; Срок службы (эксплуатация в течении нескольких лет)
  • Страница 38 – Импортер: ООО «ВИЗОР»; Сертификат соответствия:
Загрузка инструкции

GRI-07HH2/GRO-07HH2

GRI-09HH2/GRO-09HH2

GRI-12HH2/GRO-12HH2

GRI-18HH2/GRO-18HH2

GRI-24HH2/GRO-24HH2

GRI-30HH2/GRO-30HH2

GRI-36HH2/GRO-36HH2

GRI-24IG2/GRO-24IG2

РУКОВОДСТВО ПОЛЬЗОВАТЕЛЯ

РУКОВОДСТВО ПО УСТАНОВКЕ

НАСТЕННЫЕ СПЛИТ-СИСТЕМЫ

ON/OFF И ИНВЕРТОРНОГО ТИПА ДЛЯ

КОНДИЦИОНИРОВАНИЯ ВОЗДУХА

GRI-07IG2/GRO-07IG2

GRI-09IG2/GRO-09IG2

GRI-12IG2/GRO-12IG2

GRI-18IG2/GRO-18IG2

"Загрузка инструкции" означает, что нужно подождать пока файл загрузится и можно будет его читать онлайн. Некоторые инструкции очень большие и время их появления зависит от вашей скорости интернета.

Краткое содержание

Страница 2 - Эксплуатация и обслуживания – правила эксплуатации

Эксплуатация и обслуживания – правила эксплуатации 1 В случае затруднений обратитесь за установкой к квалифицированным специалистам. Кроме того, нельзя подключать провода к газовой тру- бе, водопроводным трубам, трубам канализации и другим неподходя- щим местам. При работе кондиционера не оставляйте...

Страница 3 - Правила эксплуатации

Правила эксплуатации 2 Если шнур питания поврежден, он должен быть заменен производителем или сервисным центром либо квалифицированным персоналом. Направление потока воздуха можно регулировать. Во время работы, направление потока воздуха по вертикали регулируется с помощью изменения угла наклона жал...

Страница 4 - компрессора и защитит прибор.; Принцип работы и специальные функции при нагреве; другими отопительными приборами.

Особенности применения 3 Принцип работы и специальные функции при охлаждении Принцип: Кондиционер поглощает тепло в комнате и отводит его в наружный блок, где тепло выпускается в окружающую среду, поэтому температура внутри помещения снижается, а охлаждающая способность прибора зависит от температур...

Характеристики

Другие модели - Кондиционеры Green

Все кондиционеры Green