Генераторы Yamaha EF6300iSE 2012 - инструкция пользователя по применению, эксплуатации и установке на русском языке. Мы надеемся, она поможет вам решить возникшие у вас вопросы при эксплуатации техники.
Если остались вопросы, задайте их в комментариях после инструкции.
"Загружаем инструкцию", означает, что нужно подождать пока файл загрузится и можно будет его читать онлайн. Некоторые инструкции очень большие и время их появления зависит от вашей скорости интернета.

60
M
YR
B/W
L/R
R
/W
R/B
B
OFF
ON
START
R
R
B
B
G/W
B/R
R/W
Or/W
Y/W
R
Y
Y
Y
Y
YY
Y
G
L
Or
G/W
B/R
L/Y
L/R
L/W
Y/W
R/W
L/W
Or/W
R
R
Br
Or
L
G
P
Y
Or
L
GP
Y
Br
Or
L
YG
Or
Br
LG
Y
R
Y
G
B
P
B
P
Br
R
R
B
Y
Br
L
Y
Y
Y
Y
G
Or
R
L
Y
G
Or
L/W
G/W
R/W
Or/W
Y/W
L/W
L
L
Or
W
W
WW
W
W
W
Y
Y
Y
YY
Y
B
P
Y
Y
Y
Y
G
B
B
R
R
W
WW
W
W
W
G/R
W
G/R
B/W
Or
B/W
Or
B/W
L/Y
B/R
L/Y
L
Y
Or
L/W
R/W
Y/W
R/L
R/B
L/G
B/W
R/W
Br/W
G/Y
G/Y
G/Y
G/R
Y
G/R
Y
L/W
G/Y
L/W
G/Y
L/R
G/R
R
Or
Y
R/B
R/W
B/W
Y
R/B
R/W
B
L/R
R
W
R/B
G/Y
G/R
Y/W
L/W
L/G
G/Y
R/L
Y
B
R
B/W
R
Br
G/Y
G/Y
G/Y
L/R
R/B
R/W
B/W
Y
B
R
L/G
G/Y
R/L
B/W
Y
B/W
Y/W
L/W
R/Y
B/Y
R/Y
B/Y
R/Y
B
/Y
W
G/R
G/Y
R/B
Y
Y
Y
L
G/R
G/Y
L/W
Y
G/R
G/Y
L/W
G/Y
B/W
R
R
G/R
L/R
R/B
G/Y
Y
R
Or
R/W
R/W
2
&
%
a
d
c
=
(
)
b
g
f
e
h
i
1
3
44
4
5
6
7
8
9
0
!
"
§
r
u
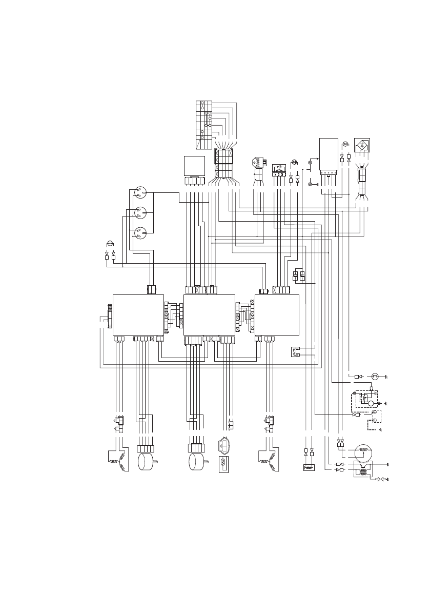
EF6300iSE (230 В a 50 Гц)



