Генераторы Yamaha EDL21000E 2012 - инструкция пользователя по применению, эксплуатации и установке на русском языке. Мы надеемся, она поможет вам решить возникшие у вас вопросы при эксплуатации техники.
Если остались вопросы, задайте их в комментариях после инструкции.
"Загружаем инструкцию", означает, что нужно подождать пока файл загрузится и можно будет его читать онлайн. Некоторые инструкции очень большие и время их появления зависит от вашей скорости интернета.

- 71 -
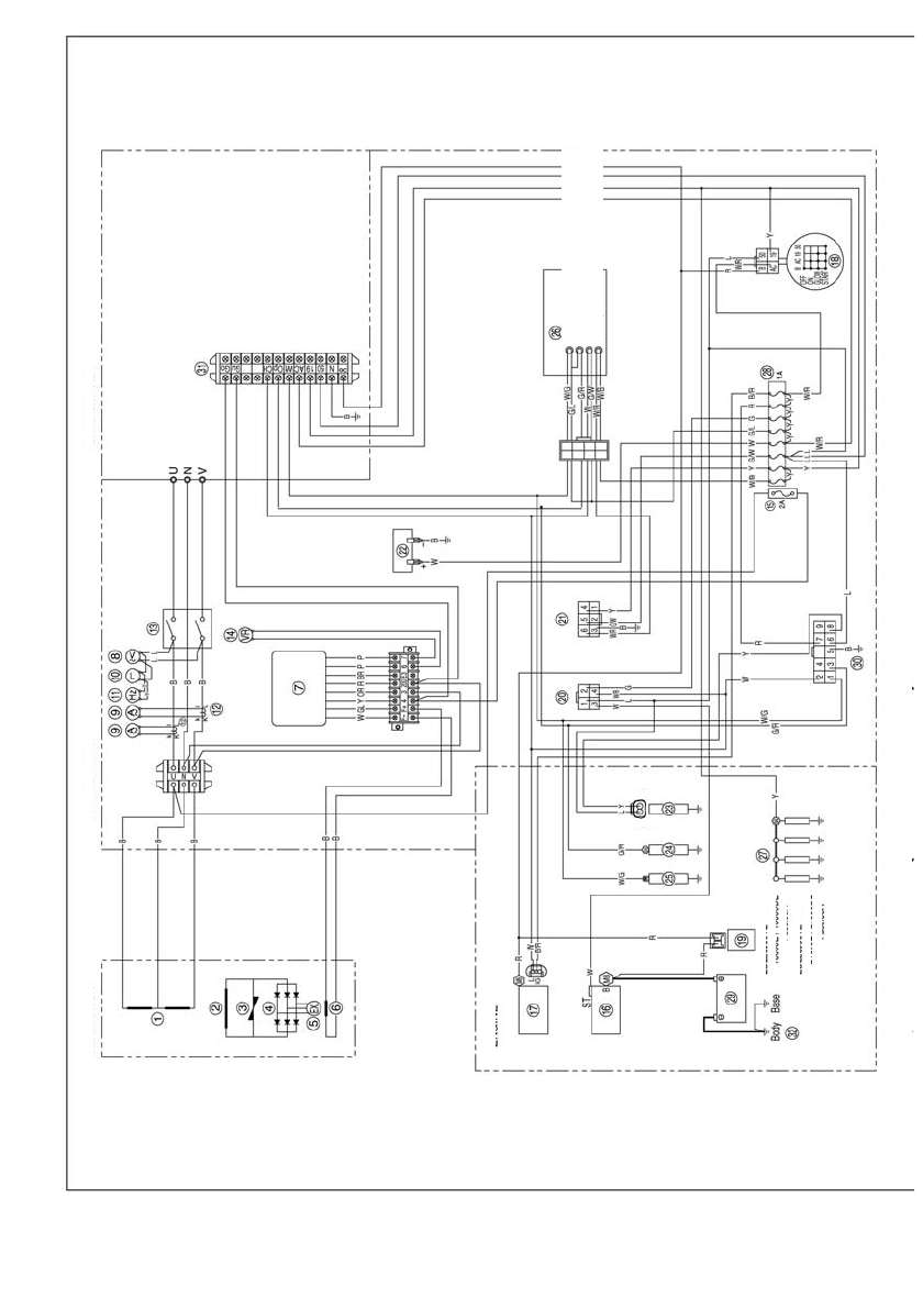
ГЕНЕР
А
ТОР
БЛОК УПР
АВЛЕНИЯ
ЭНЕРГ
ОУЗЕЛ
Сигнализатор высокой температуры охлаждающей жидкости
Сигнализатор низкого давления моторного масла
Сигнализатор неисправности системы зарядки
Индикатор свечей накаливания
ДВИГ
А
ТЕЛЬ
Корпус
Основание
Предохранитель: 65 А
21000E/21000DE
EDL26000TE
Предохранитель: 50 А
16000E/16000DE
EDL20000TE
EDL16000DE, EDL21000DE (120/240 В/60 Г
ц
)