Yamaha EDL16000E 2012 - Инструкция по эксплуатации - Страница 67

Генераторы Yamaha EDL16000E 2012 - инструкция пользователя по применению, эксплуатации и установке на русском языке. Мы надеемся, она поможет вам решить возникшие у вас вопросы при эксплуатации техники.

Если остались вопросы, задайте их в комментариях после инструкции.

"Загружаем инструкцию", означает, что нужно подождать пока файл загрузится и можно будет его читать онлайн. Некоторые инструкции очень большие и время их появления зависит от вашей скорости интернета.
Страница:
/ 78
Загружаем инструкцию
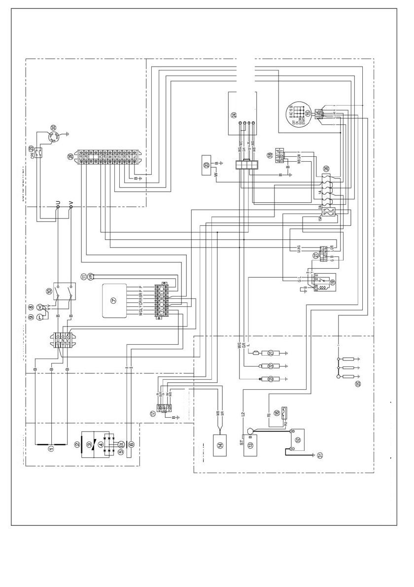
background image

- 62 -

ГЕНЕР

А

ТОР

БЛОК УПР

АВЛЕНИЯ

ЭНЕРГ

ОУЗЕЛ

Сигнализатор высокой температуры охлаждающей жидкости

Сигнализатор низкого давления моторного масла

 

Сигнализатор неисправности системы зарядки

 

Индикатор свечей накаливания

 

ПОСТЕЛЬ/Р

АМА

ДВИГ

А

ТЕЛЬ

EDL11000E (220 В/50 Г

ц

)

Полезные видео

Характеристики

Оцените статью
tehnopanorama.ru
Остались вопросы?

Не нашли свой ответ в руководстве или возникли другие проблемы? Задайте свой вопрос в форме ниже с подробным описанием вашей ситуации, чтобы другие люди и специалисты смогли дать на него ответ. Если вы знаете как решить проблему другого человека, пожалуйста, подскажите ему :)

Задать вопрос

Часто задаваемые вопросы
Как посмотреть инструкцию к Yamaha EDL16000E 2012?
Необходимо подождать полной загрузки инструкции в сером окне на данной странице
Руководство на русском языке?
Все наши руководства представлены на русском языке или схематично, поэтому вы без труда сможете разобраться с вашей моделью
Как скопировать текст из PDF?
Чтобы скопировать текст со страницы инструкции воспользуйтесь вкладкой "HTML"