Генераторы Yamaha EDA5000E 2012 - инструкция пользователя по применению, эксплуатации и установке на русском языке. Мы надеемся, она поможет вам решить возникшие у вас вопросы при эксплуатации техники.
Если остались вопросы, задайте их в комментариях после инструкции.
"Загружаем инструкцию", означает, что нужно подождать пока файл загрузится и можно будет его читать онлайн. Некоторые инструкции очень большие и время их появления зависит от вашей скорости интернета.

-33-
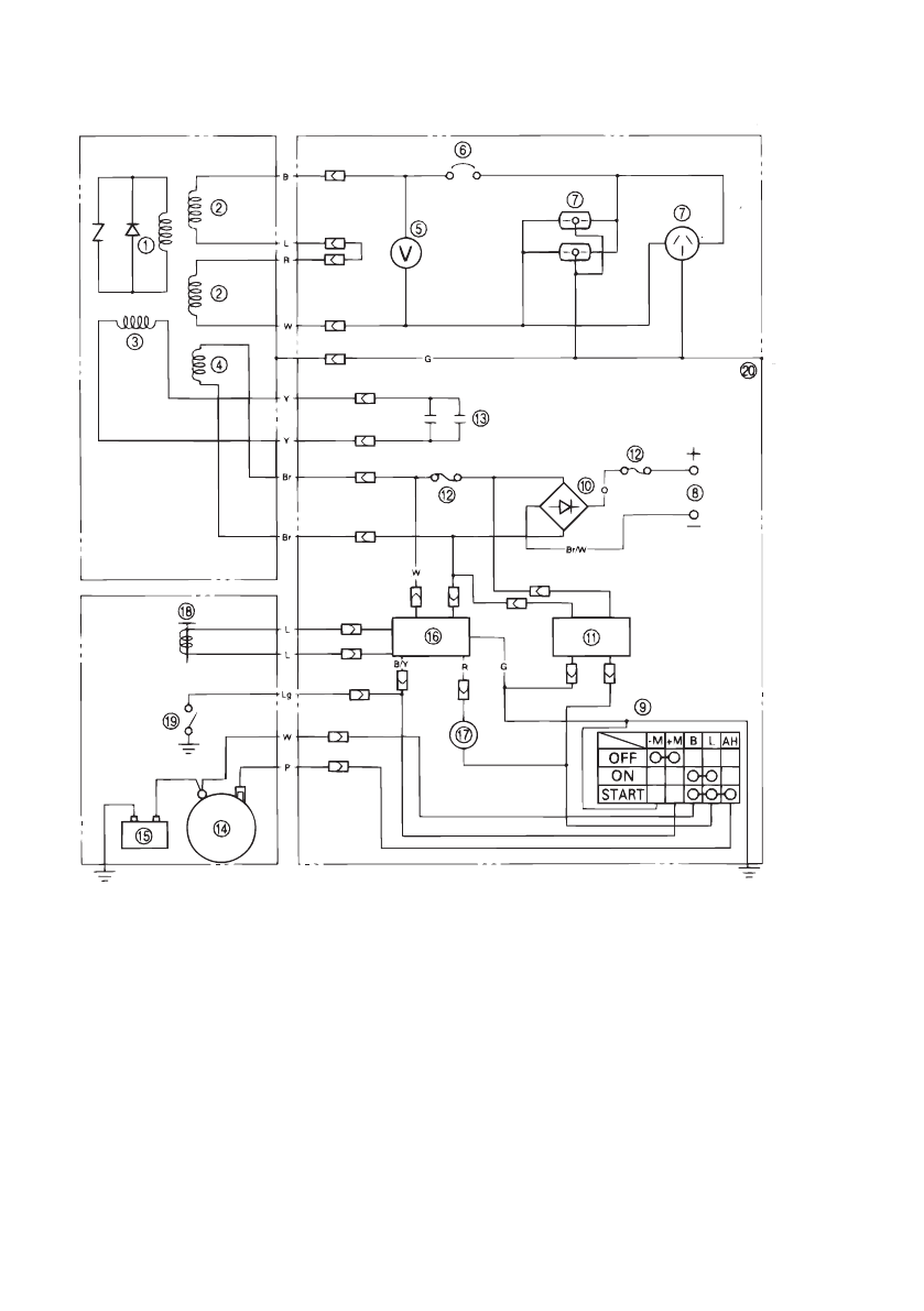
МоНтаЖНая сХеМа
[А] Генератор
[В] Блок управления
[С] Двигатель
1. Катушка обмотки возбуждения
2. Главная катушка
3. Вторичная катушка
4. Катушка постоянного тока
5. Вольтметр
6. Выключатель переменного тока с неплавким размыка-
телем
7. Розетка переменного тока
8. Клеммы постоянного тока
9. Выключатель двигателя
10. Диод
11. Выпрямитель-регулятор
12. Плавкий предохранитель
13. Конденсатор
14. Двигатель стартера
15. Аккумуляторная батарея
16. Датчик масла
17. Сигнальная лампа уровня масла
18. Соленоид
19. Переключатель давления масла
20. Клемма заземления
Цветовая маркировка
B
Черный
Br
Коричневый
G
Зеленый
R
Красный
O
Оранжевый
Br/W Коричнево-белый
L
Голубой
B/Y Черно-желтый
W
Белый
P
Розовый
Lg
Светло-зеленый