Генераторы Вепрь АБП 16-230 ВБ-БС - инструкция пользователя по применению, эксплуатации и установке на русском языке. Мы надеемся, она поможет вам решить возникшие у вас вопросы при эксплуатации техники.
Если остались вопросы, задайте их в комментариях после инструкции.
"Загружаем инструкцию", означает, что нужно подождать пока файл загрузится и можно будет его читать онлайн. Некоторые инструкции очень большие и время их появления зависит от вашей скорости интернета.

15
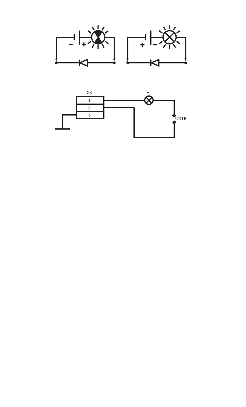
10.7. В случае потери возбуждения генератора, приложить к контактам розетки
генератора напряжение 230В в течение 1 сек. согласно схеме, рис. 4.
Рис.3
XS - розетка генератора; HL - лампа 25 Вт
Рис.4. Схема возбуждения генератора в случае его размагничивания
11. ХРАНЕНИЕ
11.1. Хранение до 1 месяца.
11.1.1. Выполнить работы по ТО.
11.2. Хранение свыше 1 месяца.
11.2.1. Выполнить работы по ТО.
Обслуживание электроагрегата перед длительным хранением - согласно
"Инструкции по эксплуатации двигателя".
11.2.2. Хранить электроагрегат в сухом помещении при температуре от -20 до
+40
о
С и относительной влажности не более 80%.
ВНИМАНИЕ! При длительном хранении слейте топливо из бензобака либо добавьте
присадку к топливу, уменьшающую процесс смолообразования.
12. ТРАНСПОРТИРОВАНИЕ
12.1. Транспортирование электроагрегата производится любым видом транспорта
в заводской упаковке или без нее с сохранением изделия от механических
повреждений, атмосферных осадков и воздействий химически активных веществ.
12.2. При транспортировании электроагрегата нельзя допускать наклона двигателя
более 20° в сторону воздушного фильтра. Нельзя также заливать масло в картер
выше установленной максимальной отметки. Невыполнение этих требований
ведет к попаданию масла в воздухофильтр и камеру сгорания. (Двигатель дымит,
не набирает обороты, затруднен запуск.)
13. ОБЕСПЕЧЕНИЕ ЗАПАСНЫМИ ЧАСТЯМИ
Уважаемый покупатель!
Вы приобрели электроагрегат "Вепрь" нового поколения, воплощающий в себе
богатый опыт нашего производства, точную технологию в сочетании с использова-
нием достижений ведущих мировых производителей.
Одобряя Ваш выбор, просим обратить внимание на содержание данной
инструкции.
Соблюдение простых, но важных правил эксплуатации и содержания генератора
обеспечит его надежную безаварийную службу.
По вопросу приобретения запасных частей и ремонта можно обратиться по
адресу:
127299, г.
Москва, ул. Большая Академическая, 7, тел. 787 42 13,
факс 742 28 97, e-mail: service@generator.ru.













