Генераторы Sturm PG8755E - инструкция пользователя по применению, эксплуатации и установке на русском языке. Мы надеемся, она поможет вам решить возникшие у вас вопросы при эксплуатации техники.
Если остались вопросы, задайте их в комментариях после инструкции.
"Загружаем инструкцию", означает, что нужно подождать пока файл загрузится и можно будет его читать онлайн. Некоторые инструкции очень большие и время их появления зависит от вашей скорости интернета.
Загружаем инструкцию

Инструкция по эксплуатации и техобслуживанию. Бензогенератор
. стр.
34
Содержание
- 3 Инструкция по эксплуатации и техобслуживанию. Бензогенератор; Информация об опасности
- 4 Ответственность оператора; Знать, как быстро остановить генератор в случае аварии.; Опасность угарного газа; Не закрывайте генератор какой-либо конструкцией.
- 5 Обозначение деталей
- 6 Автомат. выключатель цепи постоянного тока; Для запуска и остановки двигателя.
- 7 С встроенным электростартером; Не давайте стартеру отскакивать и ударяться о двигатель.
- 8 Топливный клапан
- 9 Дроссельный рычаг
- 10 Клемма заземления; Сигнальная лампочка горит, когда генератор работает нормально.; Клеммы постоянного тока
- 11 Использование генератора; Неправильные подключения к системе; полюс
- 12 Неправильные подключения к системе энергоснабжения здания; Схемы заземления генератора; Местные постановления, правила или законы могут требовать, чтобы; Применение переменного тока; Перед тем, как подключить прибор или шнур питания к генератору:
- 13 Вт
- 14 Работа с постоянным током; Перед подключением зарядных кабелей к батарее, которая; Защита цепи постоянного тока
- 15 Не запускайте автомобиль, пока подключены кабели зарядки; Отключение батарейных кабелей:; Остановите двигатель.
- 16 Предварительная проверка; Машинное масло – это главный фактор, который оказывает
- 17 Рекомендации в отношении топлива; Маслоналивное отверстие
- 18 Избегайте длительного или повторного попадания топлива; Емкость топливного бака; Используйте бензин с октановым числом 92.; Крышка топливного бака
- 19 Окисленное топливо; Если вы используете окисленное топливо, убедитесь,
- 20 Запуск двигателя
- 21 График техобслуживания
- 22 (3) Для профессионального коммерческого использования,; Замена машинного масла; Залейте рекомендованным маслом и проверьте уровень.; Пробка слива масла
- 23 Обслуживание воздухоочистителя; Использование бензина или горючего растворителя для; Воздухоочищающий элемент
- 24 Очистка топливного отстойника; Элемент
- 25 Обслуживание свечей зажигания; Рекомендуемые свечи зажигания:
- 26 поставляемый вместе с набором инструментов.; Колпачок свечи зажигания
- 27 Транспортировка/хранение
- 28 Время хранения
- 29 Медленно потяните ручку стартера, пока не почувствуете
- 30 Устранение неисправностей; Когда двигатель не запускается:; ПРЕДУПРЕЖДЕ
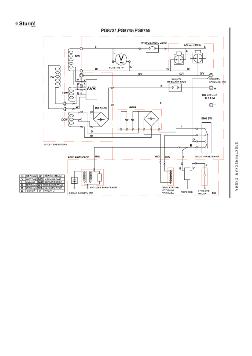
- 37 Технические характеристики; ДВИГАТЕЛЬ
- 39 Гарантийные обязательства.; На оборудование