Генераторы LIFAN DG8000 E 00-00005701 - инструкция пользователя по применению, эксплуатации и установке на русском языке. Мы надеемся, она поможет вам решить возникшие у вас вопросы при эксплуатации техники.
Если остались вопросы, задайте их в комментариях после инструкции.
"Загружаем инструкцию", означает, что нужно подождать пока файл загрузится и можно будет его читать онлайн. Некоторые инструкции очень большие и время их появления зависит от вашей скорости интернета.

29
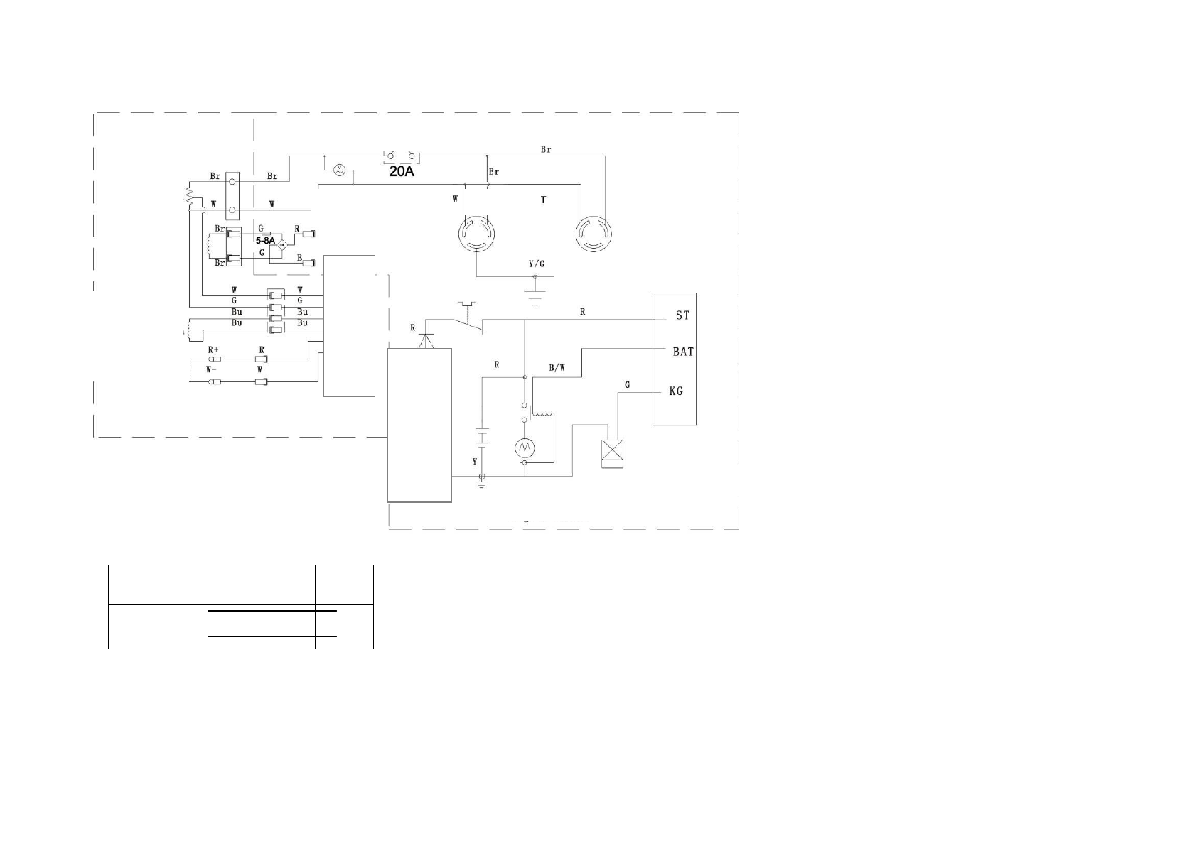
13.1 Однофазная
13.2 Трехфазная
ПРЕРЫВАТЕЛЬ ЦЕПИ
ВОЛЬТМЕТР
ГЛАВНАЯ
ОБМОТКА
РОЗЕТКА
БЛОК ПАНЕЛИ
УПРАВЛЕНИЯ
БЛОК ДВИГАТЕЛЯ
БЛОК ГЕНЕРАТОРА
соленоидный клапан для топлива
блок
КАТУШКА
ВОЗБУЖДЕНИЯ
НИЖНЯЯ
КАТУШКА
ВОЗБУЖДЕНИЯ
ЭЛЕКТРИЧЕСКИЙ ЗАПУСК
ав
то
м
атич
ески
й
рег
ул
ято
р
на
пря
ж
ени
я
ав
том
ат
ич
ес
кий
ре
гул
ят
ор
напр
яже
ния
ПЕРЕКЛЮЧАТЕЛЬ ДВИГАТЕЛЯ
KG
BAT
ST
ОТКЛ
ВКЛ
O
O
ЗАПУСК O
O
O













