Генераторы Калибр БЭГ-6511 А 00000044881 - инструкция пользователя по применению, эксплуатации и установке на русском языке. Мы надеемся, она поможет вам решить возникшие у вас вопросы при эксплуатации техники.
Если остались вопросы, задайте их в комментариях после инструкции.
"Загружаем инструкцию", означает, что нужно подождать пока файл загрузится и можно будет его читать онлайн. Некоторые инструкции очень большие и время их появления зависит от вашей скорости интернета.

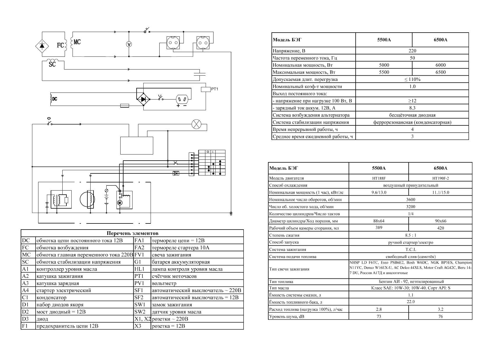
2. Òåõíè÷åñêèå õàðàêòåðèñòèêè
2.1
Ãåíåðàòîð
3
2.
2
Äâèãàòåëü
22
14. Ñõåìà ýëåêòðè÷åñêàÿ ïðèíöèïèàëüíàÿ
FA2
A4
êðàñíûé
G1
êîðè÷íåâûé
÷¸ðíûé
A3
A2
FV1
D3
æ¸ëòî
/
çåë¸íûé
êðàñíûé
÷/á
÷/á
SW2
ñèíèé
÷¸ðíî
/
áåëûé
æ¸ëòûé
HL1
FA1
X3
êðàñíûé
÷¸ðíûé
çåë¸íûé
F1
çåë¸íûé
ñèíèé
ñèíèé
êðàñíûé
êðàñíûé
X
1
X2
SF
1
êðàñíûé
D
1
æ¸ëò
î
/
çå
ë¸íûé
C1
PV
1
D2
æ¸ëòûé
æ¸ëòûé
A4
G1
Îáù.
A2
Çàð.
ïóñê
A1








