Генераторы Hyundai HY 300Si - инструкция пользователя по применению, эксплуатации и установке на русском языке. Мы надеемся, она поможет вам решить возникшие у вас вопросы при эксплуатации техники.
Если остались вопросы, задайте их в комментариях после инструкции.
"Загружаем инструкцию", означает, что нужно подождать пока файл загрузится и можно будет его читать онлайн. Некоторые инструкции очень большие и время их появления зависит от вашей скорости интернета.
Загружаем инструкцию

54
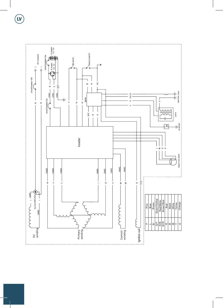
Ierīces elektriskā shēma:
Содержание
- 4 Описание изделия
- 5 Технические характеристики
- 6 Общий вид изделия
- 7 Информация по безопасности
- 8 Подготовка к работе
- 10 Эксплуатация; Подключение к домашней электросети:
- 11 Заземление генератора:
- 12 Поворотный выключатель
- 14 Предохранитель постоянного тока:
- 15 Крышка топливного бака:
- 19 Подключение нагрузки:
- 20 Обслуживание и уход
- 21 Проверка свечи зажигания:
- 22 Регулировка карбюратора:
- 23 Обслуживание воздушного фильтра:
- 25 Хранение и утилизация
- 26 Поиск неисправностей
- 29 Обозначения на электрической схеме:













