Генераторы FUBAG DSI 34 DAC ES, 431735 - инструкция пользователя по применению, эксплуатации и установке на русском языке. Мы надеемся, она поможет вам решить возникшие у вас вопросы при эксплуатации техники.
Если остались вопросы, задайте их в комментариях после инструкции.
"Загружаем инструкцию", означает, что нужно подождать пока файл загрузится и можно будет его читать онлайн. Некоторые инструкции очень большие и время их появления зависит от вашей скорости интернета.
Загружаем инструкцию

Содержание
- 4 ПРИВЕДЕННЫЕ ПРАВИЛА ТЕХНИКИ БЕЗОПАСНОСТИ ЯВЛЯЮТСЯ ОЧЕНЬ ВАЖ-
- 5 генератором во время выполнения заправки.; ПРЕДУПРЕЖДЕНИЕ
- 6 действию электролита.; легковоспламеняющиеся материалы.
- 7 нератора или когда двигатель является горячим.
- 8 мощи подъемного устройства.; РЕКОМЕНДАЦИИ ДЛЯ ОПЕРАТОРА И ПЕРСОНАЛА
- 9 ний и иных негативных воздействий генератора.
- 10 работанное масло может принять поставщик топлива).; вызванные неправильной установкой.; ПРАВИЛА ТЕХНИКИ БЕЗОПАСНОСТИ ПРИ ВЫПОЛНЕНИИ РАЗГРУЗКИ
- 11 Внимание: стропы должны располагаться
- 13 ные в разделе «Строповка».; УСТАНОВКА СТАЦИОНАРНЫХ ГЕНЕРАТОРОВ; ся нормы и правила, действующие в месте установки генератора.
- 15 Примеры возможных затруднений:; Заправка топливом невозможна.
- 17 Общие положения
- 18 Шумоуловитель; Пример установки
- 19 ется снаружи помещения.
- 20 его крепления и глушители будут более дорогими.; ПРИМЕЧАНИЕ
- 21 Основные части
- 23 обычно состоит из металличе-
- 24 Теплоизоляция
- 25 Реактивный шумопоглощающий; ставляет 70 мм
- 26 В противном случае произойдет выход его из строя.
- 29 Пример подъема; Примеры неправильного подъема
- 30 НЕПРАВИЛЬНО
- 31 вторное отражение звука от зданий.; ТЕХНИЧЕСКОЕ ОБСЛУЖИВАНИЕ
- 32 ПОДГОТОВКА ГЕНЕРАТОРА К ЭКСПЛУАТАЦИИ; ПРЕДУПРЕЖДЕНИЕ – ОПАСНОСТЬ; ПРОВЕРКА СОЕДИНЕНИЙ; - зарядное устройство аккумуляторной батареи; ИСПЫТАНИЕ ГЕНЕРАТОРА ПОД НАГРУЗКОЙ
- 33 ТЕХНИЧЕСКОЕ ОБСЛУЖИВАНИЕ АККУМУЛЯТОРНОЙ БАТАРЕИ; ОПАСНОСТЬ
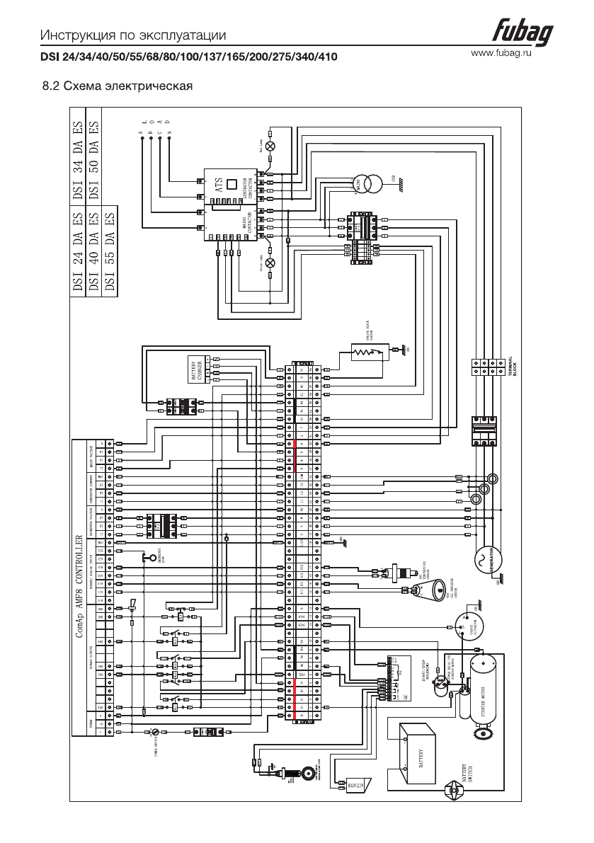
- 35 Схемы электрические; Схема коммутации альтернатора; Заводское подключение











