Генераторы FUBAG DS 670 DA ES 431727.3 - инструкция пользователя по применению, эксплуатации и установке на русском языке. Мы надеемся, она поможет вам решить возникшие у вас вопросы при эксплуатации техники.
Если остались вопросы, задайте их в комментариях после инструкции.
"Загружаем инструкцию", означает, что нужно подождать пока файл загрузится и можно будет его читать онлайн. Некоторые инструкции очень большие и время их появления зависит от вашей скорости интернета.

Инструкция по эксплуатации
DS
16/22/27/40/55/68/80/100/137/165/200/275/340/410/495/550/670
www.fubag.ru
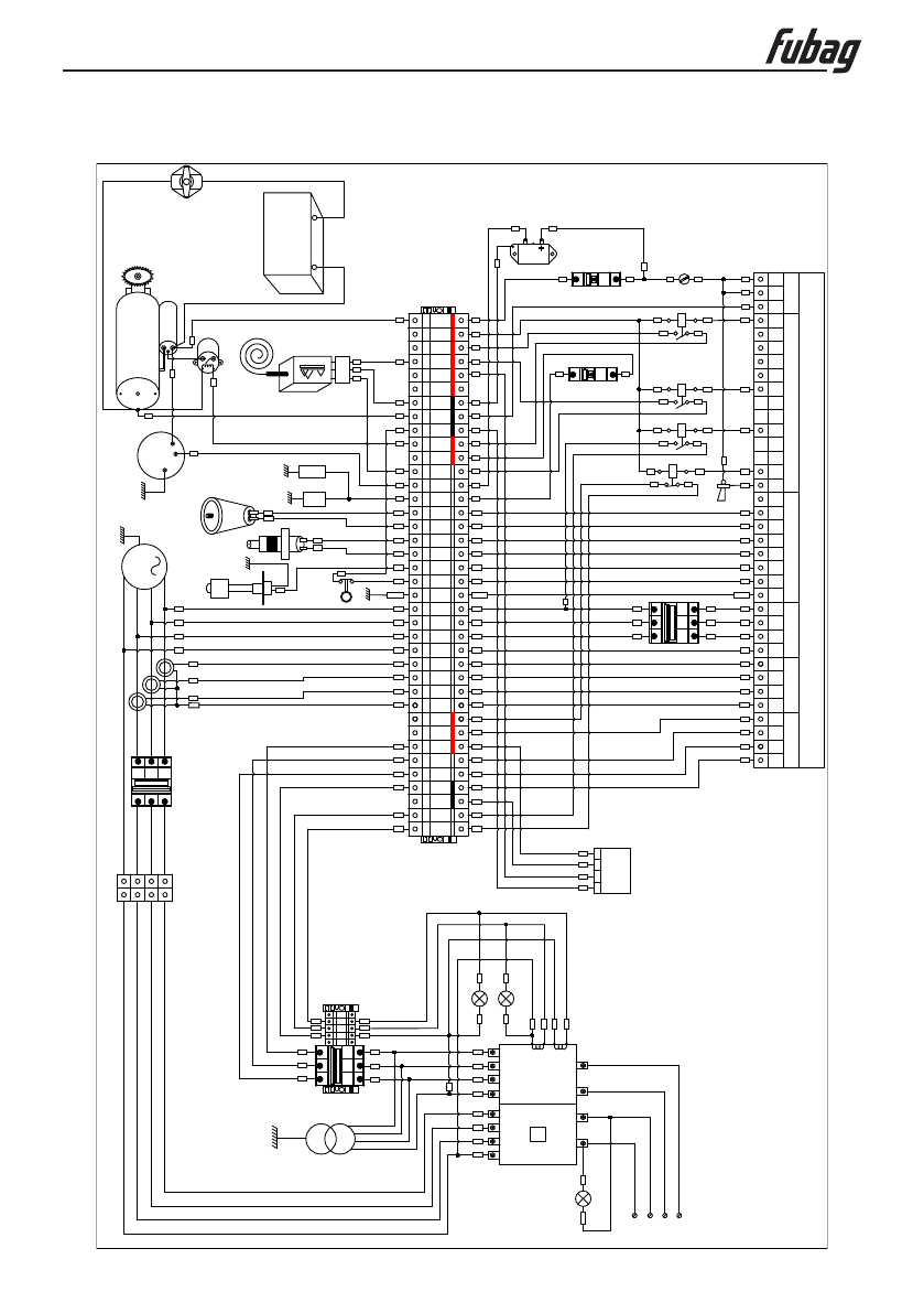
- 43 -
8.8 Схема электрическая DS 137 DAC ES / 200 DAC ES
+
-
BO3
BO2
BI1
BI2
BO6
AI1
AI2
BI4
COM
BI3
AI3
L1
BO4
5
7
8
9
10
11
12
24
26
27
13
14
15
16
17
18
21
22
28
29
25
23
4
2
B+
3
20
30
31
32
33
34
35
B+
B+
B+
B+
B-
B-
B-
92
91
F
92
L1
L2
L3
COM
BI2
AI1
BI1
AI2
AI3
BI3
U
V
W
N2
R
R
R
S
T
N1
N1
GC
MC
N
L2
L3
COM
CHINT
C6A
RL1
BO1
RL2
RL3
RL4
CHINT
C20A
BO5
BATTERY
CHARGER
+-
D+
F
STARTER MOTOR
POWER RELAY FOR
STARTER MOTOR
START / STOP
SOLENOID
EMERGENCY
STOP
F
CHARGE
ALTENATOR
B+
B-
GND
GND
WK
G
OIL PRESSURE
SENSOR
VDO
TEMPERATURE
SENSOR
VDO
GENERATOR
BATTERY
+
-
19
S.GND
LN
GND
TERMINAL
BLOCK
GND
FUEL LEVEL
SENSOR
POWER SWITCH
36
K
G
L1
L2
L3
N
L1
L2
L3
MAINS VOLTAGE
GENERATOR CURRENT
GENERATOR VOLTAGE
POWER
BINARY OUTPUTS
BINARY/ ANALOG INPUTS
OFF
ON
BATTERY
SWITCH
AIR
PREHEATER
ComAp AMF8 CONTROLLER
GND
C3 A
CHINT
ATS
A
B
C
N
L
O
A
D
GND
MAINS
Green Lamp 230V
R
ST
GENERATOR
CONTACTOR
MAINS
CONTACTOR
AC230V
UVW
N
N
102
103
104
105
AC230V
Red Lamp 230V
Red Lamp 230V
AB
CN
R
S
T
N
C3 A
CHINT
B+
D+
B-
B01
B03
B04
B05
B06
AI1
BI1
AI2
BI2
AI3
BI3
S.GND
U
V
W
N2
L1
L2
L3
COM
R
S
T
N1
B+
B+
B+
B01
B03
B04
90
92
92
B+
91
U
GC
B+
B05
R
MC
B+
F
B-
B+
B+
B+
B+
B+
B+
B+
B+
B-
B-
B-
92
91
F
GC
MC
AI1
BI1
AI2
BI2
AI3
BI3
U
V
W
N2
L1
L2
L3
COM
U
V
W
R
R
R
S
T
N1
N1
U
R
N1
B+
B-
B+
B-
91
B+
B+
90
B+
B+
B-
B-
B-
90
91
F
GC
MC
92
AI1
BI1
AI2
BI2
AI3
BI3
S.GND
U
V
W
N2
L1
L2
L3
COM
R
S
T
N1
B-
B-
F
AI1
BI1
AI2
BI2
AI3
U
V
W
N2
L1
L2
L3
COM
R
S
T
GC
MC
N1
GC
MC
N1
R
S
T
R
S
T
MC
N1
GC
N2
MC
GC
N2
N1
N1
N3
LOAD
N1
U
V
W
N2
1
B+
37
92
B+
B+
B+
S.GND
B+
U
V
W
6
90
90
38
FUEL
SOLENOID
GND
DS 200 DAC ES
DS 137 DAC ES
Содержание
- 4 ПРИВЕДЕННЫЕ ПРАВИЛА ТЕХНИКИ БЕЗОПАСНОСТИ ЯВЛЯЮТСЯ ОЧЕНЬ ВАЖ-
- 5 генератором во время выполнения заправки.; ПРЕДУПРЕЖДЕНИЕ
- 6 действию электролита.; легковоспламеняющиеся материалы.
- 7 нератора или когда двигатель является горячим.
- 8 мощи подъемного устройства.; РЕКОМЕНДАЦИИ ДЛЯ ОПЕРАТОРА И ПЕРСОНАЛА
- 9 ний и иных негативных воздействий генератора.
- 10 работанное масло может принять поставщик топлива).; вызванные неправильной установкой.; ПРАВИЛА ТЕХНИКИ БЕЗОПАСНОСТИ ПРИ ВЫПОЛНЕНИИ РАЗГРУЗКИ
- 11 Внимание: стропы должны располагаться
- 13 ные в разделе «Строповка».; УСТАНОВКА СТАЦИОНАРНЫХ ГЕНЕРАТОРОВ; ся нормы и правила, действующие в месте установки генератора.
- 15 Примеры возможных затруднений:; Заправка топливом невозможна.
- 17 Общие положения
- 18 Шумоуловитель; Пример установки
- 19 ется снаружи помещения.
- 20 Подача топлива; его крепления и глушители будут более дорогими.; ПРИМЕЧАНИЕ
- 21 Основные части
- 23 обычно состоит из металличе-
- 24 Теплоизоляция
- 25 Реактивный шумопоглощающий; ставляет 70 мм
- 26 спечивают полную защиту.
- 27 РАЗМЕЩЕНИЕ ГЕНЕРАТОРА В КОНТЕЙНЕРЕ; духа должны оставаться открытыми.; открыть перед запуском генератора.; ПРЕДУПРЕЖДЕНИЕ – ОПАСНОСТЬ; ПЕРЕМЕЩЕНИЕ, ТРАНСПОРТИРОВКА И РАЗМЕЩЕНИЕ КОНТЕЙНЕРОВ; Примеры оборудования и перемещения:
- 28 Пример подъема за скобу
- 29 Пример подъема; Примеры неправильного подъема
- 30 НЕПРАВИЛЬНО
- 31 вторное отражение звука от зданий.; ТЕХНИЧЕСКОЕ ОБСЛУЖИВАНИЕ
- 32 ПОДГОТОВКА ГЕНЕРАТОРА К ЭКСПЛУАТАЦИИ; ПРОВЕРКА СОЕДИНЕНИЙ; - зарядное устройство аккумуляторной батареи; ИСПЫТАНИЕ ГЕНЕРАТОРА ПОД НАГРУЗКОЙ
- 33 ТЕХНИЧЕСКОЕ ОБСЛУЖИВАНИЕ АККУМУЛЯТОРНОЙ БАТАРЕИ; ОПАСНОСТЬ; ПОРЯДОК ПРОВЕДЕНИЯ ПРОВЕРКИ АККУМУЛЯТОРНОЙ БАТАРЕИ СТАРТЕРА
- 36 Схемы электрические; Схема коммутации альтернатора; Заводское подключение
- 37 Схема электрическая DS 16 DA ES, DS 22 DA ES
- 38 Схема электрическая DS 16 DAC ES, DS 22 DAC ES
- 39 Схема электрическая DS 27 DA ES, DS 40 DA ES
- 40 Схема электрическая DS 27 DAC ES, DS 40 DAC ES











