Генераторы FUBAG DS 100 DAC ES 838787 - инструкция пользователя по применению, эксплуатации и установке на русском языке. Мы надеемся, она поможет вам решить возникшие у вас вопросы при эксплуатации техники.
Если остались вопросы, задайте их в комментариях после инструкции.
"Загружаем инструкцию", означает, что нужно подождать пока файл загрузится и можно будет его читать онлайн. Некоторые инструкции очень большие и время их появления зависит от вашей скорости интернета.

Инструкция по эксплуатации
DS 16/22/27/40/55/68/80/100
www.fubag.ru
- 38 -
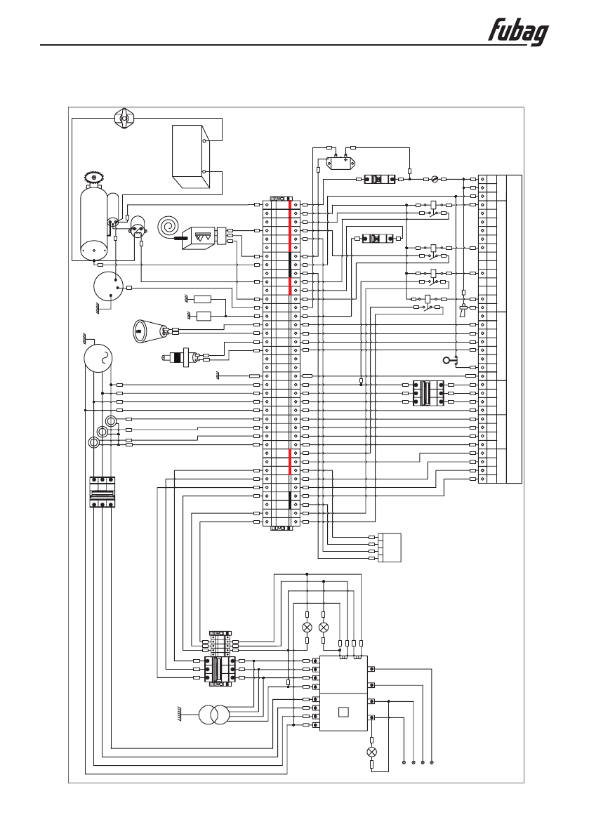
8.4 Схема электрическая DS 27 DA ES, DS 40 DA ES
%2
%2
%,
%,
%2
$,
$,
%,
&20
%,
$,
/
%2
%
%
%
%
%
%
%
%
)
/
/
/
&
20
%,
$,
%,
$,
$,
%,
89
:1
5
55
67
1
1
*&
0&
1
/
/
&20
CHINT
&
$
5/
%2
5/
5/
5/
CHINT
&$
%2
%$77(5<
&+$5*(5
'
)
67$57(502725
32:(55(/$<)25
67$57(502725
START / STOP
SOLENOID
)
&+$5*(
$/7(1$725
%
%
*1'
:.
*
2,/35(6685(
6(1625
9'2
GENERATOR
%$77(5
<
6*1'
/1
*1'
32:(56:,7&+
/
/
/
1
/
/
/
0$,1692/7$*
(
*(1(5$725&855(1
7
*(1(5$72592/7$*(
32:(5
%,1$5<2873876
%,1$5<$1$/2*,13876
2)
)2
1
%$77(5
<
6:,7&+
&RP$S$0)&21752//(5
&$
CHINT
$7
6
$
%
&
1
/
2
$
'
*1
'
0$,16
*UHHQ/DPS
9
56
7
*(1(5$72
5
&217$&72
5
0$,1
6
&217$&72
5
$&9
89
:
1
1
$&9
5HG/DPS
9
5HG/DPS
9
$%
&1
5
6
7
1
&$
CHINT
%
'
%
%
%
%
%
%
$,
%,
$,
%,
6*1'
8
9
:
1
/
/
/
&20
5
6
7
1
%
%
%
%
%
%
%
8
*&
%
%
5
0&
%
)
%
%
%
%
%
%
%
%
%
%
%
%
)
*&
0&
$,
%,
$,
%,
8
9
:
1
/
/
/
&20
8
9
:
5
5
5
6
7
1
1
8
5
1
%
%
%
%
%
%
%
%
%
%
)
*&
0&
$,
%,
8
9
:
1
/
/
/
&20
5
6
7
1
%
)
$,
%,
8
9
:
1
/
/
/
&20
5
6
7
*&
0&
1
*&
0&
1
5
6
7
5
6
7
0&
1
*&
1
0&
*&
1
1
1
1
/2$'
1
8
9
:
1
%
%
%
%
6*1'
%
8
9
:
(0(5*(1&<
6723
*1'
%,
6*1'
7(03(5$785(
6(1625
9'2
.
*
$,
%,
$,
%,
$,5
35(+($7(5
*1'
)8(/
62/(12,'
*1'
Содержание
- 3 СИМВОЛЫ И ИХ ЗНАЧЕНИЯ
- 4 ПРАВИЛА ТЕХНИКИ БЕЗОПАСНОСТИ; ПРИВЕДЕННЫЕ ПРАВИЛА ТЕХНИКИ БЕЗОПАСНОСТИ ЯВЛЯЮТСЯ ОЧЕНЬ ВАЖ-
- 5 генератором во время выполнения заправки.; ПРЕДУПРЕЖДЕНИЕ
- 6 действию электролита.; легковоспламеняющиеся материалы.
- 7 нератора или когда двигатель является горячим.
- 8 ПЕРВАЯ ПОМОЩЬ; мощи подъемного устройства.; РЕКОМЕНДАЦИИ ДЛЯ ОПЕРАТОРА И ПЕРСОНАЛА
- 9 ний и иных негативных воздействий генератора.
- 10 работанное масло может принять поставщик топлива).; вызванные неправильной установкой.; ПРАВИЛА ТЕХНИКИ БЕЗОПАСНОСТИ ПРИ ВЫПОЛНЕНИИ РАЗГРУЗКИ
- 11 Внимание: стропы должны располагаться
- 12 ИНСТРУКЦИЯ ПО ПЕРЕМЕЩЕНИЮ
- 13 ные в разделе «Строповка».; УСТАНОВКА СТАЦИОНАРНЫХ ГЕНЕРАТОРОВ; ся нормы и правила, действующие в месте установки генератора.
- 15 Примеры возможных затруднений:; Заправка топливом невозможна.
- 16 ПРИМЕЧАНИЕ
- 17 Общие положения
- 18 Шумоуловитель; Пример установки
- 19 ется снаружи помещения.
- 20 его крепления и глушители будут более дорогими.
- 21 Основные части
- 23 обычно состоит из металличе-
- 24 Теплоизоляция
- 25 Реактивный шумопоглощающий; ставляет 70 мм
- 26 спечивают полную защиту.
- 27 РАЗМЕЩЕНИЕ ГЕНЕРАТОРА В КОНТЕЙНЕРЕ; духа должны оставаться открытыми.; открыть перед запуском генератора.; ПРЕДУПРЕЖДЕНИЕ – ОПАСНОСТЬ; ПЕРЕМЕЩЕНИЕ, ТРАНСПОРТИРОВКА И РАЗМЕЩЕНИЕ КОНТЕЙНЕРОВ; Примеры оборудования и перемещения:
- 28 Пример подъема за скобу
- 29 Пример подъема; Примеры неправильного подъема
- 30 НЕПРАВИЛЬНО
- 31 вторное отражение звука от зданий.; ТЕХНИЧЕСКОЕ ОБСЛУЖИВАНИЕ
- 32 ПОДГОТОВКА ГЕНЕРАТОРА К ЭКСПЛУАТАЦИИ; ПРОВЕРКА СОЕДИНЕНИЙ; - зарядное устройство аккумуляторной батареи; ИСПЫТАНИЕ ГЕНЕРАТОРА ПОД НАГРУЗКОЙ
- 33 ТЕХНИЧЕСКОЕ ОБСЛУЖИВАНИЕ АККУМУЛЯТОРНОЙ БАТАРЕИ; ОПАСНОСТЬ
- 35 Схемы электрические; Схема коммутации альтернатора; Заводское подключение
- 36 Схема электрическая DS 16 DA ES, DS 22 DA ES
- 37 Схема электрическая DS 16 DAC ES, DS 22 DAC ES
- 38 Схема электрическая DS 27 DA ES, DS 40 DA ES
- 39 Схема электрическая DS 27 DAC ES, DS 40 DAC ES