Генераторы EuroPower EPS163DE - инструкция пользователя по применению, эксплуатации и установке на русском языке. Мы надеемся, она поможет вам решить возникшие у вас вопросы при эксплуатации техники.
Если остались вопросы, задайте их в комментариях после инструкции.
"Загружаем инструкцию", означает, что нужно подождать пока файл загрузится и можно будет его читать онлайн. Некоторые инструкции очень большие и время их появления зависит от вашей скорости интернета.

555
555
239
226
317
321
144
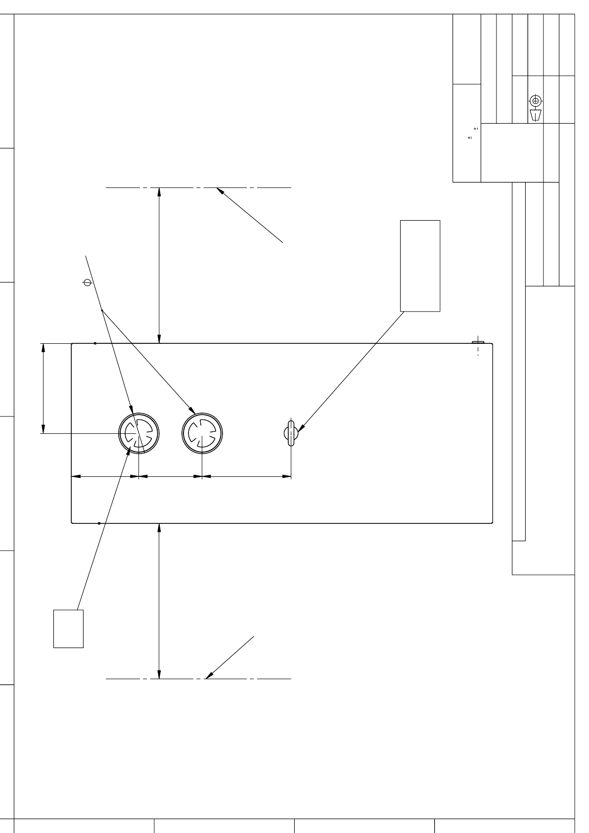
HIJSOOG OEILLET DE LEVAGE LIFTING EYE HEBEÖSE
WATER EAU WASSER
Deur open Porte ouverte Open door geöffnete Tür
Deur open Porte ouverte Open door geöffnete Tür
Maten in mm. / Dimensions in mm. / Maße in mm. / Dimens. en mm.
BOVENAANZICHT VUE DE DESSUS TOP VIEW ANSICHT VON OBEN
1mm
1°
REMARKS:
TOL. ANGULAR:
TOL. LINEAR:
981110913
ART.NR.:
EUROPOWER
Generators
CUSTOMER:
-
TITLE:
-
-
OD.NR.:
00
REV.NR.:
-
26/11/2008
SENT ON:
REVISED ON:
SH
-
MH
MH
DESIGN:
DRAWN:
REVISED:
APPV'D:
UNLESS OTHERWISE SPECIFIED: DIMENSIONS ARE IN MILLIMETERS
DEBUR AND BREAK SHARP EDGES
MATERIAL:
DIRECTORY:
SCALE:1:10
SHEET 3 OF 4
A4
4
1
3
2
A
B
C
D
5
6
MAIN DIMENSIONS GENERATOR EPS8DE -
EPS9TDE - EPS183TDE - EPS163DE -
EPS300DXE
-