Генераторы Caiman MASTER 6010DXL15 DEMC - инструкция пользователя по применению, эксплуатации и установке на русском языке. Мы надеемся, она поможет вам решить возникшие у вас вопросы при эксплуатации техники.
Если остались вопросы, задайте их в комментариях после инструкции.
"Загружаем инструкцию", означает, что нужно подождать пока файл загрузится и можно будет его читать онлайн. Некоторые инструкции очень большие и время их появления зависит от вашей скорости интернета.

13
5.
СОВЕТЫ
ПО
РЕМЕННОМУ
ПРИВОДУ
Когда
Ваш
двигатель
используется
для
приведения
в
действие
какого
-
либо
оборудования
посредством
ременного
привода
,
следуйте
нижеприведенным
рекомендациям
,
чтобы
обеспечить
эффективность
,
безопасность
и
удобство
использования
оборудования
.
1.
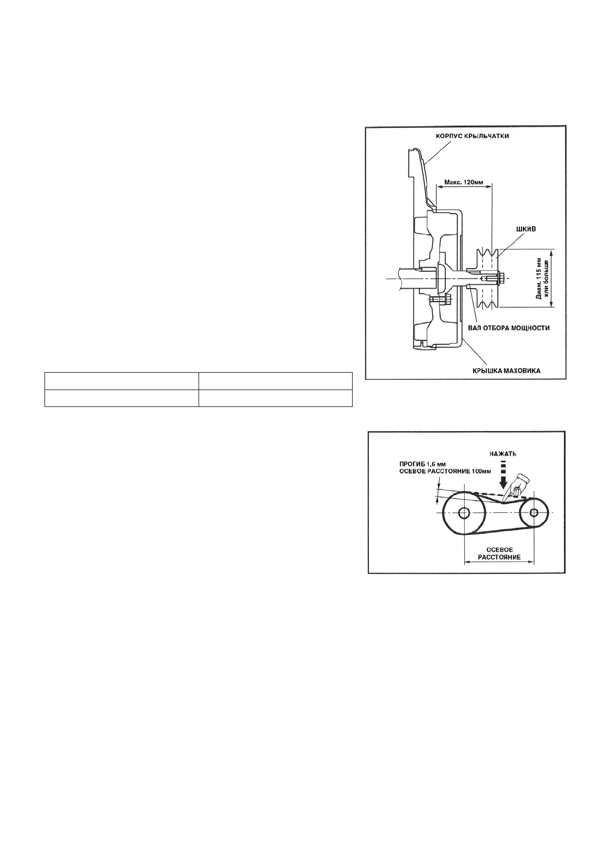
РАЗМЕР
ШКИВА
И
УСТАНОВКА
(1)
Используйте
двухжелобковый
V-
шкив
диаметром
115
мм
или
больше
в
качестве
ведущего
шкива
.
Шкив
меньшего
размера
приведет
к
проскальзыванию
ремня
.
(2)
Расстояние
между
корпусом
крыльчатки
и
центром
внешнего
желоба
ведущего
шкива
должно
быть
меньше
120
мм
.
Если
данное
расстояние
больше
,
двигатель
будет
работать
с
риском
получить
серьезные
повреждения
,
например
,
коленвала
или
коренных
подшипников
.
2.
РЕКОМЕДУЕМЫЙ
РЕМЕНЬ
Ремень
V-
ремень
типа
«
В
»
Количество
2
3.
НАТЯЖЕНИЕ
РЕМНЯ
Отрегулируйте
натяжение
ремня
так
,
чтобы
он
допускал
прогиб
1,6
мм
при
нажатии
на
середину
ремня
пальцем
,
если
расстояние
между
центрами
ведущего
и
ведомого
шкива
(
межосевое
расстояние
) 100
мм
.
Если
же
межосевое
расстояние
составляет
,
например
, 500
мм
,
нормальное
натяжение
ремня
допускает
прогиб
8
мм
:
1,6
мм
× (500/100) = 8
мм
.
Слишком
большое
натяжение
вызовет
трудный
запуск
двигателя
и
поломку
коленвала
и
подшипников
.