Генераторы Briggs&Stratton G60 40494 - инструкция пользователя по применению, эксплуатации и установке на русском языке. Мы надеемся, она поможет вам решить возникшие у вас вопросы при эксплуатации техники.
Если остались вопросы, задайте их в комментариях после инструкции.
"Загружаем инструкцию", означает, что нужно подождать пока файл загрузится и можно будет его читать онлайн. Некоторые инструкции очень большие и время их появления зависит от вашей скорости интернета.

Not for
Reproduction
28
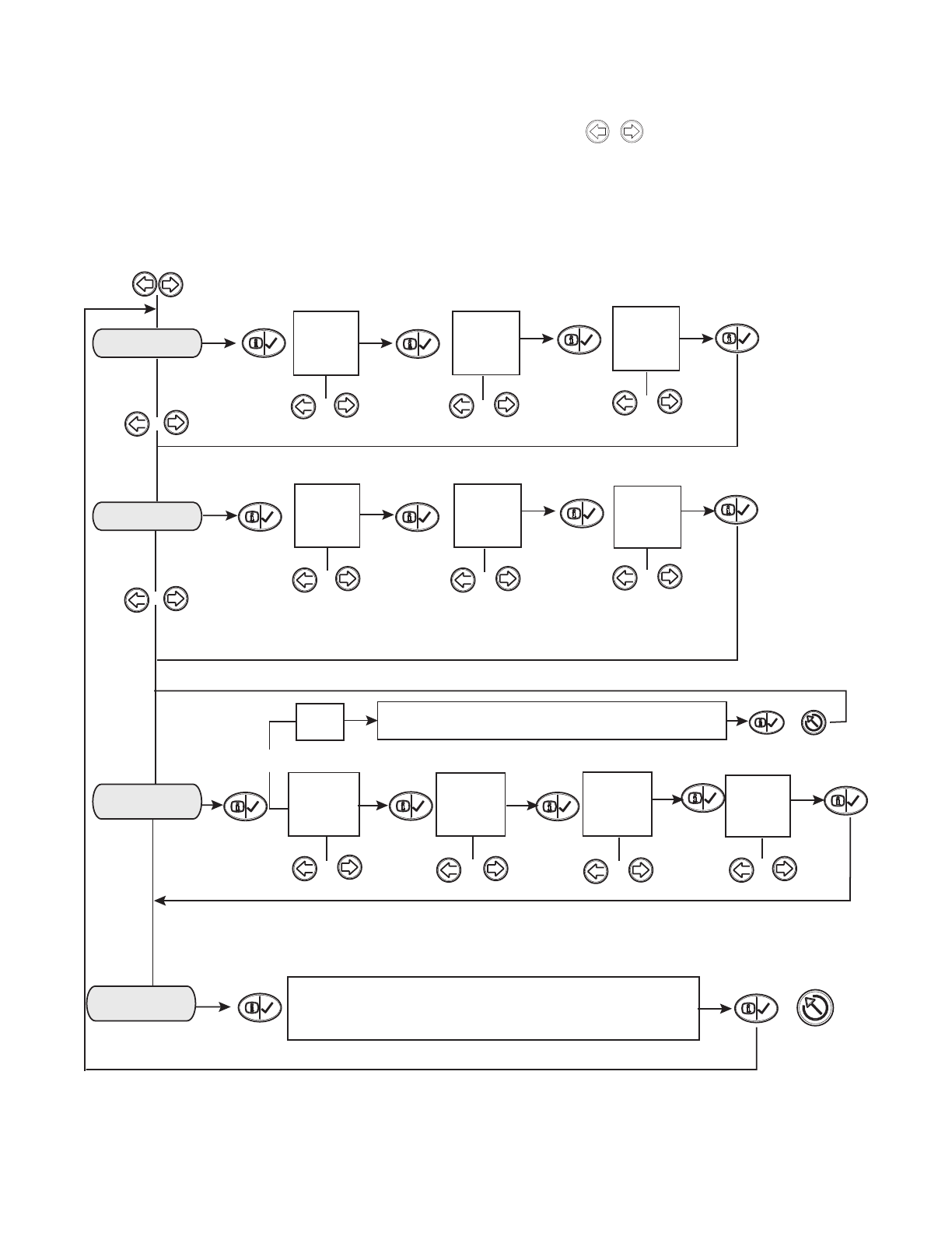
Экран общей настройки
Для общей настройки нажмите и удерживайте стрелки влево и вправо в течение 3 секунд. Следуйте
подсказкам, как указано ниже.
ПРИМЕЧАНИЕ:
Дата и время установлены на заводе и сохранены в памяти панели управления. Параметры
пробного цикла также установлены на заводе. По умолчанию пробный цикл установлен на вторник, в 14:00
центрального поясного времени. Чтобы обновить или изменить эти настройки, действуйте следующим образом.
ЕСЛИ ВО ВРЕМЯ ПРОГРАММИРОВАНИЯ В ТЕЧЕНИЕ 30 СЕКУНД НЕ НАЖАТО НИКАКИХ КНОПОК,
ПАНЕЛЬ УПРАВЛЕНИЯ АВТОМАТИЧЕСКИ ВЫЙДЕТ ИЗ РЕЖИМА ПРОГРАММИРОВАНИЯ.
УСТАНОВИТЬ
ДАТУ
Если установлено на OFF, на дисплее отобразится:
EXERCISE CYCLE OFF (ПРОБНЫЙ ЦИКЛ ОТКЛЮЧЕН).
или
ГОД
МИГАЕТ
МЕСЯЦ
МИГАЕТ
ДЕНЬ##
МИГАЕТ
УСТАНОВИТЬ
ВРЕМЯ
ЧАСЫ
МИГАЕТ
МИНУТЫ
МИГАЕТ
AM/PM
МИГАЕТ
или
или
или
или
или
или
или
или
или
или
или
или
или
ДЕНЬ
НЕДЕЛИ
МИГАЕТ
ЧАСЫ
МИГАЕТ
МИНУТЫ
МИГАЕТ
AM/PM
МИГАЕТ
УСТАНОВИТЬ
ПРОБНЫЙ ЦИКЛ
ЖУРНАЛ
СОБЫТИЙ
На дисплее будет отображаться поочередно последнее событие
служебного кода, дата, время,
а также температура окружающей среды при наступлении
события.
или
ВЫКЛ
.