Генераторы Briggs&Stratton G110 40491 - инструкция пользователя по применению, эксплуатации и установке на русском языке. Мы надеемся, она поможет вам решить возникшие у вас вопросы при эксплуатации техники.
Если остались вопросы, задайте их в комментариях после инструкции.
"Загружаем инструкцию", означает, что нужно подождать пока файл загрузится и можно будет его читать онлайн. Некоторые инструкции очень большие и время их появления зависит от вашей скорости интернета.

Not for
Reproduction
34
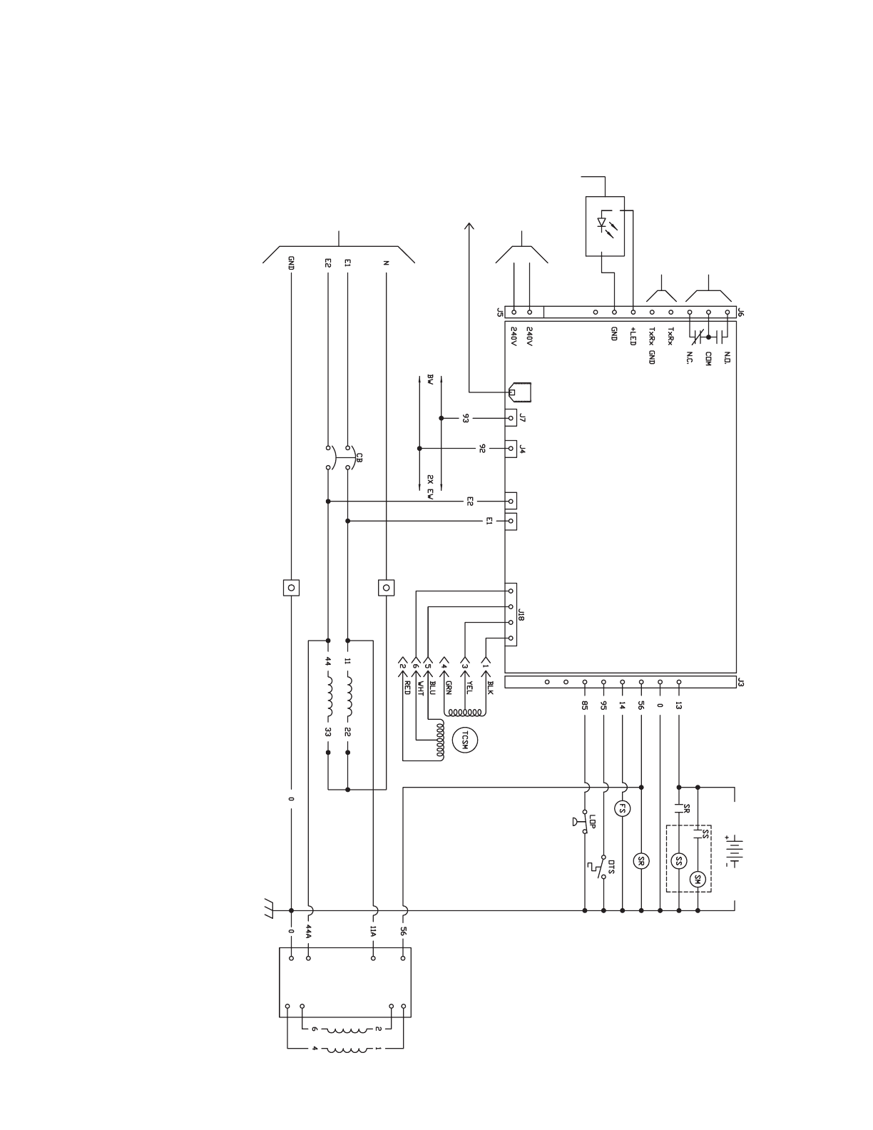
Принципиальная схема
Принципиальная/монтажная схема
ПЛ
АТ
А
СТ
АБИЛИЗА
ТО
РА
НАПРЯЖЕНИЯ
ВНЕШНЯЯ
ПРОВ
ОД
КА
К
ДОПОЛНИТЕ
ЛЬНОЙ
АНТЕННЕ
ДОПОЛНИТЕ
ЛЬНО
Е
БЕСПРОВО
ДНОЕ
УС
ТРОЙС
ТВ
О
К
ДОПОЛНИТЕ
ЛЬНОЙ
СИС
ТЕМЕ
МОНИТ
ОРИНГ
А
КР
АСНЫЙ
БЕ
ЛЫЙ
МЕНЯЕ
Т
СО
СТ
ОЯНИ
Е
ПРИ
ОШИБКЕ
К
СИЛОВОМ
У
ПЕРЕК
ЛЮЧА
ТЕ
ЛЮ
СЕТЬ
ГЕНЕР
АТ
ОР
КОНТРОЛЛЕР
ГЕНЕР
АТ
ОР
А
ДАВЛЕНИ
Е
МА
СЛ
А
ТЕМПЕР
АТ
УР
А
МА
СЛ
А
СО
ЛЕНОИД
ПО
ДАЧИ
ТО
ПЛИВА
ЭЛЕК
ТРО
ДВИГ
АТ
ЕЛ
Ь
СТ
АРТЕР
А
GND
+12
В
ПОС
Т
.
ТО
КА
N/C
N/C
С
МОНТ
А
ЖНЫМ
ПРИСПОС
ОБЛЕНИЕМ
АКК
УМУЛЯТ
ОР
12
В
ПОС
Т
.
ТО
КА
КР
АС
НЫЙ
ЧЕРНЫЙ
ОТ
СЕТИ
СИЛОВОГ
О
ПЕРЕК
ЛЮЧА
ТЕ
ЛЯ
СХЕМА СИСТЕМЫ
ОБ
О
ЗНАЧЕНИЯ
BW –
ВИЛК
А
ДЛ
Я
ДОПОЛНИТЕ
ЛЬНОГ
О
ПО
ДОГРЕВА
ТЕ
ЛЯ
АКК
УМУЛЯТ
ОР
А
CB –
АВ
ТО
МА
ТИЧЕСКИЙ
ВЫК
ЛЮЧА
ТЕ
ЛЬ
COM –
ОБЩИЙ
EW –
ВИЛК
А
ДЛ
Я
ДОПОЛНИТЕ
ЛЬНОГ
О
ПО
ДОГРЕВА
ТЕ
ЛЯ
МАШИННОГ
О
МА
СЛ
А
FS –
СО
ЛЕНОИД
ПО
ДАЧИ
ТО
ПЛИВА
GND –
ЗЕМ
ЛЯ
LOP –
РЕ
ЛЕ
НИЗ
КО
ГО
ДАВЛЕНИЯ
МА
СЛ
А
(
ЗАМЫКАЕ
Т
КОНТ
АК
ТЫ
ПРИ
НИЗ
КО
М
ДАВЛЕНИИ
)
N.C. –
НОР
МА
ЛЬНО
ЗАМКНУ
ТЫЙ
N/C –
НЕ
СО
ЕДИНЯЕ
ТС
Я
N.O. –
НОР
МА
ЛЬНО
РА
ЗОМКНУ
ТЫЙ
OTS –
РЕ
ЛЕ
ПЕРЕГРЕВА
SM –
ЭЛЕК
ТРО
ДВИГ
АТ
ЕЛ
Ь
СТ
АРТЕР
А
SR –
РЕ
ЛЕ С
ТАРТЕР
А
TCSM –
ШАГ
ОВЫЙ ДВИГ
АТ
ЕЛЬ УПР
АВЛЕНИЯ ДРОС
СЕ
ЛЕМ
-------
ВНЕШНЯЯ
ПРОВ
ОД
КА
**
ПРИМЕ
ЧАНИЕ
**
ПЕРЕ
Д
ОБ
СЛ
УЖ
ИВАНИЕМ
ВЫНЬ
ТЕ
ПРЕ
ДО
ХР
АНИТЕ
ЛЬ
НА
15
А
СИЛОВАЯ
ОБМОТК
А