Генераторы Aurora AGE 7500 DZN 10403 - инструкция пользователя по применению, эксплуатации и установке на русском языке. Мы надеемся, она поможет вам решить возникшие у вас вопросы при эксплуатации техники.
Если остались вопросы, задайте их в комментариях после инструкции.
"Загружаем инструкцию", означает, что нужно подождать пока файл загрузится и можно будет его читать онлайн. Некоторые инструкции очень большие и время их появления зависит от вашей скорости интернета.

ГЕНЕРАТОРЫ ЭЛЕКТРИЧЕСКИЕ
Условия обслуживания
Контрольный выключатель переведите в положение
OFF
и отсоедините 220В шнур питания перед заменой
аккумулятора или ручным/электрическим запуском, ручной работой, обслуживанием
.
Долгое неиспользование генератора
–
включите блокировку и выключите контрольный переключатель.
Отсоедините 12В аккумулятор и шнур питания.
Провод подключения электроэнергии на 220В должен состоять из медной проволоки 4
-
6кв. мм в диаметре
Неквалифицированные люди не должны производить разборку контрольной системы. Мы не несем
ответственности за подобные действия.
Индикатор рабочего режима.
Режим ожидания
–
лампочка горит
.
Режим работы генератора
–
лампочка горит
.
Режим тревоги
–
лампочка мигает
.
ТЕХНИЧЕСКИЕ ОСОБЕННОСТИ
Интервал 8 секунд необходим для запуска после отключения электросети.
Время управления зажиганием
–
2,5сек.
Количество автоматических запусков
– 3-5
Интервал 8 секунд необходим для двух повторных автоматических запусков
6 секунд необходимо для задержки автоматического запуска
Время отключения
–
6 секунд
Температура установки
–
18С+/
-2C
Ток в режиме ожидания
–
менее 40мА
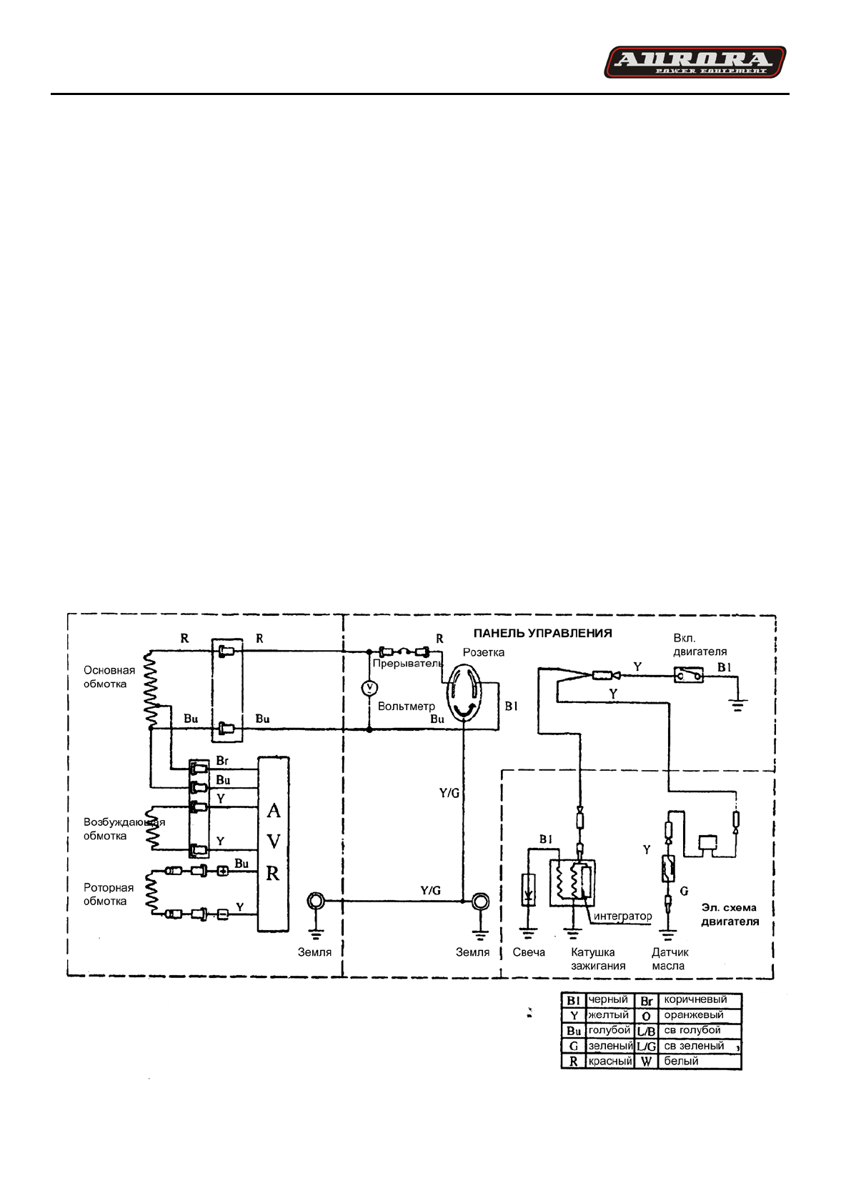
ЭЛЕКТРИЧЕСКАЯ СХЕМА ГЕНЕРАТОРОВ С РУЧНЫМ ЗАПУСКОМ
(двигатель 168АF2)













