Генераторы Aurora AGE 6500 D 6773 - инструкция пользователя по применению, эксплуатации и установке на русском языке. Мы надеемся, она поможет вам решить возникшие у вас вопросы при эксплуатации техники.
Если остались вопросы, задайте их в комментариях после инструкции.
"Загружаем инструкцию", означает, что нужно подождать пока файл загрузится и можно будет его читать онлайн. Некоторые инструкции очень большие и время их появления зависит от вашей скорости интернета.

ГЕНЕРАТОРЫ ЭЛЕКТРИЧЕСКИЕ
РУКОВОДСТВО ПО ИСПОЛЬЗОВАНИЮ АВТОМАТИЧЕСКОГО ГЕНЕРАТОРА
Инструкция по установке блока автоматики
I
. БЛОК АВТОМАТИКИ – это интеллектуальное устройство, способное функционировать без участия
человека. Он автоматически включается и выключается, когда включается или выключается электричество.
Он также контролирует положение дроссельной заслонки способный работать в зависимости от температуры
окружающей среды, чтобы генератор безопасно запускался в пределах установленного температурного
диапазона.
II
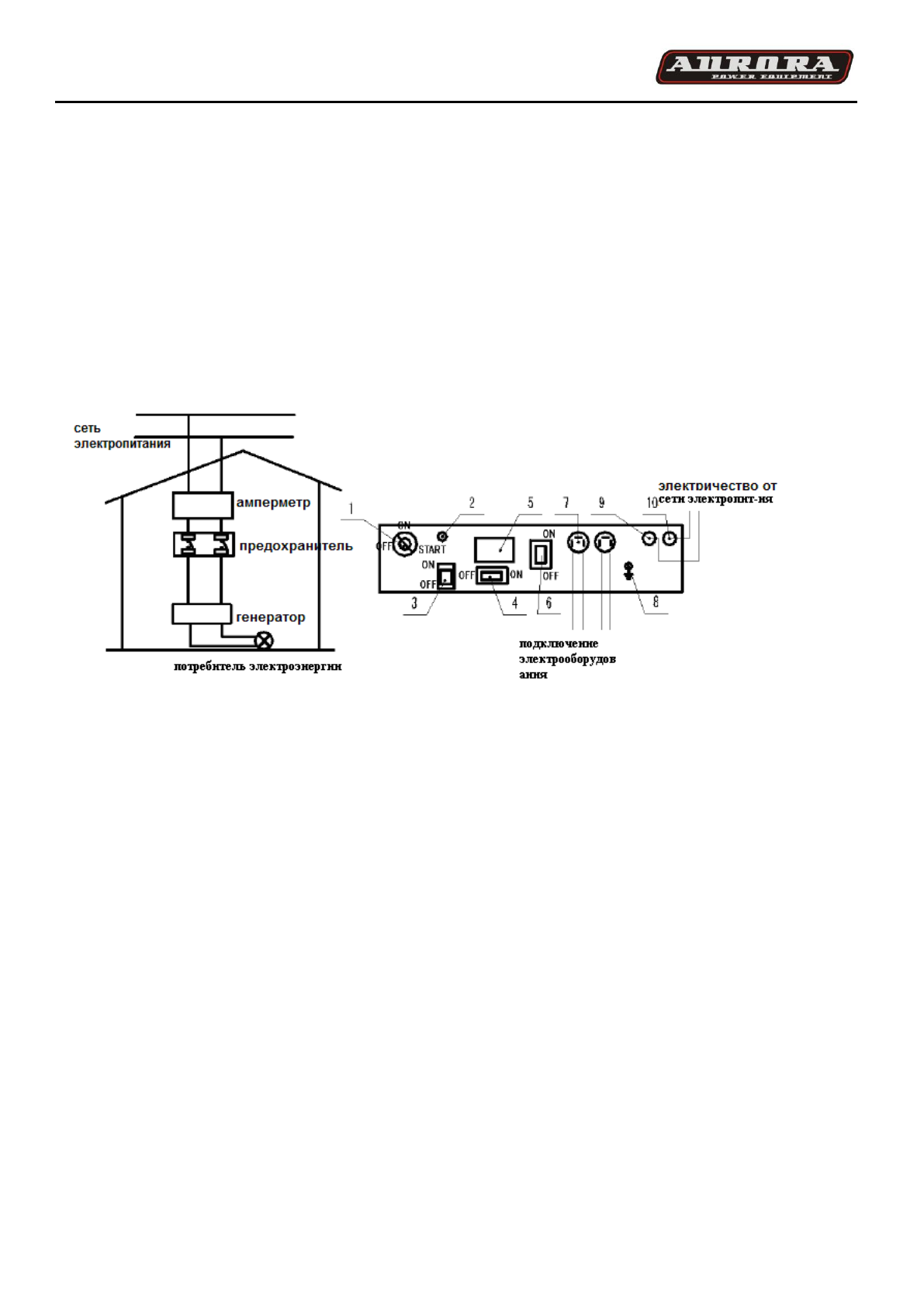
. СХЕМА ПОДКЛЮЧЕНИЯ:
1. Выключатель
2. Контрольная лампа (индикатор вкл/выкл)
3. Контроллер включения
4. Регулятор временного интервала
5. Вольтметр
6. прерыватель цепи
7. Розетка
8. Кабель заземления
9. входной кабель (N)
10. входной кабель (L)
III
. ЭКСПЛУАТАЦИЯ БЛОКА АВТОМАТИКИ
1.
Перед использованием
Выключатель – в положение «OFF”
Контроллер – в положение «OFF»
Включите устройство в сеть 220В и установите кабели L, N и E верно – L фаза, N - ноль, E –
заземляющий провод
Подсоедините блок к аккумулятору 12В (если кабели L и N подключены неверно, система
будет работать неправильно)