Генераторы Aurora AGE 12500 DSX DUAL 14686 - инструкция пользователя по применению, эксплуатации и установке на русском языке. Мы надеемся, она поможет вам решить возникшие у вас вопросы при эксплуатации техники.
Если остались вопросы, задайте их в комментариях после инструкции.
"Загружаем инструкцию", означает, что нужно подождать пока файл загрузится и можно будет его читать онлайн. Некоторые инструкции очень большие и время их появления зависит от вашей скорости интернета.

14
5.
Перед
использованием
аппарата
1)
Проверка
масла
ВНИМАНИЕ
:
Перед
использованием
генератора
проверьте
уровень
масла
в
картере
.
При
этом
генератор
должен
находиться
в
горизонтальном
положении
на
плоской
поверхности
.
При
проверке
масла
генератор
должен
быть
выключен
Смазывающее
масло
–
важная
составляющая
двигателя
аппарата
,
которая
обеспечивают
правильную
работу
аппарата
и
долговечность
.
Никогда
не
используйте
старое
или
загрязненное
масло
,
это
может
привести
к
поломке
аппарата
!
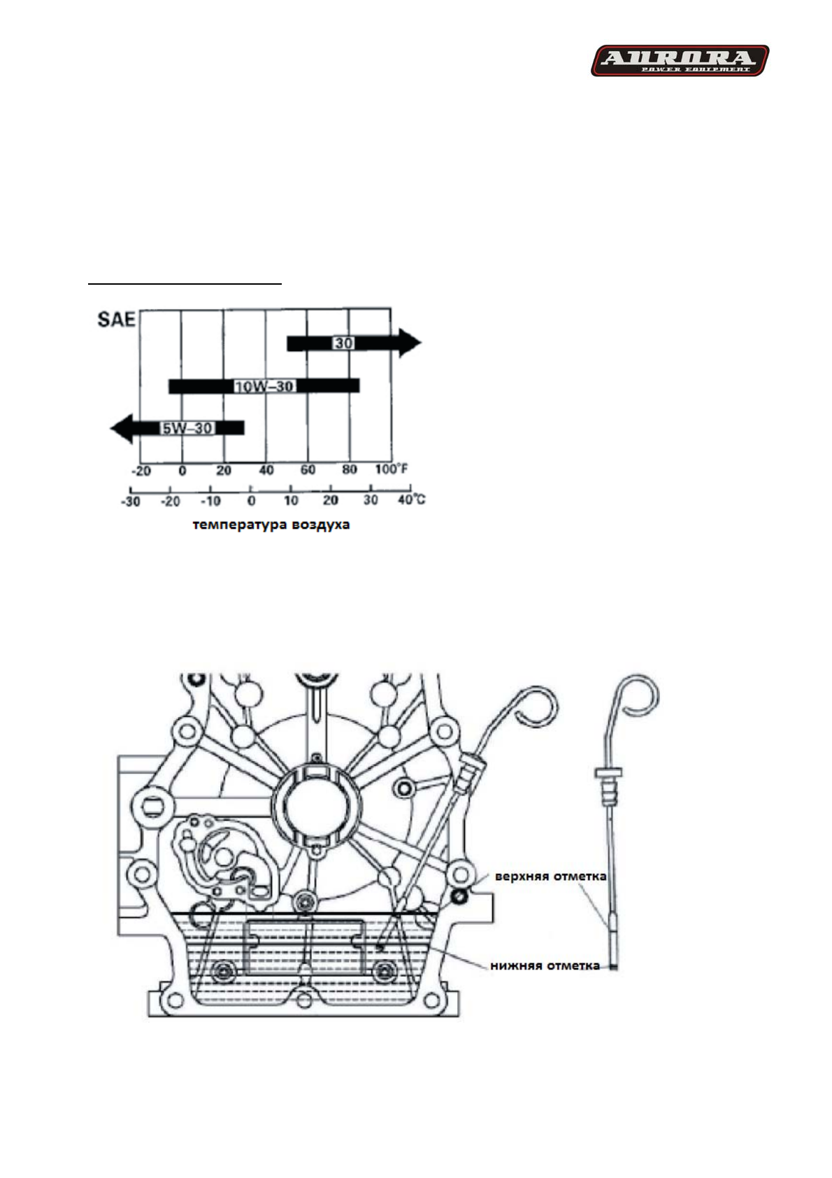
Рекомендованное
масло
:
Масло
для
4
тактного
двигателя
– SE, SF
или
эквивалент
SAE10W-
30
Как
правильно
проверить
уровень
масла
:
Извлеките
щуп
из
генератора
и
прочистите
его
.
Затем
опустите
щуп
в
картер
,
вытащите
и
посмотрите
масляную
отметку
.
Если
уровень
масла
ниже
«
минимальной
отметки
»,
долейте
масло
,
но
не
превышайте
положенного
уровня
.
Всегда
производите
заправку
масла
на
ровной
поверхности
!
После
заправки
масла
убедитесь
,
что
крышка
маслозаливной
горловины
надежно
закручена
.
2)
Проверка
топлива
1.
Проверьте
уровень
топлива
на
индикаторе
расположенном
на
верхней
части
топливного
бака