Генераторы AL-KO 2000i 130933 - инструкция пользователя по применению, эксплуатации и установке на русском языке. Мы надеемся, она поможет вам решить возникшие у вас вопросы при эксплуатации техники.
Если остались вопросы, задайте их в комментариях после инструкции.
"Загружаем инструкцию", означает, что нужно подождать пока файл загрузится и можно будет его читать онлайн. Некоторые инструкции очень большие и время их появления зависит от вашей скорости интернета.

219
478067_e
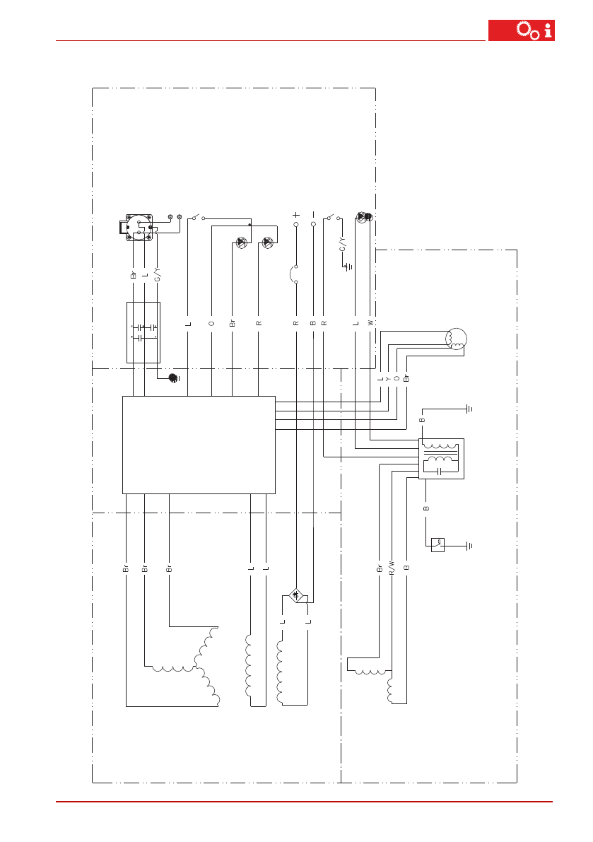
Stromlaufplan 2 230V 2000i
ci
rc
ui
t b
re
ak
er
10A
K
BPC
2510
re
ct
ifi
er
lg
ni
tio
n
co
il
ch
ar
gi
ng
oi
l s
en
sor
ign
iti
on
sp
ar
k
pl
ug
st
ep
per mo
tor s
peed
D
C
re
ce
pt
ac
le
in
vert
er
pa
ra
lle
l
re
ce
pt
ac
le
fla
m
eo
ut
s
w
itch
DC
-s
po
el
S
ub
sp
oel
H
oo
fd
sp
oel
G
E
N
E
R
A
TO
R
B
LO
C
K
E
N
G
IN
E
B
LO
C
K
C
O
N
TR
O
L
P
ANE
L
B
LO
KC
IN
V
ER
TE
R
B
LO
C
K
B B
r
G L O R W Y B
/
W
G
/
Y
R
/
W
B
la
ck
B
ro
w
n
G
re
en
B
lue Or
ange
Red W
hi
te
Y
el
low
B
la
ck
/
W
hi
te
G
re
en
/
Y
el
low
Red
/
W
hi
te
A
C
re
ce
pt
ac
le
E
SC
sw
itch
oil
w
ar
ni
ng
in
di
ca
to
r li
ght
ov
er
lo
ad
in
di
ca
to
r l
ight
A
C
p
ilo
t li
ght
Характеристики
Остались вопросы?Не нашли свой ответ в руководстве или возникли другие проблемы? Задайте свой вопрос в форме ниже с подробным описанием вашей ситуации, чтобы другие люди и специалисты смогли дать на него ответ. Если вы знаете как решить проблему другого человека, пожалуйста, подскажите ему :)