Генераторы 2E (BS3500E-V) - инструкция пользователя по применению, эксплуатации и установке на русском языке. Мы надеемся, она поможет вам решить возникшие у вас вопросы при эксплуатации техники.
Если остались вопросы, задайте их в комментариях после инструкции.
"Загружаем инструкцию", означает, что нужно подождать пока файл загрузится и можно будет его читать онлайн. Некоторые инструкции очень большие и время их появления зависит от вашей скорости интернета.

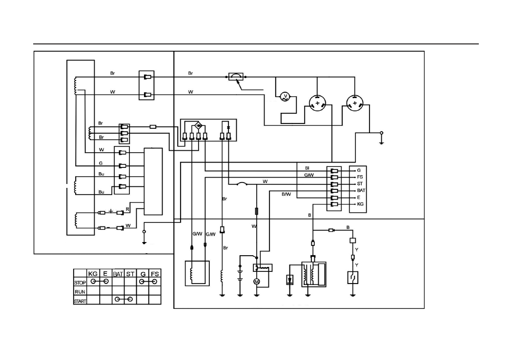
МОНТАЖНА СХЕМА (6500E/7500E/9500E/10000E)
Основна
котушка
Котушка
постійного
струму
Котушка
збудження
Генераторний блок
Котушка
підзбудження
Ав
тома
ти
чний
рег
ул
ят
ор
напр
уг
и
Заземлення генератора
Зарядна
котушка
Пусковий
двигун
Свічка
запалювання
Котушка
запалювання
Датчик
мастила
Вольтметр
Розетка
змінного струму
Вимикач
Блок панелі
керування
Блок двигуна
Паливний
електро-
магнітний
клапан
Підключення замка запалювання
18
Характеристики
Остались вопросы?Не нашли свой ответ в руководстве или возникли другие проблемы? Задайте свой вопрос в форме ниже с подробным описанием вашей ситуации, чтобы другие люди и специалисты смогли дать на него ответ. Если вы знаете как решить проблему другого человека, пожалуйста, подскажите ему :)