GEKON Eco UNA H11 L190 T23 GETL0.01119023/UNA/NV - Инструкция по эксплуатации

GEKON Eco UNA H11 L190 T23 GETL0.01119023/UNA/NV

Обогреватель GEKON Eco UNA H11 L190 T23 GETL0.01119023/UNA/NV - инструкция пользователя по применению, эксплуатации и установке на русском языке. Мы надеемся, она поможет вам решить возникшие у вас вопросы при эксплуатации техники.

Если остались дополнительные вопросы — свяжитесь с нами через контактную форму.

1 Страница 1
2 Страница 2
3 Страница 3
4 Страница 4
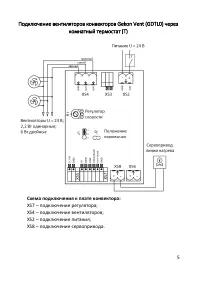
5 Страница 5
6 Страница 6
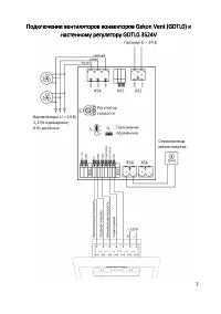
7 Страница 7
8 Страница 8
9 Страница 9
Страница: / 9
Загрузка инструкции

Инструкция по монтажу внутрипольных конвекторов

Gekon Eco / Gekon Vent

"Загрузка инструкции" означает, что нужно подождать пока файл загрузится и можно будет его читать онлайн. Некоторые инструкции очень большие и время их появления зависит от вашей скорости интернета.

Характеристики

Другие модели - Обогреватели GEKON