Страница 2 - УВАЖАЕМЫЕ ПОЛЬЗОВАТЕЛИ; Подключение плиты к газовому баллону ПРОПАН - БУТАН или к
2 УВАЖАЕМЫЕ ПОЛЬЗОВАТЕЛИ Плита сочетает очень простое обслуживание с отличной эффективностью. После прочтения этой инструкции, обслуживание плиты не будет проблемой. Плита, которая покинула завод, была тщательно проверена перед упаковкой с точки зрения безопасности и функциональности на позициях кон...
Страница 3 - СОДЕРЖАНИЕ
3 СОДЕРЖАНИЕ Общ ая информация .........................................................................2 Указания по безопасности ................................................................4 Описание изделия ...................................................................................9 Т...
Страница 4 - УКАЗАНИЯ ПО ТЕХНИКЕ БЕЗОПАСНОСТИ; Внимание
4 УКАЗАНИЯ ПО ТЕХНИКЕ БЕЗОПАСНОСТИ Внимание .Прибор и его открытые детали во время ра - боты нагреваются до высоких температур. Необходимо соблюдать особую осторожность и не прикасаться к нагревательным элементам. Не допускать нахождения детей младше 8 лет вблизи прибора, если они не нахо - дятся по...
Страница 5 - ПРИ ПОДОЗРЕНИИ УТЕЧКИ ГАЗА ЗАПРЕЩАЕТСЯ:
5 УКАЗАНИЯ ПО ТЕХНИКЕ БЕЗОПАСНОСТИ Чтобы очистить плиту, не используйте оборудование для очистки паром. ● Это устройство должно быть установлено в соответствии с применимыми нормами и использоваться только в хорошо проветриваемом помещении. Перед установкой и использованием ознакомьтесь с инструкцие...
Страница 6 - УКАЗАНИЯ ПО БЕЗОПАСНОСТИ
6 УКАЗАНИЯ ПО БЕЗОПАСНОСТИ ● В любой ситуации, вызванной технической неисправностью, необходимо отключить электропитание плиты (с использованием вышеуказанного принципа) и обратиться с неисправностью в сервис. ● Запрещается подсоединять к газовой установке любые антенные кабели, например радиоприемн...
Страница 7 - КАК ЭКОНОМИТЬ ЭНЕРГИЮ
7 КАК ЭКОНОМИТЬ ЭНЕРГИЮ Кто использует электроэ - нергию ответственно, эко - номит не только семейный бюджет, но и поступает правильно по отношению к естественной окружаю - щей среде. Давайте по - можем экономить электроэнергию! А делается это следующим образом: l Использование правильной посуды для...
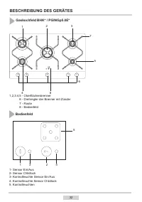
Страница 9 - ОПИСАНИЕ ИЗДЕЛИЯ; Панель управления
9 ОПИСАНИЕ ИЗДЕЛИЯ Газовая плита BHK* / PGINGp5.0E* 1,2,3,4,5 - конфорки поверхностные 6 - ручки конфорок с кнопкой зажигания 7 - решетки под посуду 8 - панель управления Панель управления 4 5 1 3 7 6 2 8 1- Сенсор включения/выключения 2- Сенсор childlock 3- Сигнальный диод сенсора включения/выключе...
Страница 10 - ТЕХНИЧЕСКИЕ ПАРАМЕТРЫ
10 ТЕХНИЧЕСКИЕ ПАРАМЕТРЫ - высота 48 мм - глубина 520 мм - ширина 890 мм - вес плиты 17,5 кг Плита оснащена конфорками: 1 - супербольшая конфорка, тепловая нагрузка - 4,0 кВт 2 - большая конфорка, тепловая нагрузка - 3,0 кВт 3 - средние конфорки, тепловая нагрузка - 2,0 кВт 4 - маленькая конфорка, т...
Страница 11 - УСТАНОВКА; Установка плиты
11 УСТАНОВКА Ниже приведенные инструкции предназначены для квалифицированного специалиста монтажника бытовой техники. Эти инструкции предназначены для того, чтобы как можно профессиональнее выполнить действия, связанные с установкой и техническим обслуживанием устройства. Установка плиты ● Кухонное ...
Страница 12 - Установка газовых плит
12 УСТАНОВКА Установка газовых плит ● Подготовить место (нишу) в сегменте мебели согласно с монтажной схемой, ● Минимальное пространство, которое необходимо оставить свободным под газовую и газово-электрическую плиту составляет 130 мм, ● Произвести подключение плиты к газовой и электрической системе...
Страница 13 - Указания для монтажника
13 УСТАНОВКА Указания для монтажника монтажник должен: ● Иметь право на установку газового оборудования ● Ознакомиться с информацией, на- ходящейся в номинальной таблице плиты и на информационной на- клейке о виде газа, к которому при- способлена плита. Информацию сопоставить с условиями поставки га...
Страница 15 - Регулировка вентилей на замедленную подачу газа.
15 Замена форсунки горелки - форсунку выкрутить с помощью специального насадочного ключа 7 и заменить на новую, соответственно виду газа (см. таблицу выше). После окончания переоборудования плиты на другой вид газа, необходимо наклеить наклейку с описанием вида газа, к которому приспособлена плита. ...
Страница 16 - Регулировка вентилей
16 Регулировка вентилей Регулировку вентилей необходимо произ - водить на горящей конфорке в положении «экономное пламя». Чтобы проверить пламя, нужно прогреть конфорку на полном огне в течении 10 мин., а далее повернуть регулировочную ру ч к у ве н т и л я н а э к о н о м н о е п л а м я . Огонь не...
Страница 17 - ЭКСПЛУАТАЦИЯ; Включение плиты
17 ЭКСПЛУАТАЦИЯ При подключении к электросети плита включается в режиме защитной блокировки от детей "childlock", что сигнализируется подсветкой сигнального диода. Для того, чтобы разблокировать плиту, необходимо придержать сенсор "сhildlock" в течение 10 секунд. Сигнальный диод сенс...
Страница 18 - Индикация информации о со-
18 ЭКСПЛУАТАЦИЯ Индикация информации о со- стоянии плиты на панели дис- плея с сигнальными диодами 1. При включенной плите работа отдельных конфорок сигнализируется непрерывной подсветкой соответствующего сигнального диода. На рисунке показана ситуация, когда работают все конфорки. Попеременное свеч...
Страница 19 - Подбор посуды; Эксплуатация варочных поверх-; Ручка регулировки работы конфорок
19 ЭКСПЛУАТАЦИЯ К о р р е к т н а я э к с п л у а т а ц и я , п о д б о р с о от в ет с т ву ю щ и х п ол ь з о в ат ел ь с к и х параметров, а также посуды, позволяет значительно экономить электроэнергию. Экономия электроэнергии соответственно составляет: ● до 60%, при правильном подборе посуды, ● ...
Страница 21 - ПЛОХО ХОРОШО
21 Подбор пламени П р а в и л ь н о о т р е г у л и р о в а н н ы е к о н ф о р к и и м е ю т с в е т л о - г о л у б о й ц в ет с в ы р а з и т ел ь н ы м в н у т р е н н и м к о н у с о м . П од б о р в ы с от ы п л а м е н и зависит от настройки регулировочной ручки огня горелки. сильное пламя сл...
Страница 22 - Действия на случай угрозы утечки несгоревшего газа; КОНФОРКА не зажигается, чувствуется утекающий газ
22 ЭКСПЛУАТАЦИЯ Действия на случай угрозы утечки несгоревшего газа 1 газовая система 2 перекрывающий вентиль газовой системы A вентиль ,,открыт” B вентиль ,,закрыт” В любой опасной ситуации необходимо: ● выключить конфорки ● закрыть перекрывающий вентиль газовой системы ● проветрить кухонное помещен...
Страница 23 - ОЧИСТКА И КОНСЕРВАЦИЯ; Конфорки
23 Тщательный текущий уход за плитой, содержание ее в чистоте, и соответствую - щее обслуживание значительно увеличива - ет ее эффективный срок службы. ОЧИСТКА И КОНСЕРВАЦИЯ П е р е д н ач а лом ч и с т к и , и л и других работ по обслуживанию, необходимо всегда с помощью гл а в н о го в ы к л юч а ...
Страница 24 - ПРАВИЛА ПОВЕДЕНИЯ ПРИ ПОЛОМКАХ; ПРОБЛЕМА
24 ПРАВИЛА ПОВЕДЕНИЯ ПРИ ПОЛОМКАХ При любой неисправности следует: ● выключить рабочие узлы плиты ● отключить электропитание ● подать заявку на ремонт ● некоторые мелкие неисправности пользователь может устранить самостоятельно, следуя указаниям, приведенным в следующей таблице, прежде чем обратитьс...