Газонокосилки Энкор КЭ-1400/38 56401 - инструкция пользователя по применению, эксплуатации и установке на русском языке. Мы надеемся, она поможет вам решить возникшие у вас вопросы при эксплуатации техники.
Если остались вопросы, задайте их в комментариях после инструкции.
"Загружаем инструкцию", означает, что нужно подождать пока файл загрузится и можно будет его читать онлайн. Некоторые инструкции очень большие и время их появления зависит от вашей скорости интернета.

6
зуйте
защитные
очки
и
перчатки
.
4.8.
Не
допускайте
повреждения
электри
-
ческого
удлинителя
во
время
работы
с
газонокосилкой
это
может
грозить
серьез
-
ной
травмой
(
поражения
электрическим
током
,
возможно
даже
со
смертельным
исходом
).
В
этом
случае
прекратите
рабо
-
ту
,
осторожно
отойдите
от
газонокосилки
и
отсоедините
вилку
удлинителя
от
розет
-
ки
электрической
сети
.
4.9.
Во
время
работы
перемещайте
га
-
зонокосилку
с
умеренной
скоростью
,
не
бегите
.
4.10.
Перед
работой
включите
газоноко
-
силку
и
дайте
ей
поработать
на
холостом
ходу
.
В
случае
обнаружения
шумов
,
не
ха
-
рактерных
для
нормальной
работы
инстру
-
мента
или
сильной
вибрации
,
выключите
газонокосилку
,
отсоедините
вилку
шнура
питания
от
розетки
электрической
сети
.
Не
включайте
газонокосилку
до
выявления
и
устранения
причин
неисправности
.
4.11.
Диагностика
неисправностей
и
ре
-
монт
инструмента
должны
производиться
только
в
специализированном
Сервисном
центре
уполномоченном
ООО
«
ЭНКОР
-
Инструмент
-
Воронеж
».
4.12.
Не
оставляйте
работающую
газоно
-
косилку
без
присмотра
.
4.13.
Оберегайте
газонокосилку
от
паде
-
ний
.
Не
работайте
неисправной
или
с
по
-
врежденным
корпусом
газонокосилкой
.
ВНИМАНИЕ
!
Не
применяйте
не
сертифи
-
цированную
или
самодельную
оснаст
-
ку
.
Никогда
не
устанавливайте
сменную
оснастку
,
не
соответствующую
назна
-
чению
газонокосилки
,
указанному
в
п
.1.1
данного
«
Руководства
».
Это
может
стать
причиной
тяжелой
травмы
.
4.14.
Тщательно
обследуйте
площадку
,
на
которой
планируется
проведение
работ
с
газонокосилкой
.
Удалите
все
камни
,
пал
-
ки
и
прочие
чужеродные
предметы
.
4.15.
Работайте
с
газонокосилкой
только
при
дневном
или
хорошем
искусственном
освещении
.
4.16.
Косите
только
сухую
траву
.
4.17.
При
скашивании
травы
на
крутых
склонах
опрокидывание
газонокосил
-
ки
может
привести
к
травме
оператора
.
Скашивание
производите
только
поперек
склона
,
а
не
вверх
-
вниз
.
4.18.
Соблюдайте
особую
осторожность
при
скашивании
в
обратном
направлении
,
при
перемещении
газонокосилки
назад
или
повороте
/
развороте
,
возможно
по
-
вреждение
электрического
удлинителя
.
4.19.
Опасность
получения
травм
возни
-
кает
при
скашивании
травы
вдоль
краев
газонов
,
вблизи
оград
и
крутых
насыпей
.
Соблюдайте
безопасную
дистанцию
от
мест
повышенной
опасности
.
4.20.
При
перемещении
газонокосилки
с
одной
территории
на
другую
обязательно
выключите
двигатель
и
отсоедините
шнур
питания
от
розетки
электрической
сети
.
Никогда
не
поднимайте
и
не
наклоняйте
газонокосилку
при
работающем
электро
-
двигателе
.
4.21.
Во
избежание
получения
травм
не
допускается
снятие
травосборника
при
работающем
двигателе
.
Руки
и
ноги
опе
-
ратора
не
должны
находиться
в
непо
-
средственной
близости
от
вращающихся
частей
газонокосилки
.
4.22.
Содержите
газонокосилку
и
смен
-
ную
оснастку
в
чистоте
и
исправном
со
-
стоянии
.
5.
ОСОБЕННОСТИ
ЭКСПЛУАТАЦИИ
5.1.
Требования
к
сети
электропита
-
ния
.
5.1.1.
Газонокосилка
подключается
к
электрической
сети
с
напряжением
220
В
и
частотой
50
Гц
.
5.1.2.
Запрещается
переделывать
вилку
сетевого
шнура
питания
,
если
она
не
со
-
ответствует
размеру
вашей
розетки
и
из
-
менять
длину
сетевого
шнура
питания
.
5.1.3.
При
повреждении
шнура
питания
его
должен
заменить
уполномоченный
сервисный
центр
(
услуга
платная
).
5.2.
Особенности
эксплуатации
.
ВНИМАНИЕ
!
Для
исключения
опасно
-
сти
повреждения
двигателя
регулярно
очищайте
газонокосилку
и
вентиля
-
ционные
каналы
корпуса
от
травы
и
пыли
.
Таким
образом
обеспечивается
беспрепятственное
охлаждение
двига
-
теля
.
Не
допускайте
попадания
внутрь
15
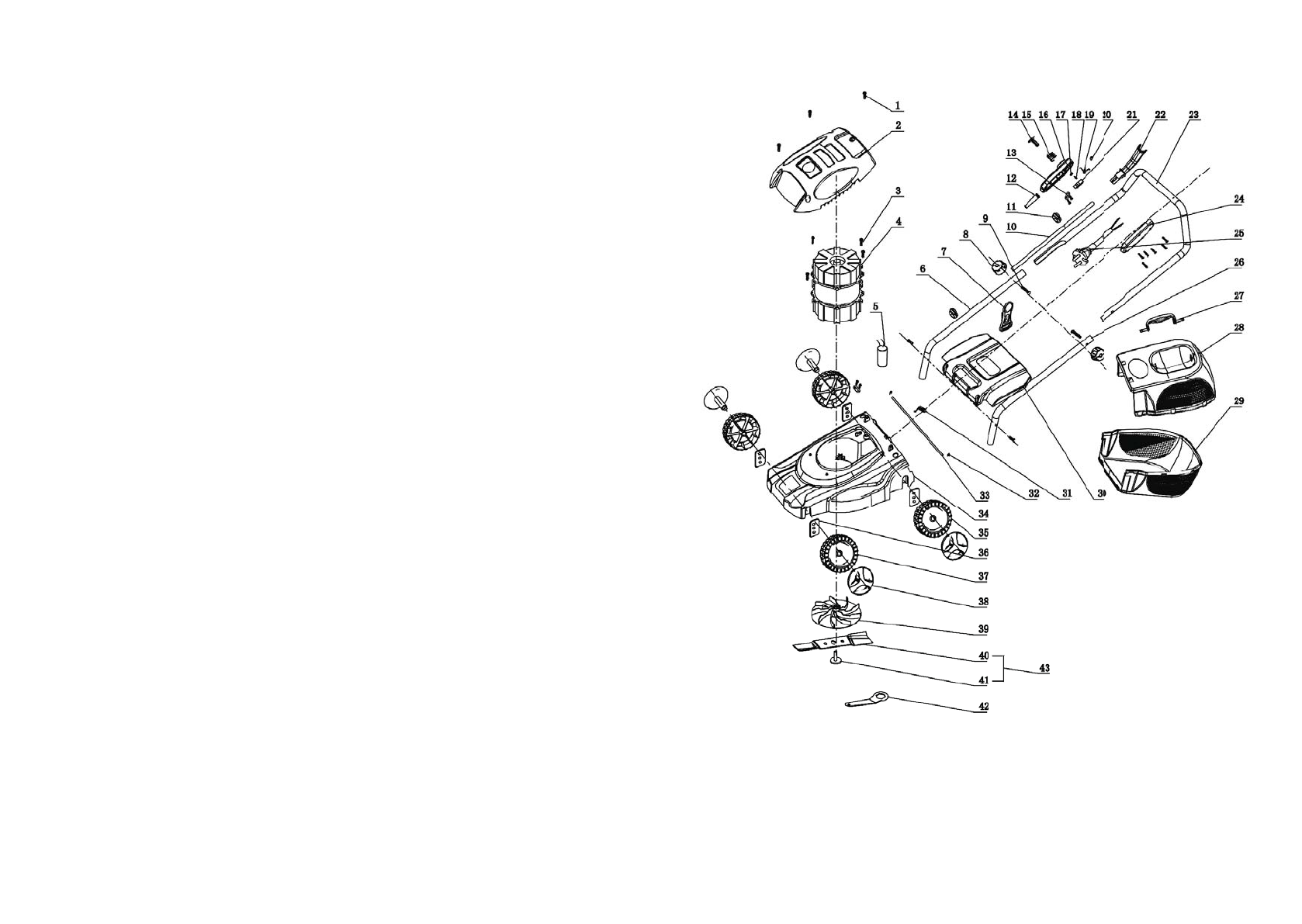
13.
СХЕМА
СБОРКИ
ГАЗОНОКОСИЛКИ
«
КЭ
-1400/38»
Характеристики
Остались вопросы?Не нашли свой ответ в руководстве или возникли другие проблемы? Задайте свой вопрос в форме ниже с подробным описанием вашей ситуации, чтобы другие люди и специалисты смогли дать на него ответ. Если вы знаете как решить проблему другого человека, пожалуйста, подскажите ему :)













