Страница 2 - Технический паспорт; Портативный бензиновый триммер-кусторез
Технический паспорт FUXTEC FX-MS152T Технический паспорт Портативный бензиновый триммер-кусторез FX-MS152T Bj. 2018 Благодарим вас за покупку продукции, которая произведена согласно высокимстандартам компании FUXTEC GMBH (Германия). В техническом паспортесодержатся характеристики и информация по без...
Страница 4 - Основные технические характеристики
Технический паспорт FUXTEC FX-MS152T 1. Основные технические характеристики Модель FX-MS152T Тип двигателя 2-х тактный, воздушного охлаждения Объем двигателя 52 cм 3 Максимальная мощность двигателя(кВт)(в соответствии с ISO 8893) 2,2 кВт / 7500 об./мин Максимальные обороты двигателя 9000 об./мин Обо...
Страница 5 - информации
Технический паспорт FUXTEC FX-MS152T 2. Символы безопасности, управления и информации ВНИМАНИЕ! ПРЕДУПРЕЖДЕНИЕ! ОПАСНОСТЬ! СИМВОЛ,СОПРОВОЖДАЕМЫЙ ЭТИМИ СЛОВАМИ, ОБРАЩАЕТВНИМАНИЕ НА ДЕЙСТВИЯ ИЛИ СИТУАЦИИ, КОТОРЫЕЧРЕВАТЫ ТРАВМАМИ ОПЕРАТОРА И ОКРУЖАЮЩИХ ЕГОЛЮДЕЙ, А ТАКЖЕ ПРИВОДЯТ К НЕПРАВИЛЬНОЙЭКСПЛУАТА...
Страница 8 - Указания по эксплуатации и общие правила
Технический паспорт FUXTEC FX-MS152T 3. Указания по эксплуатации и общие правила техники безопасности Переносной триммер-кусторез FUXTEC FX-MS152T предназначен длямеханизации ручного труда при скашивании травы, удалении сорняков ипоросли кустарников. Запрещается использовать его в других целях, т.к....
Страница 9 - Дополнительные требования по технике
Технический паспорт FUXTEC FX-MS152T ● В целях безопасности запрещается использовать лестницу во времяэксплуатации устройства. ● Не допускайте детей к триммеру-кусторезу. Расстояние допуска окружающихпосле запуска двигателя — не менее 15 метров. ● Не прикасайтесь к работающему режущему инструменту (...
Страница 11 - Правила обращения с режущим ножом; ВНИМАНИЕ
Технический паспорт FUXTEC FX-MS152T 5. Правила обращения с режущим ножом Триммер-кусторез FX-MS152T оснащен металлическим 3-лезвийным ножомтолщиной 1,6 мм с универсальным внутренним диаметром, который предназначендля скашивания сорняков, жесткой травы, кустарников. Использование дисковогоножа с эти...
Страница 12 - Краткое техническое описание модели
Технический паспорт FUXTEC FX-MS152T 6. Краткое техническое описание модели 1. Угловая передача 2. Защитный кожух 3. Защитная кромка 4. Режущий нож 5. Трубка вала (штанга) 6. Соединительная муфта 7. Рукоятка8. Выключатель зажигания (старт/стоп) 9. Блокиратор курка дросселя*10. Курок дросселя 11. Воз...
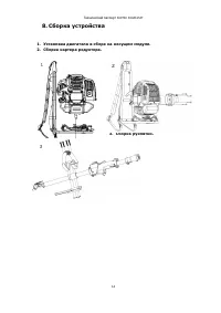
Страница 15 - приводного вала на картер редуктора.
Технический паспорт FUXTEC FX-MS152T 4. Сборка гибкого приводного вала.5. Установка защитного кожуха на триммер (мотокосу). 6. Сборка трубки вала триммера. 7. Установка гибкого приводного вала на картер редуктора. 15
Страница 16 - Установка режущего ножа
Технический паспорт FUXTEC FX-MS152T Сборка трубки вала (штанги) Поместите нижнюю часть штанги напротив соединительноймуфты таким образом, чтобы отверстие в трубке вала совпалосо стопорным штифтом. Нажмите стопорный штифт и вставьте штангу. Отожмитестопорный штифт и убедитесь, что он защелкнулся вот...
Страница 17 - Установка катушки с леской; Бензин
Технический паспорт FUXTEC FX-MS152T Установка катушки с леской Вставьте металлический стопорный стержень (1) в отверстие в чашке редуктора и вотверстие в ступице вала. Открутите гайку крепления со ступицы, снимите ее. Удерживая стопорный стержень, установите катушку с леской (2). Закрутитекатушку в...
Страница 18 - Пуск холодного двигателя
Технический паспорт FUXTEC FX-MS152T ВНИМАНИЕ: Отсутствие смазки в составе топлива исключает ответственностьпроизводителя. Бензин и двухтактное масло должны быть смешаны в пропорции40:1. Рекомендуемое топливоРекомендуется использовать неэтилированный бензин с октановым числом свыше90. Используйте св...
Страница 19 - Важно: Как только двигатель
Технический паспорт FUXTEC FX-MS152T 2. Переведите рычаг воздушной заслонки в положение холодного пуска («KALT START»).3. Закачайте топливо в карбюратор, используя ручной топливный насос — праймер. Для этого нажмите 8-10 раз на колпачок праймера, пока в нем не появитсятопливо.4. Придерживая устройст...
Страница 20 - Пуск прогретого двигателя; Остановка двигателя; ВНИМАНИЕ: Периодически очищайте триммер от травы, чтобы
Технический паспорт FUXTEC FX-MS152T 10. Пуск прогретого двигателя 1. Установите устройство на плоскую, твердую поверхность. 2. Переместите выключатель двигателя вниз. 3. Установите рычаг воздушной заслонки в положение «WARM START». 4. Удерживая устройство, потяните за рукоятку ручного стартера и вы...
Страница 21 - Замена режущей лески
Технический паспорт FUXTEC FX-MS152T предотвратить перегрев ведущего вала. Она скапливается под защитным кожухом,когда растительные волокна запутываются вокруг вала и мешают его охлаждению.Убирайте траву с помощью отвертки или другого подобного инструмента, когдадвигатель выключен. Имея в своей сбор...
Страница 23 - Техническое обслуживание; ПРИМЕЧАНИЯ; Очистка воздушного фильтра
Технический паспорт FUXTEC FX-MS152T 14. Техническое обслуживание Техническое обслуживание обеспечивает более длительный срок службы устройства. Дляподдержания высокой эффективности его работы, необходимо регулярно проверятьтехническое состояние и выполнять необходимые регулировки. Виды выполняемых ...
Страница 25 - Хранение и транспортировка
Технический паспорт FUXTEC FX-MS152T только в одном направлении во время процесса заточки. 15. Хранение и транспортировка ВНИМАНИЕ: Не помещайте устройство на длительное хранение (срокомна 30 дней или более), не выполнив следующие операции поконсервации, а именно: • Проведите внешнюю очистку устройс...
Страница 26 - Неисправности и способы их устранения
Технический паспорт FUXTEC FX-MS152T 16. Неисправности и способы их устранения 1. Трудности при вводе в эксплуатацию Неисправность Причина Способ устранения Отсутствие искры Свеча зажигания Нагар между электродами свечи зажигания Очистка свечи зажигания. Регулировка зазора 0,6~0,7мм, замена свечи за...
Страница 27 - Сервисное обслуживание
Технический паспорт FUXTEC FX-MS152T Если неисправность своими силами устранить не удалось,обратитесь в авторизованный сервисный центр. 17. Сервисное обслуживание Конструкция триммера-кустореза FX-MS152T разработана с учетом продолжительного ибезотказного срока службы. Регулярное выполнение техничес...
Страница 28 - Декларация соответствия ЕС; FUXTEC
Технический паспорт FUXTEC FX-MS152T 20. Декларация соответствия ЕС Настоящим мы заявляем, FUXTEC GMBHKAPPSTRAßE 69, 71083 HERRENBERG, GERMANY что описанное ниже изделие благодаря своей конструкции соответствует основнымтребованиям директив ЕС по безопасности и гигиене труда.Наименование устройства:...