Fubag DS 68 DA ES 838782.1 - Инструкция по эксплуатации

Fubag DS 68 DA ES 838782.1

Генератор Fubag DS 68 DA ES 838782.1 - инструкция пользователя по применению, эксплуатации и установке на русском языке. Мы надеемся, она поможет вам решить возникшие у вас вопросы при эксплуатации техники.

Если остались дополнительные вопросы — свяжитесь с нами через контактную форму.

1 Страница 1
2 Страница 2
3 Страница 3
4 Страница 4
5 Страница 5
6 Страница 6
7 Страница 7
8 Страница 8
9 Страница 9
10 Страница 10
11 Страница 11
12 Страница 12
13 Страница 13
14 Страница 14
15 Страница 15
16 Страница 16
17 Страница 17
18 Страница 18
19 Страница 19
20 Страница 20
21 Страница 21
22 Страница 22
23 Страница 23
24 Страница 24
25 Страница 25
26 Страница 26
27 Страница 27
28 Страница 28
29 Страница 29
30 Страница 30
31 Страница 31
32 Страница 32
33 Страница 33
34 Страница 34
35 Страница 35
36 Страница 36
37 Страница 37
38 Страница 38
39 Страница 39
40 Страница 40
41 Страница 41
42 Страница 42
43 Страница 43
44 Страница 44
45 Страница 45
46 Страница 46
47 Страница 47
48 Страница 48
49 Страница 49
50 Страница 50
51 Страница 51
Страница: / 51

Содержание:

  • Страница 2 – Инструкция по эксплуатации; DS; ВАЖНО
  • Страница 4 – ПРИВЕДЕННЫЕ ПРАВИЛА ТЕХНИКИ БЕЗОПАСНОСТИ ЯВЛЯЮТСЯ ОЧЕНЬ ВАЖ-
  • Страница 5 – генератором во время выполнения заправки.; ПРЕДУПРЕЖДЕНИЕ
  • Страница 6 – действию электролита.; легковоспламеняющиеся материалы.
  • Страница 7 – нератора или когда двигатель является горячим.
  • Страница 8 – мощи подъемного устройства.; РЕКОМЕНДАЦИИ ДЛЯ ОПЕРАТОРА И ПЕРСОНАЛА
  • Страница 9 – ний и иных негативных воздействий генератора.
  • Страница 10 – работанное масло может принять поставщик топлива).; вызванные неправильной установкой.; ПРАВИЛА ТЕХНИКИ БЕЗОПАСНОСТИ ПРИ ВЫПОЛНЕНИИ РАЗГРУЗКИ
  • Страница 11 – Внимание: стропы должны располагаться
  • Страница 13 – ные в разделе «Строповка».; УСТАНОВКА СТАЦИОНАРНЫХ ГЕНЕРАТОРОВ; ся нормы и правила, действующие в месте установки генератора.
  • Страница 15 – Примеры возможных затруднений:; Заправка топливом невозможна.
  • Страница 17 – Общие положения
  • Страница 18 – Шумоуловитель; Пример установки
  • Страница 19 – ется снаружи помещения.
  • Страница 20 – Подача топлива; его крепления и глушители будут более дорогими.; ПРИМЕЧАНИЕ
  • Страница 21 – Основные части
  • Страница 23 – обычно состоит из металличе-
  • Страница 24 – Теплоизоляция
  • Страница 25 – Реактивный шумопоглощающий; ставляет 70 мм
  • Страница 26 – спечивают полную защиту.
  • Страница 27 – РАЗМЕЩЕНИЕ ГЕНЕРАТОРА В КОНТЕЙНЕРЕ; духа должны оставаться открытыми.; открыть перед запуском генератора.; ПРЕДУПРЕЖДЕНИЕ – ОПАСНОСТЬ; ПЕРЕМЕЩЕНИЕ, ТРАНСПОРТИРОВКА И РАЗМЕЩЕНИЕ КОНТЕЙНЕРОВ; Примеры оборудования и перемещения:
  • Страница 28 – Пример подъема за скобу
  • Страница 29 – Пример подъема; Примеры неправильного подъема
  • Страница 30 – НЕПРАВИЛЬНО
  • Страница 31 – вторное отражение звука от зданий.; ТЕХНИЧЕСКОЕ ОБСЛУЖИВАНИЕ
  • Страница 32 – ПОДГОТОВКА ГЕНЕРАТОРА К ЭКСПЛУАТАЦИИ; ПРОВЕРКА СОЕДИНЕНИЙ; - зарядное устройство аккумуляторной батареи; ИСПЫТАНИЕ ГЕНЕРАТОРА ПОД НАГРУЗКОЙ
  • Страница 33 – ТЕХНИЧЕСКОЕ ОБСЛУЖИВАНИЕ АККУМУЛЯТОРНОЙ БАТАРЕИ; ОПАСНОСТЬ; ПОРЯДОК ПРОВЕДЕНИЯ ПРОВЕРКИ АККУМУЛЯТОРНОЙ БАТАРЕИ СТАРТЕРА
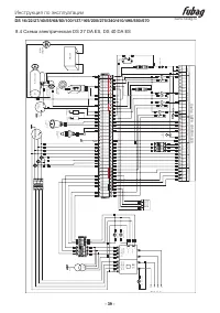
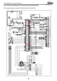
  • Страница 36 – Схемы электрические; Схема коммутации альтернатора; Заводское подключение
  • Страница 37 – Схема электрическая DS 16 DA ES, DS 22 DA ES
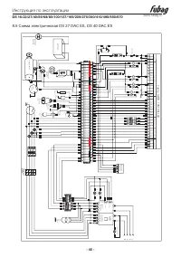
  • Страница 38 – Схема электрическая DS 16 DAC ES, DS 22 DAC ES
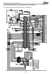
  • Страница 39 – Схема электрическая DS 27 DA ES, DS 40 DA ES
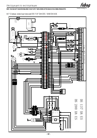
  • Страница 40 – Схема электрическая DS 27 DAC ES, DS 40 DAC ES
Загрузка инструкции

Электростанция дизельная

www.fubag.ru

Инстр

укция по эксплу

ат

ации

DS

16 A (DA) ES

DS

16 AC ES

DS

16 DAC ES

DS

22 A (DA) ES

DS

22 AC ES

DS

22 DAC ES

DS

27 A (DA) ES

DS

27 AC ES

DS

27 DAC ES

DS

40 DA ES

DS

40 DAC ES

DS

55 DA ES

DS

55 DAC ES

DS

68 DA ES

DS

68 DAC ES

DS

80 DA ES

DS

80 DAC ES

DS

100 DA ES

DS

100 DAC ES

DS

137 DA ES

DS

137 DAC ES

DS

165 DA ES

DS

165 DAC ES

DS

200 DA ES

DS

200 DAC ES

DS

275 DA ES

DS

275 DAC ES

DS

340 DA ES

DS

340 DAC ES

DS

410 DA ES

DS

410 DAC ES

DS

495 DA ES

DS

495 DAC ES

DS

550 DA ES

DS

550 DAC ES

DS

670 DA ES

DS

670 DAC ES

"Загрузка инструкции" означает, что нужно подождать пока файл загрузится и можно будет его читать онлайн. Некоторые инструкции очень большие и время их появления зависит от вашей скорости интернета.

Краткое содержание

Страница 2 - Инструкция по эксплуатации; DS; ВАЖНО

Инструкция по эксплуатации DS 16/22/27/40/55/68/80/100/137/165/200/275/340/410/495/550/670 www.fubag.ru - 2 - 1.1 Введение 1.1.1 ОБЩИЕ РЕКОМЕНДАЦИИ Благодарим за выбор нашего электрогенератора. В настоящем руководстве приводятся инструкции по эксплуатации и техническому об- служиванию электрогенерат...

Страница 4 - ПРИВЕДЕННЫЕ ПРАВИЛА ТЕХНИКИ БЕЗОПАСНОСТИ ЯВЛЯЮТСЯ ОЧЕНЬ ВАЖ-

Инструкция по эксплуатации DS 16/22/27/40/55/68/80/100/137/165/200/275/340/410/495/550/670 www.fubag.ru - 4 - 2.1 ПРАВИЛА ТЕХНИКИ БЕЗОПАСНОСТИ ПРИВЕДЕННЫЕ ПРАВИЛА ТЕХНИКИ БЕЗОПАСНОСТИ ЯВЛЯЮТСЯ ОЧЕНЬ ВАЖ- НЫМИ Если у вас имеются вопросы в отношении информации, содержащейся в настоящем ру- ководстве, ...

Страница 5 - генератором во время выполнения заправки.; ПРЕДУПРЕЖДЕНИЕ

Инструкция по эксплуатации DS 16/22/27/40/55/68/80/100/137/165/200/275/340/410/495/550/670 www.fubag.ru - 5 - • Для проворачивая коленчатого вала вручную применяйте надлежащие методы. Не проворачивайте коленчатый вал, прикладывая усилие на вентилятор. Это приведет к серьезному повреждению лопаток ве...

Характеристики

Другие модели - Генераторы Fubag

Все генераторы Fubag