FRICO AG4520WL - Инструкция по эксплуатации

FRICO AG4520WL

Обогреватель FRICO AG4520WL - инструкция пользователя по применению, эксплуатации и установке на русском языке. Мы надеемся, она поможет вам решить возникшие у вас вопросы при эксплуатации техники.

Если остались дополнительные вопросы — свяжитесь с нами через контактную форму.

1 Страница 1
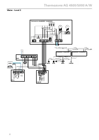
2 Страница 2
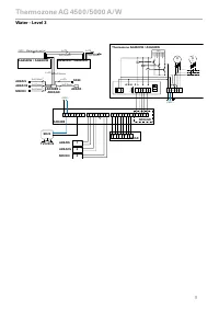
3 Страница 3
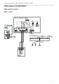
4 Страница 4
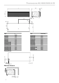
5 Страница 5
6 Страница 6
7 Страница 7
8 Страница 8
9 Страница 9
10 Страница 10
11 Страница 11
12 Страница 12
13 Страница 13
14 Страница 14
15 Страница 15
16 Страница 16
17 Страница 17
18 Страница 18
19 Страница 19
20 Страница 20
21 Страница 21
22 Страница 22
23 Страница 23
24 Страница 24
25 Страница 25
Страница: / 25
Загрузка инструкции

Инструкция
по эксплуатации

Водяная тепловая завеса FRICO AG4520WL

Цены на товар на сайте:

http://www.vseinstrumenti.ru/klimat/teplovie_zavesi/vodyanie/frico/ag4520wl/

Отзывы и обсуждения товара на сайте:

http://www.vseinstrumenti.ru/klimat/teplovie_zavesi/vodyanie/frico/ag4520wl/#tab-Responses

"Загрузка инструкции" означает, что нужно подождать пока файл загрузится и можно будет его читать онлайн. Некоторые инструкции очень большие и время их появления зависит от вашей скорости интернета.

Характеристики

Другие модели - Обогреватели FRICO

Все обогреватели FRICO