FRICO AD320E18 - Инструкция по эксплуатации

FRICO AD320E18

Обогреватель FRICO AD320E18 - инструкция пользователя по применению, эксплуатации и установке на русском языке. Мы надеемся, она поможет вам решить возникшие у вас вопросы при эксплуатации техники.

Если остались дополнительные вопросы — свяжитесь с нами через контактную форму.

1 Страница 1
2 Страница 2
3 Страница 3
4 Страница 4
5 Страница 5
6 Страница 6
7 Страница 7
8 Страница 8
9 Страница 9
10 Страница 10
11 Страница 11
12 Страница 12
13 Страница 13
14 Страница 14
15 Страница 15
16 Страница 16
17 Страница 17
18 Страница 18
19 Страница 19
20 Страница 20
21 Страница 21
22 Страница 22
23 Страница 23
24 Страница 24
25 Страница 25
26 Страница 26
27 Страница 27
28 Страница 28
29 Страница 29
30 Страница 30
31 Страница 31
32 Страница 32
33 Страница 33
34 Страница 34
35 Страница 35
36 Страница 36
37 Страница 37
38 Страница 38
39 Страница 39
40 Страница 40
41 Страница 41
42 Страница 42
43 Страница 43
44 Страница 44
45 Страница 45
46 Страница 46
47 Страница 47
48 Страница 48
49 Страница 49
50 Страница 50
51 Страница 51
52 Страница 52
53 Страница 53
54 Страница 54
55 Страница 55
56 Страница 56
57 Страница 57
58 Страница 58
59 Страница 59
60 Страница 60
61 Страница 61
62 Страница 62
63 Страница 63
64 Страница 64
65 Страница 65
Страница: / 65

Содержание:

  • Страница 39 – Внимание! Не рекомендуется; Инструкция по установке и эксплуатации
  • Страница 41 – Р х; CB30N; Пульт управления
  • Страница 42 – Please see EnglТsh pages for other regulatТons.
Загрузка инструкции

Инструкция
по эксплуатации

Электрическая тепловая завеса FRICO AD320E18

Цены на товар на сайте:

http://www.vseinstrumenti.ru/klimat/teplovie_zavesi/elektricheskie/frico/ad320e18/

Отзывы и обсуждения товара на сайте:

http://www.vseinstrumenti.ru/klimat/teplovie_zavesi/elektricheskie/frico/ad320e18/#tab-Responses

"Загрузка инструкции" означает, что нужно подождать пока файл загрузится и можно будет его читать онлайн. Некоторые инструкции очень большие и время их появления зависит от вашей скорости интернета.

Краткое содержание

Страница 39 - Внимание! Не рекомендуется; Инструкция по установке и эксплуатации

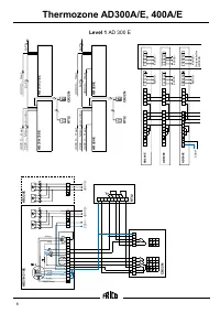
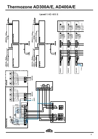
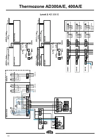
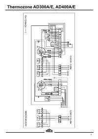
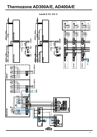
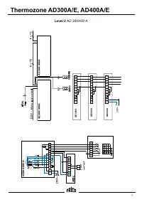
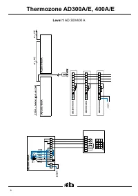
Thermozone AD300A/E, 400A/E 38 Общие положения Внимательно прочитайте настоящую инструкцию перед монтажом и эксплуатацией завес. Храните Инструкцию в надежном месте для последующего использования в случае необходимости. Назначение и область применения Воздушные завесы Thermozone AD300/400 предназнач...

Страница 41 - Р х; CB30N; Пульт управления

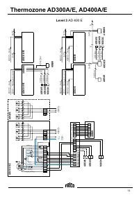
Thermozone AD300A/E, 400A/E 40 Typ AD 410A AD 415A AD 420A AD 410E14 AD 415E20 AD 420E27 Д ] - - - 13,5 20 27 ДV] 230з 230з 230з 230з 230з 230з ДA] 1,6 2,9 4,2 1,6 2,9 4,2 ДV] - - - 400V3з 400V3з 400V3з ДA] - - - 19,5 28,9 39,0 Д 3 / ] 1700 / 2500 1800 / 4200 2600 / 5000 1700 / 2500 1800 / 4200 2600...

Страница 42 - Please see EnglТsh pages for other regulatТons.

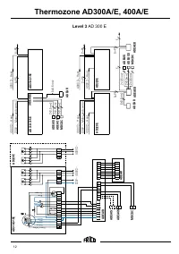
Thermozone AD300A/E, AD400A/E 41 RTI2, электронный 2х ступенчатый термостат Регулируемая величина интервала срабатывания (1– 10°C) и внутренняя шкала диапазона температур 5–35°C. Класс защиты: IP44 KRT1900, капиллярный термостат Одноступенчатый термостат с возможностью коммутации блока обогрева и ве...

Характеристики

Другие модели - Обогреватели FRICO

Все обогреватели FRICO