Страница 2 - СОДЕРЖАНИЕ
2 СОДЕРЖАНИЕ МЕРЫ ПРЕДОСТОРОЖНОСТИ ............................................................................................................................... 3 ПЕРЕД ТЕМ КАК НАЧАТЬ .....................................................................................................................
Страница 3 - МЕРЫ ПРЕДОСТОРОЖНОСТИ
3 МЕРЫ ПРЕДОСТОРОЖНОСТИ ВНИМАНИЕ: В целях снижения риска возгорания, получения ожогов, ударов электрическим током или других травм, перед началом занятий на тренажёре ознакомьтесь со всеми инструкциями и мерами предосторожности, приведёнными в данном руководстве. FreeMotion Fitness не несёт ответств...
Страница 5 - ПЕРЕД ТЕМ, КАК НАЧАТЬ
5 ПЕРЕД ТЕМ, КАК НАЧАТЬ Благодарим вас за приобретение ультрасовременной беговой дорожки FREEMOTION ® T10.8. Тренажёр T10.8 обладает впечатляющим набором особенностей, которые сделают ваши тренировки дома приятнее и эффективнее. Ради удобства и безопасности внимательно прочтите данное руководство пе...
Страница 6 - СПЕЦИФИКАЦИЯ
6 СПЕЦИФИКАЦИЯ Используйте рисунок ниже для идентификации крепёжных деталей. Число в скобках под каждым изображением – это порядковый номер детали в списке СОСТАВНЫХ ЧАСТЕЙ в конце данного руководства. Число после скобок – это количество деталей, требуемое для сборки. Примечание: Если деталь отсутст...
Страница 7 - СБОРКА
7 • Расположите все сборочные единицы на свободной поверхности и удалите упаковочный материал. Не выбрасывайте упаковку, пока не соберете тренажёр полностью. • Для определения мелких деталей см. стр. 6. Чтобы не повредит крепёж, не используйте электрические инструменты СБОРКА 1. Убедитесь, что бегов...
Страница 13 - КАК ПОДКЛЮЧИТЬ БЕГОВУЮ ДОРОЖКУ
13 КАК ПОДКЛЮЧИТЬ БЕГОВУЮ ДОРОЖКУ Найдите разъем кабеля на передней панели беговой дорожки. Подключите кабель CATV к разъему кабеля. Проложите кабель таким образом, чтобы его случайно не защемили подъемным механизмом или рамой. КАК ПОДКЛЮЧИТЬ СЕТЕВОЙ КАБЕЛЬ Данное изделие должно быть заземлено. При ...
Страница 14 - КАК ОБНОВИТЬ СИСТЕМУ УПРАВЛЕНИЯ ТРЕНАЖЁРА
14 Базовая версия консоли КАК ОБНОВИТЬ СИСТЕМУ УПРАВЛЕНИЯ ТРЕНАЖЁРА Консоль беговой дорожки была предварительно настроена для работы с цифровым телевидением (см. рис. ниже). Чтобы узнать об особенностях консоли, см. стр. 15. Чтобы узнать об особенностях цифрового TV, см. руководство пользователя, по...
Страница 15 - КАК ПОЛЬЗОВАТЬСЯ ПРИБОРНОЙ ПАНЕЛЬЮ
15 КАК ПОЛЬЗОВАТЬСЯ ПРИБОРНОЙ ПАНЕЛЬЮ ОСОБЕННОСТИ ПРИБОРНОЙ ПАНЕЛИ Приборная панель (далее – консоль) беговой дорожки обладает большим набором функций, делающих ваши тренировки более эффективными и увлекательными. Когда вы используете ручной режим, вы может изменять скорость и наклон тренажёра одним...
Страница 24 - КАК ПЕРЕДВИГАТЬ ТРЕНАЖЁР
24 КАК ПЕРЕДВИГАТЬ ТРЕНАЖЁР Из-за размера и веса беговой дорожки, для перемещения тренажёра потребуется два или три человека. Перед перемещением беговой дорожки, подключите кабель питания и вставьте ключ в консоль (см. КАК ВКЛЮЧИТЬ ПИТАНИЕ на стр. 16) Затем установите угол наклона в самое верхнее по...
Страница 25 - ПРОФИЛАКТИКА
25 ПРОФИЛАКТИКА Регулярное техническое обслуживание необходимо для оптимальной работы и длительного срока службы беговой дорожки. Пожалуйста, прочтите и следуйте всем инструкциям ниже. Если беговой дорожке не будет проводиться необходимое обслуживание, составные части тренажёра могут сильно износить...
Страница 30 - УСТРАНЕНИЕ НЕПОЛАДОК
30 УСТРАНЕНИЕ НЕПОЛАДОК Проблемы большинства беговых дорожек можно устранить с помощью несложных шагов, представленных ниже. Необходимо найти причины неполадки и следовать представленным инструкциям. Если потребуется дополнительная помощь, см. заднюю обложку данного руководства. СИМПТОМ: Питание не ...
Страница 31 - РЕКОМЕНДАЦИИ К ЗАНЯТИЯМ
31 РЕКОМЕНДАЦИИ К ЗАНЯТИЯМ Эти рекомендации помогу вам распланировать свою программу упражнений. Подробную информацию можно получить из специализированных книг или на консультации у врача. Помните, что для успешного результата также необходимо правильное питание и отдых. ИНТЕНСИВНОСТЬ ТРЕНИРОВКИ Есл...
Страница 34 - ПЕРЕЧЕНЬ ДЕТАЛЕЙ
34 ПЕРЕЧЕНЬ ДЕТАЛЕЙ Модель No. FMTL70714.0 R0315A № Кол-во Наименование № Кол-во Наименование 1 1 51 1 Левая кнопка быстрого запуска 2 1 52 1 Правая кнопка быстрого запуска 3 1 53 4 Пружина сжатия 4 27 54 1 Переключатель левого поручня 5 1 55 1 Переключатель правого поручня 6 8 56 5 Винт с круглой ш...
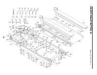
Страница 36 - СБОРОЧНЫЙ ЧЕРТЁЖ
137 140 147 144 145 81 179 164 169 137 140 115 165 115 172 173 174 159 160 161 131 106 105 105 108 109 137 138 137 168 115 115 132 177 137 138 110 143 139 124 125 162 115 130 116 137 138 139 117 146 133 152 127 126 117 133 117 133 133 162 115 132 116 116 166 107 113 114 112 111 118 117 133 117 135 1...
Страница 38 - СБОРОЧНЫЙ ЧЕРТЕЖ
50 58 52 49 53 45 55 17 185 186 51 57 53 17 60 44 54 69 56 54 63 59 56 189 43 69 47 48 61 56 62 97 67 13 67 13 66 66 42 141 99 55 158 4 46 64 48 73 71 70 141 141 66 141 87 86 98 100 87 86 87 86 83 100 90 86 87 72 65 4 87 82 86 86 87 87 86 86 87 141 68 87 4 86 87 84 4 67 74 68 4 4 75 4 75 75 75 76 77...
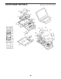
Страница 39 - СБОРОЧНЫЙ ЧЕРТЕЖ D
СБОРОЧНЫЙ ЧЕРТЕЖ D Модель No. FMTL70714.0 R0315A 10 9 10 10 10 8 8 7 8 10 28 3 39 12 14 18 26 29 30 8 19 6 5 40 16 10 15 6 10 22 10 24 25 36 41 27 38 36 36 36 35 36 66 31 32 17 10 37 4 36 11 4 33 34 20 21 2 66 36 66 66 23 35 192 195 39 1
Страница 40 - КОНТАКТЫ СЕРВИСНОГО ЦЕНТРА; ОГРАНИЧЕННАЯ ГАРАНТИЯ
КОНТАКТЫ СЕРВИСНОГО ЦЕНТРА Если у вас возникли вопросы после прочтения данного руководства или в вашем комплекте повреждены/отсутствуют какие-либо детали, обратитесь в службу поддержки по одному из телефонных номеров или адресов, перечисленных ниже. Прежде чем обращаться в службу поддержки, обратите...