Фотоаппараты Olympus OM-D E-M5 Mark II 12-50mm Kit Silver (V207042SE000) - инструкция пользователя по применению, эксплуатации и установке на русском языке. Мы надеемся, она поможет вам решить возникшие у вас вопросы при эксплуатации техники.
Если остались вопросы, задайте их в комментариях после инструкции.
"Загружаем инструкцию", означает, что нужно подождать пока файл загрузится и можно будет его читать онлайн. Некоторые инструкции очень большие и время их появления зависит от вашей скорости интернета.

112
RU
Функции
меню
(
По
льз
ов
ательск
ое
меню
)
4
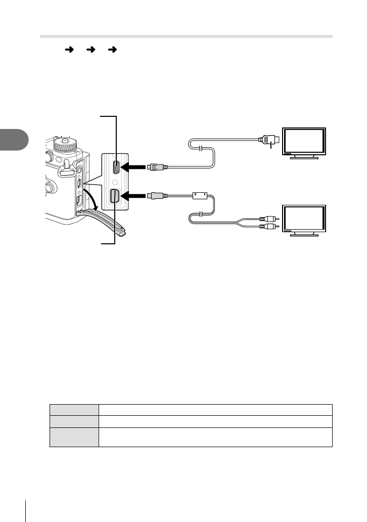
Просмотр
изображений
с
фотоаппарата
на
экране
телевизора
MENU
c
U
[HDMI], [
Видеовыход
]
Для
воспроизведения
снимков
на
экране
телевизора
используйте
с
фотоаппаратом
кабель
,
имеющийся
в
продаже
.
Эта
функция
доступна
во
время
съемки
.
Подключите
фотоаппарат
к
телевизору
с
высоким
разрешением
с
помощью
кабеля
HDMI
для
просмотра
высококачественных
изображений
на
телевизионном
экране
.
При
подключении
телевизоров
с
помощью
кабеля
AV
сначала
установите
параметр
[
Видеовыход
]
фотоаппарата
(
стр
. 102).
Кабель
AV (
дополнительный
: CB-AVC3)
(
Подключите
к
входному
разъему
видеосигнала
(
желтый
)
и
входному
разъему
аудиосигнала
(
белый
)
телевизора
.)
Кабель
HDMI
(
Подключите
к
разъему
HDMI
телевизора
.)
Разъем
HDMI
(
тип
D)
Универсальный
разъем
Тип
A
1
Подключите
фотоаппарат
к
телевизору
и
переключите
источник
входного
сигнала
на
телевизор
.
•
Когда
подключен
кабель
HDMI,
изображения
отображаются
на
двух
экранах
(
и
телевизора
,
и
фотоаппарата
).
Информационный
раздел
отображается
только
на
экране
телевизора
.
Чтобы
скрыть
информацию
на
экране
съемки
,
нажмите
и
удерживайте
кнопку
INFO
.
•
При
подключении
кабеля
AV
экран
фотоаппарата
выключается
.
•
При
подключении
с
помощью
кабеля
AV
нажмите
кнопку
q
.
Осторожно
•
Сведения
об
изменении
источника
входного
сигнала
телевизора
см
.
в
руководстве
по
эксплуатации
телевизора
.
•
В
зависимости
от
настроек
телевизора
,
отображаемые
изображения
и
информация
могут
выглядеть
обрезанными
.
•
При
подключении
камеры
одновременно
с
помощью
кабелей
AV
и
HDMI
более
высокий
приоритет
имеет
HDMI.
•
При
подключении
камеры
с
помощью
кабеля
HDMI
можно
выбирать
тип
цифрового
видеосигнала
.
Выберите
формат
,
соответствующий
формату
входного
сигнала
,
выбранного
на
телевизоре
.
1080p
Приоритет
отдается
сигналу
HDMI
в
формате
1080p.
720p
Приоритет
отдается
сигналу
HDMI
в
формате
720p.
480p/576p
Формат
сигнала
HDMI 480p/576p.
Формат
576p
используется
,
когда
для
параметра
[
Видеовыход
] (
стр
. 102)
выбрано
значение
[PAL].
•
Не
подключайте
фотоаппарат
к
другим
устройствам
вывода
HDMI.
Это
может
привести
к
повреждению
фотоаппарата
.
•
Сигнал
HDMI
не
выводится
при
подключении
фотоаппарата
с
помощью
кабеля
USB
к
компьютеру
или
принтеру
.
•
Когда
отображение
информации
в
режиме
n
скрыто
,
содержимое
экрана
фотоаппарата
не
будет
отображаться
на
телевизоре
,
если
частота
кадров
не
совпадает
с
частотой
кадров
на
телевизоре
.
Содержание
- 2 Information for Your Safety; IMPORTANT SAFETY; Символы; Осторожно
- 3 Содержание
- 5 ание; Sel
- 6 Pixel Mapping –
- 7 Съемка; SCN; Краткий
- 8 LV
- 9 Воспроизведение
- 10 Спецификация; HDR
- 11 MENU; FGHI
- 12 товка; Подготовка; Распаковка; USB; Прикрепление
- 13 Зарядка; Индикатор
- 14 Установка; Карты; Расположение; Как
- 15 Подсоединение; Сменные
- 16 Использование; Поворот
- 17 Включение; Передвиньте; ON; OFF; Рычажок
- 18 FG
- 19 Отображение; q p
- 20 UTX
- 21 Переключение; Курсор; LV super; Кнопка
- 23 Фотосъемка; Типы
- 24 Настройте; Спустите
- 25 Предварительный
- 26 Закладка; Элемент; Выбор
- 28 Выберите; f n; JPEG
- 29 RAW
- 30 Key Line
- 31 ART; брекетинг; II
- 32 SD
- 33 Отснятое; Примечание
- 34 Программная
- 39 Видеосъемка
- 40 Добавление
- 41 Телеконвертер; Вкладка
- 42 Режим; MOV
- 43 BGM
- 44 Full HD
- 45 Вызов; LV super control panel,; LV Super; Super control panel
- 46 Панель; Live control; Доступные
- 48 Four Thirds
- 49 Метод
- 51 MF
- 54 Замер; ESP; SH; Чувствительность
- 55 Баланс
- 56 Рекомендации; Примечания
- 57 Стабилизатор
- 61 Данные
- 63 Крышка; Изменение; Переключатель
- 65 Фокусное
- 66 Контроль; Функция; Функции
- 67 REC
- 68 Многофункциональная
- 69 Color
- 70 Vivid
- 71 Резкость; Контрастность
- 72 Градация; Эффекты
- 73 Цветовой; Нейтрал; Цветовое; sRGB
- 76 едение; Информация; Упрощенное; Adobe
- 78 Просмотр; Нажмите
- 80 Громкость
- 81 Для; Значок
- 82 Запись
- 84 Основные
- 85 Меню
- 88 AF
- 91 G – M
- 92 • ART BKT
- 93 Кол
- 94 Micro
- 97 Редакт; PHOTO
- 98 Полное
- 100 АФ; Live; TIME
- 101 IS
- 102 Монитор; HDMI
- 103 LV Close
- 104 Эксп
- 105 Персон; Уровень
- 106 Pmdd; dpi
- 107 Exif; OLYMPUS; Видеоролик; PCM
- 108 Motion
- 109 Встроенный; Pixel Mapping
- 115 Выдержки
- 117 Стиль
- 118 тоаппарата; Возможности; GPS; Olympus; Подключение
- 119 QR; код; SSID
- 125 OLYMPUS Viewer 3; Windows; Windows XP
- 126 Macintosh
- 127 Прямая; Простая
- 129 Отмена; Сохранение; Создание
- 131 Аккумулятор
- 132 Используемые
- 134 Micro Four Thirds; Объектив
- 136 MACRO; Механический
- 137 Наименование
- 139 Аккумуляторный
- 141 RC; MODE
- 142 LV super control panel.; Super FP; Диапазон
- 143 Снятие
- 144 Состав
- 146 Объекты
- 147 «Pixel Mapping –
- 148 Коды
- 150 Очистка; Снаружи
- 152 Уровни
- 153 Настройка; Natural; c R
- 154 Ps; Menu
- 155 c U
- 156 c V
- 157 c Y
- 159 Фотоаппарат
- 162 МЕРЫ; ПРЕДУПРЕЖДЕНИЕ; Общие; Обращение
- 164 ОСТОРОЖНО
- 167 Гарантийные
- 169 Указатель; Обозначения
- 171 LV super control
Характеристики
Остались вопросы?Не нашли свой ответ в руководстве или возникли другие проблемы? Задайте свой вопрос в форме ниже с подробным описанием вашей ситуации, чтобы другие люди и специалисты смогли дать на него ответ. Если вы знаете как решить проблему другого человека, пожалуйста, подскажите ему :)

