Страница 2 - ОГЛАВЛЕНИЕ; НИКОГДА НЕ ОСТАВЛЯЙТЕ РАБОТАЮЩИЙ ОБОГРЕВАТЕЛЬ БЕЗ ПРИСМОТРА!
1. ТЕХНИКА БЕЗОПАСНОСТИ …………………………………………………… 1 2. ВНЕШНЫЙ ВИД НАГРЕВАТЕЛЯ ……………………………………………… 2 3. РАСПАКОВКА И СБОРКА ……………………………………………………… 3 4. ТОПЛИВО ………………………………………………………………………… 5 5. ТЕХНИЧЕСКИЕ ОСОБЕННОСТИ НАГРЕВАТЕЛЯ …………………………… 5 6. ЗАПРАВКА ТОПЛИВОМ ………………………………………………………… 6 7. ЭКСПЛУАТАЦИЯ Н...
Страница 3 - ТЕХНИКА БЕЗОПАСНОСТИ
ОПАСНО ! Внимательно и полностью прочтите данное «Руководство для пользования» перед сборкой, пуском или обслуживанием нагревателя . Неправильное использование данного нагревателя может привести к серьёзным травмам или к смерти вследствие ожогов, пожара, взрыва, поражения электрическим током или о...
Страница 4 - ВНЕШНИЙ ВИД НАГРЕВАТЕЛЯ
2. ВНЕШНИЙ ВИД НАГРЕВАТЕЛЯ Выпускное отверстие Передний ограничитель Нижний кожух Топливный бак Топливный бак Индикатор Ручка термостата Указатель температуры Указатель уровня топлива Верхний кожух Ручка Решетка вентилятора Крышка топливного бака Ручка Рис. 1. F2000-DH Рис.2 . F3000-DH/F5000-DH/F600...
Страница 5 - РАСПАКОВКА И СБОРКА
3. РАСПАКОВКА И СБОРКА 3.1. РАСПАКОВКА : Вынуть нагреватель и все упаковочные материалы из коробки ( Рис. 3 и 4 ) . Примечание : Сохраните транспортную коробку и все упаковочные материалы для дальнейшего хранения нагревателя . F2000-DH F3000-DH , F5000-DH , F6000-DH Колеса НЕТ ДА Колесная рама НЕТ Д...
Страница 6 - ОПАСНО; Сборка ручек и колес
3. РАСПАКОВКА И СБОРКА 3.2. СБОРКА : A. Только для модели F2000-DH ( Рис. 5 ) Необходимые инструменты : • Крестовая отвертка средних размеров 1. Установить и поднять передний ограничитель в направлении, указанном стрелкой, и проверить, что клиновидный изгиб ограничителя входит в щелевое отверстие ве...
Страница 7 - ТОПЛИВО; ТОПЛИВНАЯ СИСТЕМА; ТЕХНИЧЕСКИЕ ОСОБЕННОСТИ НАГРЕВАТЕЛЯ; НАДЕЖНАЯ СИСТЕМА ЗАЖИГАНИЯ
4. ТОПЛИВО При эксплуатации нагревателя КРАЙНЕ ВАЖНО использовать керосин соответствующего качества . Для данного нагревателя используется только осветительный или авиационный керосин . Керосин специально очищается, чтобы практически полностью удалить из него различные примеси, включая серу, которая...
Страница 8 - СИСТЕМА БЕЗОПАСНОСТИ; ЗАПРАВКА ТОПЛИВОМ; Не переполняйте топливный бак сверх установленного уровня; ВАЖНО ПРИ ПЕРВОМ ИСПОЛЬЗОВАНИИ
5. ТЕХНИЧЕСКИЕ ОСОБЕННОСТИ НАГРЕВАТЕЛЯ СИСТЕМА БЕЗОПАСНОСТИ : 1. ТЕРМОЗАЩИТА : Нагреватель оборудован датчиком предельно допустимой температуры, который отключает нагреватель в случае, если температура внутри нагревателя становится выше безопасного уровня . Как только температура понизится до темпер...
Страница 9 - ЭКСПЛУАТАЦИЯ НАГРЕВАТЕЛЯ; ЭКСПЛУАТАЦИЯ
7. ЭКСПЛУАТАЦИЯ НАГРЕВАТЕЛЯ 7.1 . ВЕНТИЛЯЦИЯ ОПАСНО! ЧТОБЫ ИЗБЕЖАТЬ ОТРАВЛЕНИЯ УГАРНЫМ ГАЗОМ ЛИБО ПРОДУКТАМИ ГОРЕНИЯ, ИСПОЛЬЗУЙТЕ НАГРЕВАТЕЛЬ ТОЛЬКО В ХОРОШО ВЕНТИЛИРУЕМЫХ ПОМЕЩЕНИЯХ . Обеспечьте достаточный приток свежего воздуха при работе нагревателя. 7.2. ЭКСПЛУАТАЦИЯ ПУСК НАГРЕВАТЕЛЯ: ① ЗАЛИТЬ ...
Страница 10 - ДОЛГОВРЕМЕННОЕ ХРАНЕНИЕ НАГРЕВАТЕЛЯ
8. ДОЛГОВРЕМЕННОЕ ХРАНЕНИЕ НАГРЕВАТЕЛЯ 1. Для модели F2000-DH : открыть крышку топливного бака, слить топливо из топливного бака. 2. Для моделей F3000-DH, F5000-DH, F6000-DH: отвернуть сливную пробку в задней нижней части топливного бака головкой ¾ дюйма или ключом, слить топливо из топливного бака ...
Страница 11 - ТЕХНИЧЕСКОЕ ОБСЛУЖИВАНИЕ НАГРЕВАТЕЛЯ; ВНИМАНИЕ
9. ТЕХНИЧЕСКОЕ ОБСЛУЖИВАНИЕ НАГРЕВАТЕЛЯ ВНИМАНИЕ ! Перед тем, как выполнять любое техническое обслуживание нагревателя, отключите его от источника электропитания и дайте нагревателю остыть . ПРИМЕЧАНИЕ: Для ремонта и техобслуживания используйте только оригинальные запчасные части и расходные материа...
Страница 12 - Свеча зажигания; ФОРСУНКА
5. Свеча зажигания Очищать и регулировать зазор через каждые 600 часов эксплуатации или заменять свечу зажигания при необходимости . ( Рис . 13 ) • Снять верхний кожух • Снять вентилятор • Отсоединить провод воспламенителя от свечи зажигания • Отсоединить свечу зажигания от штуцера форсунки крестово...
Страница 14 - модель; кПа
9. ТЕХНИЧЕСКОЕ ОБСЛУЖИВАНИЕ НАГРЕВАТЕЛЯ 9. Регулировка давления насоса • Отсоединить заглушку манометра от крышки фильтра • Установить вспомогательный манометр • Запустить нагреватель (Раздел 7. стр .8) • Подождать пока двигатель полностью наберет обороты • Отрегулировать давление шлицевой отверткой...
Страница 15 - ЗАМЕНА ПЛАВКОГО ПРЕДОХРАНИТЕЛЯ
10. ЗАМЕНА ПЛАВКОГО ПРЕДОХРАНИТЕЛЯ Предупреждение : Опасность поражения электрическим током! Перед тем, как проверять предохранитель, отключите кабель нагревателя от сети электропитания! Примечание : Нагреватель защищен плавким предохранителем . Если нагреватель не запускается, не торопитесь возвращ...
Страница 16 - ПОРЯДОК УСТРАНЕНИЯ НЕИСПРАВНОСТЕЙ; Неисправность
11. ПОРЯДОК УСТРАНЕНИЯ НЕИСПРАВНОСТЕЙ Неисправность Возможная причина Способы устранения Нагреватель запускается, но через непродолжительное время отключается. Индикатор мигает. 1. Неправильное давление насоса 2. Загрязнен входной, выходной воздушные фильтры или фильтр тонкой очистки 3. Загрязнен то...
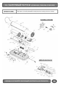
Страница 18 - СБОРОЧНЫЙ ЧЕРТЕЖ; ПРИМЕЧАНИЕ; ГОЛОВКА ГОРЕЛКИ
14. СБОРОЧНЫЙ ЧЕРТЕЖ ( F2000-DH, F3000-DH, F5000-DH ) ПРИМЕЧАНИЕ : При заказе деталей указывайте номер модели и номер детали по списку ГОЛОВКА ГОРЕЛКИ ДВИГАТЕЛЬ И НАСОС НИКОГДА НЕ ОСТАВЛЯЙТЕ РАБОТАЮЩИЙ ОБОГРЕВАТЕЛЬ БЕЗ ПРИСМОТРА! 16
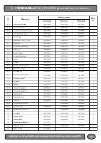
Страница 20 - СПЕЦИФИКАЦИЯ ДЕТАЛЕЙ
16. СПЕЦИФИКАЦИЯ ДЕТАЛЕЙ (F2000-DH,F3000-DH,F5000-DH ) № Название Номер детали Кол - во F2000-DH F3000-DH F5000-DH 1 Сливная пробка 921400027 921400027 921400027 1 2 Термистор 810755009 810755009 810755009 1 3 Кнопка «Сеть» 914000136 914000136 914000136 1 4 Боковая крышка правая 810715015 810715015 ...
Страница 24 - Колеса и ручки; название
18. СПЕЦИФИКАЦИЯ ДЕТАЛЕЙ ( Колеса и ручки ) № название Номер детали Кол - во F2000-DH 1 ручка 810722003 1 2 винт 921100203 2 1. F2000-DH № название Номер детали Кол - во F3000-DH /F5000-DH / F6000-DH 1 Задвежка 126710034 2 2 Шайба 923500002 2 3 Контргайка 922200015 8 4 Колесная рама 810715027 1 5 Ру...
Страница 25 - Гарантийные условия; Гарантия недействительна в следующих случаях
Гарантийные условия Уважаемый покупатель ! Благодарим Вас за покупку! Убедительно просим Вас внимательно изучить документацию, прилагаемую к изделию и проверить правильность заполнения гарантийного талона . Прежде, чем приступить к использованию, внимательно ознакомьтесь с инструкцией по эксплуатаци...