Фильтры для воды Барьер ПРОФИ Осмо 75 (Boost) - инструкция пользователя по применению, эксплуатации и установке на русском языке. Мы надеемся, она поможет вам решить возникшие у вас вопросы при эксплуатации техники.
Если остались вопросы, задайте их в комментариях после инструкции.
"Загружаем инструкцию", означает, что нужно подождать пока файл загрузится и можно будет его читать онлайн. Некоторые инструкции очень большие и время их появления зависит от вашей скорости интернета.
Загружаем инструкцию

13
БАРЬЕР Постфильтр
БАРЬЕР Осмо
БАРЬЕР Механика 1 мкм
БАРЬЕР Механика
БАРЬЕР Сорбцион
Обратный клапан
Содержание
- 3 ных фильтров для воды, имеющих от одной до 5-ти ступеней очистки.; Индикатор ресурса проточных фильтров БАРЬЕР
- 4 Назначение водоочистителя; небезопасной в микробиологическом отношении.
- 5 Комплектация водоочистителя
- 6 Технические характеристики
- 7 Для исполнений БАРЬЕР ПРОФИ Осмо М / ПРОФИ Осмо Boost М
- 8 Основные требования к исходной воде
- 9 Ступени очистки водоочистителя; БАРЬЕР ПРОФИ Механика 5 мкм.
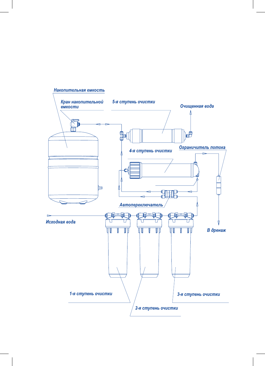
- 10 БАРЬЕР ПРОФИ Осмо Boost; Схема подключения водоочистителя
- 12 БАРЬЕР ПРОФИ Осмо
- 16 Порядок установки водоочистителя; их. Рекомендуется выполнять работы, связанные с подключением к во-
- 18 Участок трубы, в который входит дренажная трубка, не должен быть; Установите кран накопительной ёмкости.; его без консультации со специалистом.
- 20 Проверка и начало работы водоочистителя.; двух первых наполнениях ёмкости, так как при этом осуществляется
- 21 Замена фильтроэлементов; ных регионах может изменяться в широких пределах.; Ступень очистки
- 22 показателям из раздела «ОСНОВНЫЕ ТРЕБОВАНИЯ К ИСХОДНОЙ ВОДЕ». В том; Замена фильтроэлементов предварительной очистки.; Закройте шаровой вентиль на входе в водоочиститель.
- 23 Фильтроэлемент должен быть установлен вертикально, без переко-
- 26 Замена фильтроэлемента БАРЬЕР Минерализатор RO.; Установка минерализатора осуществляется таким образом, чтобы
- 27 Замена фильтроэлемента БАРЬЕР Осмо Постфильтр.
- 29 Дополнительное обслуживание водоочистителя; необходимости подтяните соединения.; реже одного раза в год.; ной очистки — 1 раз в 6 месяцев.
- 30 Рекомендации; используйте водоочиститель для очистки горячей воды.
- 31 Возможные неисправности и их устранение; Неисправность
- 33 Сервисное обслуживание
- 34 Системы водоочистки для загородных домов и коттеджей; БАРЬЕР Профессиональные решения предлагает
- 35 абзаце 2 пункта 6 статьи 18 Закона РФ «О защите прав потребителей».