Страница 2 - Используемые обозначения; ПРИ МЕ ЧА НИЕ; Содержание
Используемые обозначения ВНИМАНИЕ! Требования, несоблюдение которых может привестиктяжелойтравмеилисерьезномуповреждениюоборудования. ОС ТО РОЖ НО! Требования,несоблюдениекоторыхможетпривестиксерьезнойтравмеилилетальномуисходу. ПР...
Страница 3 - Устройство кондиционера
4 Устройство кондиционера 1 3 4 7 2 5 6 8 Вход воздуха Выход воздуха Вход воздуха Наружный блок Внутренний блок Выход воздуха 9 12 10 11 1 – Шнурпитания. 2 – Дисплей. 3 – Передняяпанель. 4 – Воздушныйфильтрсетка. 5 – Горизонтальныежалюзи. 6 – Вертикальныежалюзи. 7 – ...
Страница 7 - Управление кондиционером; • Для включения кондиционера кратковре; Примечание
8 Управление кондиционером 1. Кнопка ON/OFF – включение/выключение. Нажмите кнопку ON/OFF. Когда кондиционерполучит сигнал, то на дисплее внутреннегоблока отобразится предыдущий режим работы. В случае первого включения кондиционера, режим работы предустановлен на заводе.П...
Страница 8 - Управлениекондиционером; Кнопка СОН – установка ночного режима.
9 Управлениекондиционером Примечание: Когда выбран режим AUTO, установленнаятемператураотображатьсянаLCDдисплеенебудет, кондиционер в зависимости от температуры воздуха в помещении автоматическиначинает работать в режиме охлаждения илиобогрева, создавая комфортные усл...
Страница 10 - Панель индикации на внутреннем блоке; внутренниеблокисерииLK
11 Во время активации функции и до полного ееокончания не рекомендуется повторно включатькондиционер. Примечание: Функциянеявляетсязаводскойнастройкой.Включение функции AntiFUNGUS (ЗАЩИТАОТПЛЕСЕНИ).При выключенном кондиционере и пультедистанционого управления, направьт...
Страница 11 - »или; ЖАЛЮЗИ; Основные функции управления
12 Управление кондиционером Основные функции управления Для включения кондиционера нажмите кнопку ON/OFF. НажимаякнопкуРЕЖИМ,можновыбратьнеоб ходимыйВамрежимработы. Кнопками « »или « » можноустановитьже лаемую температуру. В режиме AUTO температуразадаётсяавтома...
Страница 12 - HEALTH; Android
13 Управление кондиционером Удаленноеуправление(опцияWiFi) Примечание:опциятребуетпоставкиимонтажадополнительногоконтроллера Позволяет управлять кондиционером черезприложение на мобильных устройствах с операционнымисистемамиAndroidиiOS. Установите на мобильном устройствеп...
Страница 14 - Меры предосторожности
15 Управление кондиционером Функция подсветки (только для пультов управления с такой функцией) Пульт управления имеет подсветку, котораяможетбытьвключенаприпомощинажатиялюбойкнопкидляудобстваработывтемноте. Подсветка может автоматическибытьвключена,еслинетрогатьпультв...
Страница 15 - Уход и обслуживание; Чистка передней панели
16 Уход и обслуживание Чистка передней панели • Отключите устройство от источника питания дотого,каквынетешнурпитанияизрозетки. • Чтобы снять переднюю панель кондиционе ра,зафиксируйтееевверхнейпозицииитянитенасебя. a a • Используйте сухую и мягкую тряпку для очи...
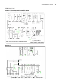
Страница 16 - Технические характеристики; Техническиехарактеристики
17 Технические характеристики Техническиехарактеристики SAS07L4-A SAS09L4-A SAS12L4-A SAS18L4-A SAS24L4-A 2,3 2,7 3,6 5,3 7,0 2,5 2,7 3,7 5,5 7,2 0,71 0,84 1,09 1,63 2,15 0,69 0,74 1,01 1,51 1,97 Охлаждение ЕЕR / Класс 3,22 / А 3,21 / А 3,26 / А 3,21 / А 3,26 / А Обогрев COP / Класс 3,63 / А 3,61 /...
Страница 17 - Устранение неисправностей; Эффекты, не связанные с нарушением
18 Неисправность Возможная причина Устранение Кондиционер не включается 1. Нет электропитания 2. Сработал автомат защиты3. Слишком низкое напряжение в сети4. Нажата кнопка ВЫКЛ5. Батарейки в пульте ДУ разряжены 1. Восстановите электропитание2. Обратитесь в сервисный центр3. Обратитесь в Энергонадзор...
Страница 18 - Срок эксплуатации
19 внутреннего блока. Выполнять эту работу дол жен квалифицированный специалист. Сразупосле отключения режима оттаивания изкондиционера , работающего в режиме обогрева,можетвыходитьводянойпар. 3. Шум При работе кондиционера могут быть слыш ны звуки текущей воды....
Страница 19 - Условия эксплуатации; Чрезмерный шум; Предварительный нагрев.; Комплектация; Утилизация прибора; Дата изготовления
20 Условия эксплуатации Температурныеусловияэксплуатациикондици онера: Режимработы Ох лаж де ние Обогрев Осушение Воздух впомещении От +16 до +30 °С Не вы ше +30 °С От +16 до +30 °С Наружный воздух От +18 до +43 °С От -7 до +24 °С От +11 до +43 °С Не регулируйте вручную горизонталь...
Страница 20 - Сертификация продукции; Товар соответствует требованиям:; Технического регламента Таможенного союза; Импортер в РФ и уполномоченная
21 Сертификация продукции Товар соответствует требованиям: Технического регламента Таможенного союза «О безопасности низковольтного оборудования» (ТР ТС 004/2011) Технического регламента Таможенного союза «Электромагнитная совместимость технических средств» (ТР ТС 020/2011) Изготовитель: «NingboAUX...
Страница 21 - ФИО монтажника /подпись/
Протокол о приемке оборудования после проведения пусконаладочных работ г.______________________ "______"_______________ _____20_____г. Для проведения пусконаладочных работ предъявлено следующее оборудование: ________________________________________________________________________смонтированн...
Страница 23 - ГАРАНТИЙНЫЙ ТАЛОН; ТИП; Поздравляем Вас с приобретением техники отлич-
ГАРАНТИЙНЫЙ ТАЛОН Настоящий документ не ограничивает определенные законом права потребителей, но дополняет и уточняет оговоренные законом обязательства, предполагающие соглашение сторон либо договор ТИП Срок службы Сплит-системы, мобильные кондиционеры, осушители, электрические обогрева- тели (конве...
Страница 27 - сохраняется у клиента; УНИВЕРСАЛЬНЫЙ ОТРЫВНОЙ ТАЛОН; УНИВЕРСАЛЬНЫЙ ОТРЫВНОЙ ТАЛОН
ГАРАНТИЙНЫЙ ТАЛОН сохраняется у клиента ГАРАНТИЙНЫЙ ТАЛОН сохраняется у клиента Заполняется продавцом Заполняется продавцом Модель ____________________________________ Серийный номер __________________________ Дата продажи _____________________________ Название продавца ________________________ ____...