Эллиптические тренажеры SVENSSON INDUSTRIAL BASE AMT560 - инструкция пользователя по применению, эксплуатации и установке на русском языке. Мы надеемся, она поможет вам решить возникшие у вас вопросы при эксплуатации техники.
Если остались вопросы, задайте их в комментариях после инструкции.
"Загружаем инструкцию", означает, что нужно подождать пока файл загрузится и можно будет его читать онлайн. Некоторые инструкции очень большие и время их появления зависит от вашей скорости интернета.

- 20 -
ШАГ 10
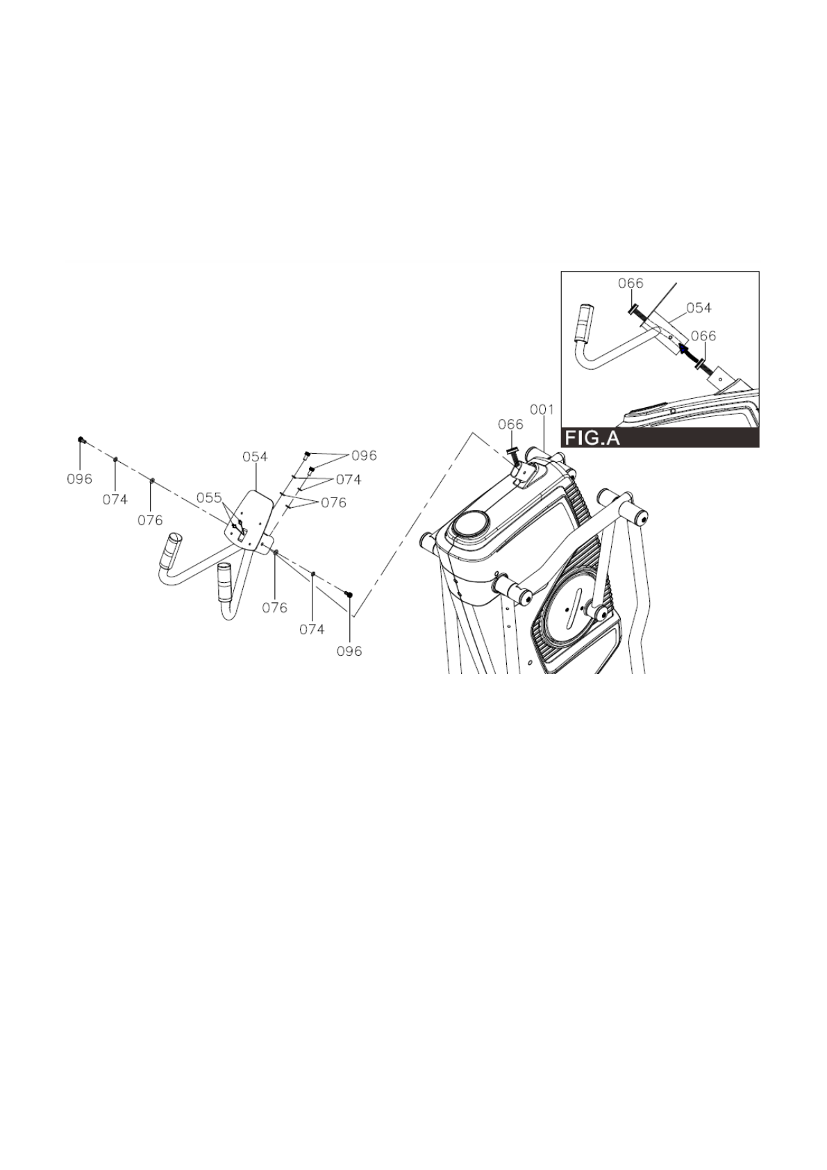
4 шайбы (8x16x2,
0t) (76), 4 шайбы (M8) (74), 4 болта (M8xp1,
25x16 мм) (96)
предварительно смонтированы на главной раме (1).
Снимите вышеуказанные болты, шайбы с главной рамы (1) для последующей сборки.
Аккуратно вставьте верхний соединительный провод (66) в руль (54).
Прикрепите 1 шайбу (76), 1 шайбу (74), 1 болт (96) с каждой стороны руля (54).
ПРИМЕЧАНИЕ:
Пожалуйста, не затягивайте полностью в данный момент.
Прикрепите 2 шайбы (76), 2 шайбы (74), 2 болта (96) на передней стороне руля (54).
ПРИМЕЧАНИЕ:
Пожалуйста, не затягивайте полностью в данный момент.
Характеристики
Остались вопросы?Не нашли свой ответ в руководстве или возникли другие проблемы? Задайте свой вопрос в форме ниже с подробным описанием вашей ситуации, чтобы другие люди и специалисты смогли дать на него ответ. Если вы знаете как решить проблему другого человека, пожалуйста, подскажите ему :)





