ELEYUS 700 - Инструкция по эксплуатации

ELEYUS 700

Вытяжка ELEYUS 700 - инструкция пользователя по применению, эксплуатации и установке на русском языке. Мы надеемся, она поможет вам решить возникшие у вас вопросы при эксплуатации техники.

Если остались дополнительные вопросы — свяжитесь с нами через контактную форму.

1 Страница 1
2 Страница 2
3 Страница 3
4 Страница 4
5 Страница 5
6 Страница 6
7 Страница 7
8 Страница 8
9 Страница 9
10 Страница 10
11 Страница 11
12 Страница 12
13 Страница 13
14 Страница 14
15 Страница 15
16 Страница 16
17 Страница 17
18 Страница 18
19 Страница 19
20 Страница 20
21 Страница 21
Страница: / 21

Содержание:

  • Страница 2 – STORM
  • Страница 10 – RUS
  • Страница 12 – ОПИСАНИЕ ВЫТЯЖКИ
  • Страница 13 – ИНСТРУКЦИЯ ПО МОНТАЖУ ВЫТЯЖКИ
  • Страница 14 – ИНСТРУКЦИЯ ПО ПОЛЬЗОВАНИЮ ВЫТЯЖКОЙ
  • Страница 15 – ИНСТРУКЦИЯ ПО УХОДУ ЗА ВЫТЯЖКОЙ
  • Страница 16 – ГАРАНТИИ ПРОИЗВОДИТЕЛЯ
  • Страница 20 – клавішний перемикач
Загрузка инструкции

СТАРАЕТСЯ ДЛЯ МЕНЯ

Каталог

вытяжек

"Загрузка инструкции" означает, что нужно подождать пока файл загрузится и можно будет его читать онлайн. Некоторые инструкции очень большие и время их появления зависит от вашей скорости интернета.

Краткое содержание

Страница 2 - STORM

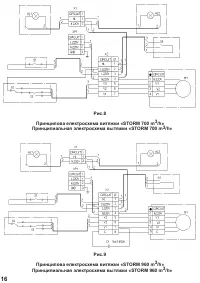
КЕРІВНИЦТВО З ЕКСПЛУАТАЦІЇ РУКОВОДСТВО ПО ЭКСПЛУАТАЦИИ СП.134-00.00.000 Сертифікат відповідності Сертификат соотвествия UAI.0360001551-05 ВИТЯЖКА ВЕНТИЛЯЦІЙНА КУХОННА ВЫТЯЖКА ВЕНТИЛЯЦИОННАЯ КУХОННАЯ ВВК-01.5Ф3Д1 ВВК-01.6Ф3Д1 STORM (700/960)

Страница 10 - RUS

К СВЕДЕНИЮ ПОКУПАТЕЛЕЙ! Для подтверждения права на гарантийное обслуживание просим Вас сохранять товарный чек вместе с гарантийным талоном, который должен быть полностью заполненным с обязательным указанием даты продажи, подписью и штампом магазина. Не выполнение этого требования лишает Вас права на...

Страница 12 - ОПИСАНИЕ ВЫТЯЖКИ

ВНИМАНИЕ! ИСПОЛЬЗОВАТЬ ГАЗОВУЮ (ЭЛЕКТРО) ПЛИТУ ПРИ ВИКЛЮЧЕНОЙ ВЫТЯЖКЕ КАТЕГОРИЧЕСКИ ЗАПРЕЩАЕТСЯ! 4.2 Во избежание поражения электротоком вытяжка должна включаться в розетку с заземлением. 4.3 Воздух, проходящий через вытяжку, должен выводиться только в отдельный вентиляционный канал кухни и не долже...

Характеристики

Другие модели - Вытяжки ELEYUS