Electrolux EWH 30 Formax DL - Инструкция по эксплуатации

Electrolux EWH 30 Formax DL

Водонагреватель Electrolux EWH 30 Formax DL - инструкция пользователя по применению, эксплуатации и установке на русском языке. Мы надеемся, она поможет вам решить возникшие у вас вопросы при эксплуатации техники.

Если остались дополнительные вопросы — свяжитесь с нами через контактную форму.

1 Страница 1
2 Страница 2
3 Страница 3
4 Страница 4
5 Страница 5
6 Страница 6
7 Страница 7
8 Страница 8
9 Страница 9
10 Страница 10
11 Страница 11
12 Страница 12
13 Страница 13
14 Страница 14
15 Страница 15
16 Страница 16
17 Страница 17
18 Страница 18
19 Страница 19
20 Страница 20
21 Страница 21
22 Страница 22
23 Страница 23
24 Страница 24
Страница: / 24

Содержание:

  • Страница 2 – electrolux; Добро пожаловать в мир; Содержание
  • Страница 3 – водонагреватели; Введение; Автоматический контроль температуры
  • Страница 4 – Монтаж водонагревателя
  • Страница 5 – После выбора места монтажа определите; Если ванная комната слишком мала для; Подключение к водопроводу; Для подключения водонагревателя к водо-
  • Страница 6 – Подключение к электрической сети; Наполнение водой
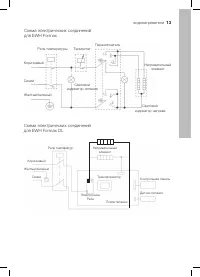
  • Страница 7 – Панель управления Formax DL; Установка температуры
  • Страница 8 – Включение и установка температуры; Меры предосторожности
  • Страница 10 – Отказы; Устранение неполадок
  • Страница 11 – Технические характеристики
  • Страница 12 – Уход и техническое обслуживание; Слив воды
  • Страница 14 – Утилизация; Сертификат соответствия:; фирма AB Electrolux; Импортер и уполномоченный представитель:; Собрано в Китае
  • Страница 16 – Га ран тий ный та лон; Модель
  • Страница 20 – Для заметок
Загрузка инструкции

EWH 30 –100 Formax

EWH 30 –100 Formax DL

ИНСТРУКЦИЯ ПО ЭКСПЛУАТАЦИИ

"Загрузка инструкции" означает, что нужно подождать пока файл загрузится и можно будет его читать онлайн. Некоторые инструкции очень большие и время их появления зависит от вашей скорости интернета.

Краткое содержание

Страница 2 - electrolux; Добро пожаловать в мир; Содержание

2 electrolux Инструкция по эксплуатации электрического аккумуляционного водонагревателя серииEWH 30–100 Formax,EWH 30–100 Formax DL Добро пожаловать в мир Electrolux Вы выбрали первоклассный продукт от Electrolux, который, мы надеемся, доставит Вам много радости в будущем. Electrolux стремится предл...

Страница 3 - водонагреватели; Введение; Автоматический контроль температуры

водонагреватели 3 Введение Электрический водонагреватель накопитель-ного типа предназначен для нагрева поступа-ющей из водопровода холодной воды (не для производства питьевой воды). Он применяется в бытовых целях.Установка и первый запуск водонагревателя должны производиться квалифицированным специа...

Страница 4 - Монтаж водонагревателя

4 electrolux альным защитным покрытием выполнен по передовому методу электростатической сухой эмалировки. Специальный сплав внутреннего бака про-чен к воздействию коррозии и накипи. Защитное покрытие внутреннего бака из специально разработанной мелкоди-сперсионной стеклоэмали. Свойства эмали: • повы...

Характеристики

Другие модели - Водонагреватели Electrolux

Все водонагреватели Electrolux