Духовые шкафы Zigmund & Shtain E 149 B - инструкция пользователя по применению, эксплуатации и установке на русском языке. Мы надеемся, она поможет вам решить возникшие у вас вопросы при эксплуатации техники.
Если остались вопросы, задайте их в комментариях после инструкции.
"Загружаем инструкцию", означает, что нужно подождать пока файл загрузится и можно будет его читать онлайн. Некоторые инструкции очень большие и время их появления зависит от вашей скорости интернета.

M
THERMOPROTECTOR
P1
P1
P2
P3
P4
P5
P6
P7
P8
1
2
3
4
5
6
7
8
GRILL
L
N
1
2
3
1
C
J7
A1
N
L
J8
DIGITAL
TIMER
OT5000.2
orange (1x1.50 mm
2
)
red (1x1.50 mm
2
)
grey (1x1.50 mm
2
)
g
reen (1x1.50 mm
2
)
brown (1x1.50 mm
2
)
blue (1x1.50 mm
2
)
s!yah (1x1.00 mm
2
)
blue (1x1.50 mm
2
)
yellow-green (1x1.50 mm
2
)
yellow-green
(1x1.50 mm
2
)
BOTTOM
RES.
THERMOSTAT
ROTARY
SWITCH
COOLING FAN
SUPPLY
TOP RES.
TURBO RES.
brown (1x1.00 mm
2
)
blue (1x1.50 mm
2
)
wh!te (1x1.00 mm
2
)
blue (1x1.50 mm
2
)
green (1x1.00 mm
2
)
brown (1x1.50 mm
2
)
blue (1x1.50 mm
2
)
brown
(1x1.50 mm
2
)
red (1x1.50 mm
2
)
blue (1x1.50 mm
2
)
yellow
(1x1.50 mm
2
)
red (1x1.50 mm
2
)
INTERNAL
LAMP
yellow-green (1x1.50 mm
2
)
yellow-green (1x1.50 mm
2
)
yellow-green (1x1.50 mm
2
)
NC 110°C
LIMIT
THER
MOSTAT
yellow (1x1.50 mm
2
)
yellow (1x1.50 mm
2
)
red (1x1.50 mm
2
)
yellow
(1x1.50 mm
2
)
blue (1x1.50 mm
2
)
M
THERMOPROTECTOR
yellow-green (1x1.50 mm
2
)
TURBO FAN
yellow-green
(1x1.50 mm
2
)
2
2A
blue (1x1.50 mm
2
)
brown (1x1.50 mm
2
)
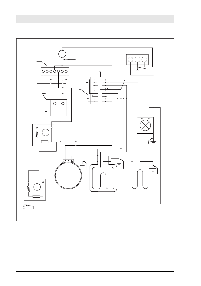
Рис. 7
ЧТО ДЕЛАТЬ ВО ВРЕМЯ ПЕРВОЙ ЭКСПЛУАТАЦИИ УСТРОЙСТВА
n
Установите температуру на максимальный уровень.
n
Установите
кнопку выбора функций в положение "верхний и нижний
нагревательные элементы" (или в положение 3D, если применимо).
ПОДКЛЮЧЕНИЕ К СЕТИ ПИТАНИЯ
19
Характеристики
Остались вопросы?Не нашли свой ответ в руководстве или возникли другие проблемы? Задайте свой вопрос в форме ниже с подробным описанием вашей ситуации, чтобы другие люди и специалисты смогли дать на него ответ. Если вы знаете как решить проблему другого человека, пожалуйста, подскажите ему :)