Духовые шкафы MBS DE-607IV - инструкция пользователя по применению, эксплуатации и установке на русском языке. Мы надеемся, она поможет вам решить возникшие у вас вопросы при эксплуатации техники.
Если остались вопросы, задайте их в комментариях после инструкции.
"Загружаем инструкцию", означает, что нужно подождать пока файл загрузится и можно будет его читать онлайн. Некоторые инструкции очень большие и время их появления зависит от вашей скорости интернета.

40
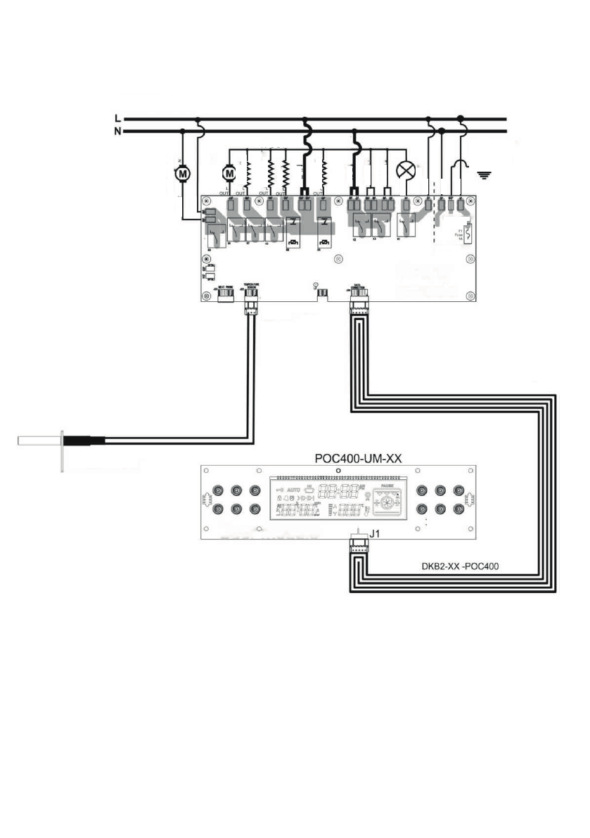
Схема подключения POC400PM-E00
ЛИНИЯ ПИТАНИЯ
220-240ВПРТ-50/60ГЦ
Охлаждаю
щий
ве
нт
ил
ят
ор
КОНВЕК
ЦИ
Я
ВЕНТИ
ЛЯ
ТО
Р
ВЕРХН
ИЙ
НАГ
РЕВАТ
ЕЛ
Ь
НИ
ЖН
ИЙ
НАГ
РЕВАТ
ЕЛ
Ь
ГРИ
ЛЬ
КО
ЛЬ
ЦЕВО
Й
НАГ
РЕВАТ
ЕЛ
Ь
N-
ВХО
Д
N-
ВЫХО
Д
N-
ВЫХО
Д
ЛА
МП
А
!!! Портал J26
подсоединяется
к защитному
заземлению
ПЕРВИЧНЫЙ
ИСТОЧНИК
ПИТАНИЯ
(защищенная
электрическая
цепь)
Модуль
питания
ТЕМПЕРАТУРНЫЙ
ДАТЧИК
КАБЕЛЬ ПЕРЕДАЧИ ДАННЫХ ДЛЯ
ПОЛЬЗОВАТЕЛЬСКОГО МОДУЛЯ И
ПОДСОЕДИНЕНИЯ МОДУЛЯ ПИТАНИЯ
ДАТЧИК PT1000
PT-1000-M2-XXX
Пользовательский
модуль
N-ВЫХОД
L-
ВЫХО
Д
N-
ВХОД
L-ВХО
Д
L-ВХО
Д
L-ВХОД
L-
ВЫХО
Д
L-ВХО
Д
Содержание
- 7 Содержание
- 9 АКСЕССУАРЫ
- 10 Общая безопасность
- 12 Безопасность для детей; Безопасность при электрических работах
- 14 Установка и соединения; Установка прибора; Электрическая духовка
- 17 Не используйте встроенную плиту до
- 18 Если ваш прибор предназначен для работы на природном газе, для; Рисунок 7; Газовое соединение; Рисунок 6
- 25 Использование электрической духовки; Отверстие для ручного розжига
- 26 Выключение электрической духовки; Использование таймера духовки; Режимы работы; гриль работает (под верхней стенкой духовки). Гриль подходит
- 27 Отрегулируйте время готовки, поворачивая регулятор
- 28 Цифровой таймер; ПРИ ПОДСОЕДИНЕНИИ К СЕТИ; положении зуммер будет отключен.
- 29 РУЧНОЙ РЕЖИМ; НАСТРОЙКИ ЧАСОВ; ОТКЛЮЧЕНИЕ РАБОТАЮЩЕГО ЗУММЕРА
- 30 ПРОГРАММА АВТОМАТИЧЕСКОЙ ГОТОВКИ; Теперь мы запрограммировали духовку на приготовление
- 31 в 21:30 процедура готовки будет завершена.; В СЛУЧАЕ ОТКЛЮЧЕНИЯ ЭЛЕКТРОЭНЕРГИИ; когда готовка началась
- 32 ФУНКЦИЯ БЛОКИРОВКИ ОТ ДЕТЕЙ; ДЕАКТИВИРОВАНА, ДЛЯ ВОЗВРАЩЕНИЯ В НОРМАЛЬНЫЙ РЕЖИМ; - Нажмите на кнопки ручного режима и
- 33 Отключите духовку при помощи регулятора таймера, функции и; Отключение духовки до окончания установленного времени.; Вращайте регулятор таймера до достижения точки остановки
- 34 Панель управления духовки DE-602; ОБЩАЯ ИНФОРМАЦИЯ О ДИСПЛЕЯХ И СЕНСОРНЫХ КЛАВИШАХ
- 36 и удерживайте в течение примерно 5 секунд, пока не услышите; РУЧНОЙ РЕЖИМ ПРИГОТОВЛЕНИЯ ПИЩИ; GO; КАК ПРИОСТАНОВИТЬ, ИЗМЕНИТЬ ИЛИ ЗАВЕРШИТЬ ПРИГОТОВЛЕНИЕ ПИЩИ; GO; , чтобы вывести на экран
- 37 АВТОМАТИЧЕСКИЙ РЕЖИМ ПРИГОТОВЛЕНИЯ ПИЩИ:; после; Полуавтоматический режим приготовления пищи; Полностью автоматический режим приготовления пищи; AUTO; Процесс приготовления пищи:
- 38 АВТОМАТИЧЕСКОЕ ЗАВЕРШЕНИЕ ПРИГОТОВЛЕНИЯ:; Индикатор остаточного тепла:; настраиваемая температура ниже 100 °C.
- 39 Ошибка связи между платами UM и PM
- 40 В случае появления сообщения об ошибке:; Если ошибки невозможно устранить, нажав клавишу
- 42 Модуль; Пользовательский
- 43 Панель управления духовки DE-603
- 55 Сообщение исчезает
- 57 Функции электронного программатора.; приготовления блюда). Не используется на газовых духовых шкафах.; Установка текущего времени:
- 58 предупреждены звуковым сигналом; Отмена звукового сигнала:; кнопки отменяет сигнал.; Изменение режима подсветки:
- 60 Установите регулятор функции в выключенное (верхнее) положение.; Указанные значения получены в лабораторных
- 62 Для чистки духовки нет необходимости в; Снятие дверцы духовки
- 63 Появление пара является нормальным при работе духовки. Это; При нагревании и остывании прибора металл издает звуки.; При нагревании металлические детали нагреваются и могут; Духовка не нагревается.
- 64 В духовке не горит свет.; шкафы сроком на три года со дня ее покупки. Если Вы пользовались
- 77 Құралды орнату; Орналастыру
Характеристики
Остались вопросы?Не нашли свой ответ в руководстве или возникли другие проблемы? Задайте свой вопрос в форме ниже с подробным описанием вашей ситуации, чтобы другие люди и специалисты смогли дать на него ответ. Если вы знаете как решить проблему другого человека, пожалуйста, подскажите ему :)