Духовые шкафы MBS DE-607BL - инструкция пользователя по применению, эксплуатации и установке на русском языке. Мы надеемся, она поможет вам решить возникшие у вас вопросы при эксплуатации техники.
Если остались вопросы, задайте их в комментариях после инструкции.
"Загружаем инструкцию", означает, что нужно подождать пока файл загрузится и можно будет его читать онлайн. Некоторые инструкции очень большие и время их появления зависит от вашей скорости интернета.

38
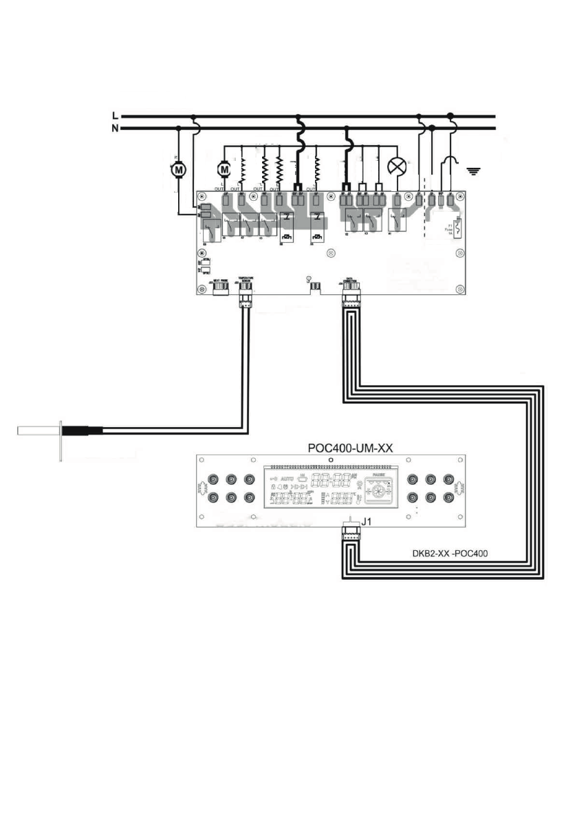
Схема подключения POC400PM-E00
ЛИНИЯ ПИТАНИЯ
220-240ВПРТ-50/60ГЦ
Охлаждаю
щий
ве
нт
ил
ят
ор
КОНВЕК
ЦИ
Я
ВЕНТИ
ЛЯ
ТО
Р
ВЕРХН
ИЙ
НАГ
РЕВАТ
ЕЛ
Ь
НИ
ЖН
ИЙ
НАГ
РЕВАТ
ЕЛ
Ь
ГРИ
ЛЬ
КО
ЛЬ
ЦЕВО
Й
НАГ
РЕВАТ
ЕЛ
Ь
N-
ВХО
Д
N-
ВЫХО
Д
N-
ВЫХО
Д
ЛА
МП
А
!!! Портал J26
подсоединяется
к защитному
заземлению
ПЕРВИЧНЫЙ
ИСТОЧНИК
ПИТАНИЯ
(защищенная
электрическая
цепь)
Модуль
питания
ТЕМПЕРАТУРНЫЙ
ДАТЧИК
КАБЕЛЬ ПЕРЕДАЧИ ДАННЫХ ДЛЯ
ПОЛЬЗОВАТЕЛЬСКОГО МОДУЛЯ И
ПОДСОЕДИНЕНИЯ МОДУЛЯ ПИТАНИЯ
ДАТЧИК PT1000
PT-1000-M2-XXX
Пользовательский
модуль
N-ВЫХОД
L-
ВЫХО
Д
N-
ВХОД
L-ВХО
Д
L-ВХО
Д
L-ВХОД
L-
ВЫХО
Д
L-ВХО
Д
Содержание
- 6 Сначала внимательно ознакомьтесь с данной инструкцией!
- 7 Содержание
- 10 ) Основные требования безопасности; Общая безопасность
- 13 Перед использованием прибора
- 14 Установочные размеры; Установка и соединения; Материальный ущерб! Не используйте дверцу и/или ручку для; Установка прибора
- 16 Не используйте встроенную плиту до
- 17 Рисунок 7; Рисунок 6
- 19 Утилизация старого продукта; ) Предварительная подготовка; Экономия энергии
- 20 Первый нагрев; ) Использование духовки; Общие сведения о готовке, жарке и гриле в духовке.; Помещайте емкости для запекания на середину решетки
- 23 Выбор температуры и режима работы; Отверстие для ручного розжига
- 25 Использование таймера духовки; Гриль; Гриль подходит для приготовления мяса.
- 26 Отрегулируйте время готовки, поворачивая регулятор
- 27 зуммера отдельно от духовки.; ПРИ ПОДСОЕДИНЕНИИ К СЕТИ; Переход в ручной режим осуществляется одновременным; НАСТРОЙКИ ЧАСОВ; нажатие на эти кнопки обеспечит более быстрый перевод часов.
- 28 НАСТРОЙКА СРОКА ЗВУКОВОГО СИГНАЛА; ОТКЛЮЧЕНИЕ РАБОТАЮЩЕГО ЗВУКОВОГО СИГНАЛА; ПРОГРАММА АВТОМАТИЧЕСКОМ ГОТОВКИ
- 30 В СЛУЧАЕ ОТКЛЮЧЕНИЯ ЭЛЕКТРОЭНЕРГИИ; регулятор в выключенное положение.; МИГАЮЩАЯ НАДПИСЬ “auto” ОЗНАЧАЕТ, ЧТО ДУХОВКА; блокировки кнопок духовкой снова можно пользоваться.
- 31 НАСТРОЙКА ГРОМКОСТИ ЗВУКОВОГО СИГНАЛА; срок настройки зуммера вернутся к фабричным.
- 32 Панель управления духовки DE-602; ОБЩАЯ ИНФОРМАЦИЯ О ДИСПЛЕЯХ И СЕНСОРНЫХ КЛАВИШАХ
- 34 и удерживайте в течение примерно 5 секунд, пока не услышите; РУЧНОЙ РЕЖИМ ПРИГОТОВЛЕНИЯ ПИЩИ; GO; КАК ПРИОСТАНОВИТЬ, ИЗМЕНИТЬ ИЛИ ЗАВЕРШИТЬ ПРИГОТОВЛЕНИЕ ПИЩИ; GO; , чтобы вывести на экран
- 35 АВТОМАТИЧЕСКИЙ РЕЖИМ ПРИГОТОВЛЕНИЯ ПИЩИ:; после; Полуавтоматический режим приготовления пищи; Полностью автоматический режим приготовления пищи; AUTO; Процесс приготовления пищи:
- 36 АВТОМАТИЧЕСКОЕ ЗАВЕРШЕНИЕ ПРИГОТОВЛЕНИЯ:; Индикатор остаточного тепла:; настраиваемая температура ниже 100 °C.
- 37 Ошибка связи между платами UM и PM
- 38 В случае появления сообщения об ошибке:; Если ошибки невозможно устранить, нажав клавишу
- 40 Модуль; Пользовательский
- 41 Панель управления духовки DE-603
- 53 Сообщение исчезает
- 55 Функции электронного программатора.; приготовления блюда). Не используется на газовых духовых шкафах.; Программатор работает только когда оборудование подключено; этом духовка ботает. Нажмите M, чтобы вернуться в ручной режим.; Установка текущего времени:
- 56 предупреждены звуковым сигналом; Отмена звукового сигнала:; кнопки отменяет сигнал.; Изменение режима подсветки:
- 57 ГИДРОЛИЗНАЯ ОЧИСТКА
- 58 Использование гриля; Установите регулятор функции в выключенное (верхнее) положение.; Указанные значения получены в лабораторных
- 60 Для чистки духовки нет необходимости в
- 61 ) Рекомендации для исправления неполадок; При работе духовки из нее идет пар.; Появление пара является нормальным при работе духовки. Это; При нагревании и остывании прибора металл издает звуки.; При нагревании металлические детали нагреваются и могут; Духовка не нагревается.
- 62 В духовке не горит свет.; и предохранители в коробке. При необходимости снова активируйте
- 63 Уважаемый покупатель,
- 64 Импортер
- 122 Модель; электрического поражения.
Характеристики
Остались вопросы?Не нашли свой ответ в руководстве или возникли другие проблемы? Задайте свой вопрос в форме ниже с подробным описанием вашей ситуации, чтобы другие люди и специалисты смогли дать на него ответ. Если вы знаете как решить проблему другого человека, пожалуйста, подскажите ему :)